A/C relay location

Tiny
ADAMDEREKHOWARD
  • MEMBER
  • 2004 TOYOTA COROLLA
I can not locate the A/C relay. It is not with the other relays under the hood and I can't tell if its under the dash with the fuses. Thought that maybe someone can help me out here.
Monday, May 10th, 2010 AT 5:22 PM

1 Reply

Tiny
KASEKENNY
  • MECHANIC
  • 18,907 POSTS
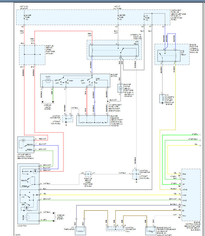
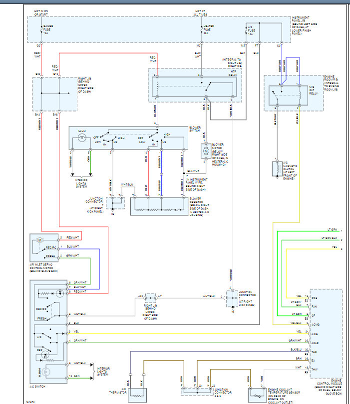
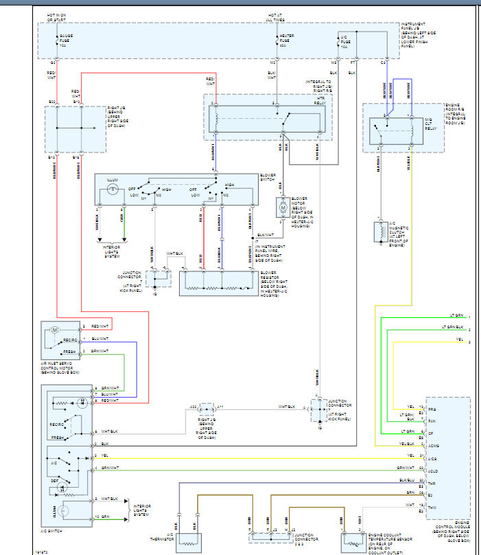
The reason you cannot find it is because this is not a removable relay. This is integral to the junction block. Take a look at the diagram that explains this.

So we need to test for power at the compressor. If it has power then the compressor is the issue.

Here is a guide that will help:

https://www.2carpros.com/articles/car-air-conditioner-not-working-or-is-weak

Once we run down the possible issue we can better determine what to do but we should also check the pressure in the system just to be sure it is correct.

https://www.2carpros.com/articles/re-charge-an-air-conditioner-system

Let me know what this is and we can dig further. Thanks
Was this
answer
helpful?
Yes
No
Tuesday, December 8th, 2020 AT 3:44 PM

Please login or register to post a reply.