Faulty transmission shift solenoid

Tiny
LAURA1968
  • MEMBER
  • TOYOTA AVALON
I have a 1997 Toyota Avalon XLS, Miles are 155,239.
I had the engine check light come on and had it checked by a friend who had a meter who works at a Toyota dealership- it showed that I had a faulty transmission shift solenoid.

How do I go about replacing this?
Wednesday, March 29th, 2006 AT 3:05 PM

1 Reply

Tiny
KEN L
  • MASTER CERTIFIED MECHANIC
  • 55,297 POSTS
Hey LAURA1968,

Here is a guide and a diagram on how to fix the problem. You must remove the transmission pan

https://www.2carpros.com/articles/how-to-service-an-automatic-transmission

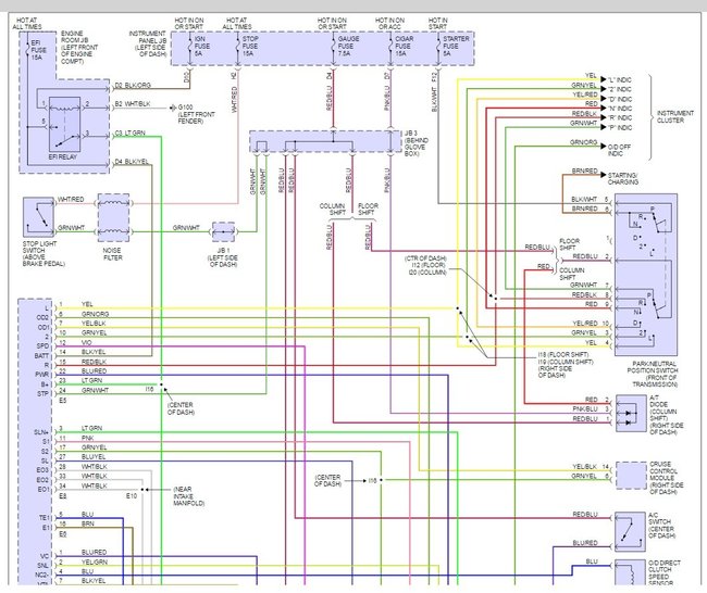
The shift solenoid is internal to the transmission. You have to know which one. Here is a wiring diagram that shows which one to replace.

Please let us know happens so it will help others.

Best, Ken
Was this
answer
helpful?
Yes
No
+1
Tuesday, January 3rd, 2017 AT 11:31 AM

Please login or register to post a reply.