Camshaft timing

Tiny
COLIN RAINE
  • MEMBER
  • 1998 TOYOTA 4RUNNER
  • 4 CYL
  • 4WD
  • AUTOMATIC
  • 100,000 MILES
Where are the timing marks for this engine?
Thursday, May 1st, 2008 AT 3:05 AM

1 Reply

Tiny
JACOBANDNICKOLAS
  • MECHANIC
  • 110,194 POSTS
Hi,

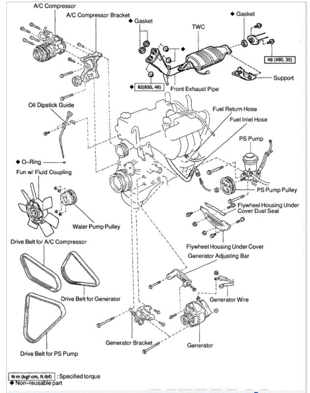
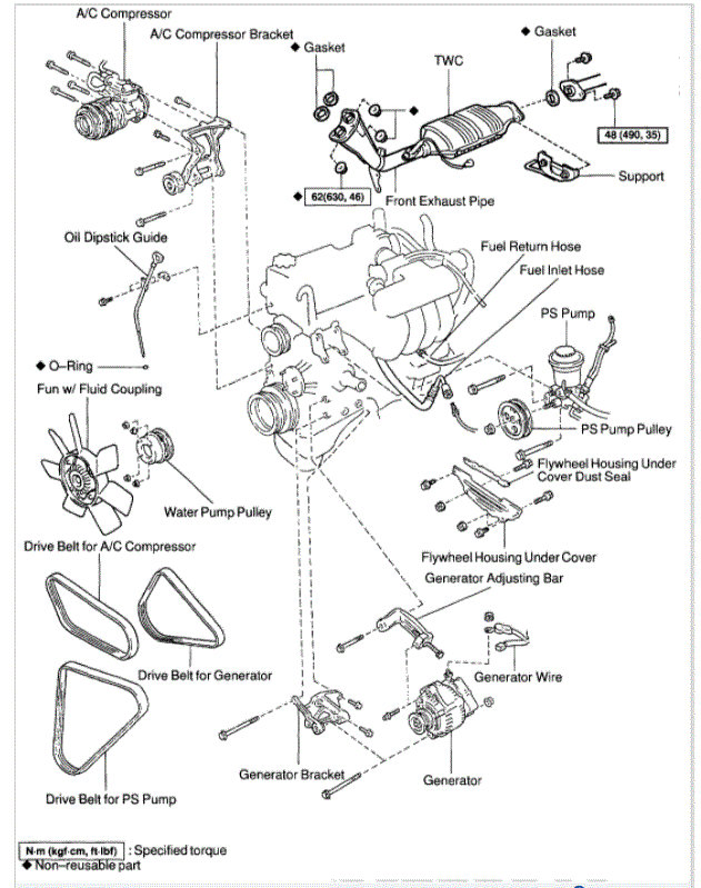
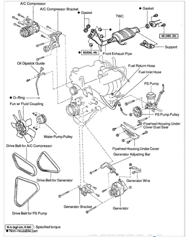
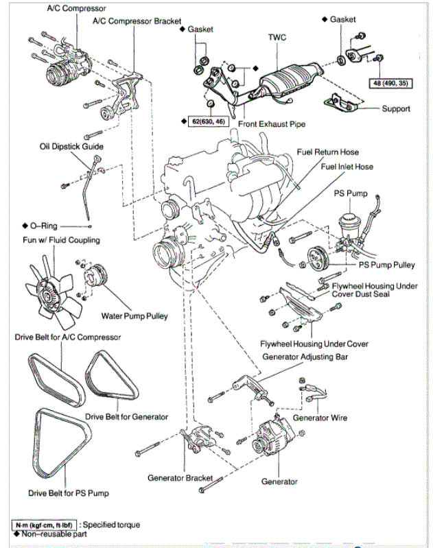
When setting the engine timing, there are marks on the timing chain gears that align with colored links on the timing chain.

This is a big job, so take your time.

I attached the directions for removal and replacement of the timing chain below. These directions are specific to this vehicle and provide the directions for timing.

I hope this helps. Let me know if you have other questions.

Take care,

Joe

See pics below.
Was this
answer
helpful?
Yes
No
Monday, July 26th, 2021 AT 9:44 PM

Please login or register to post a reply.