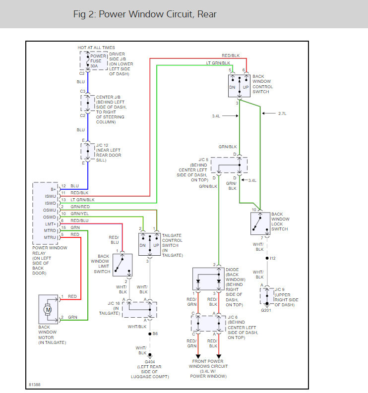
Friday, June 5th, 2009 AT 10:53 PM
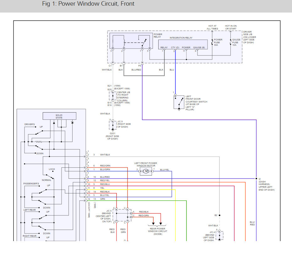
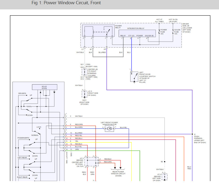
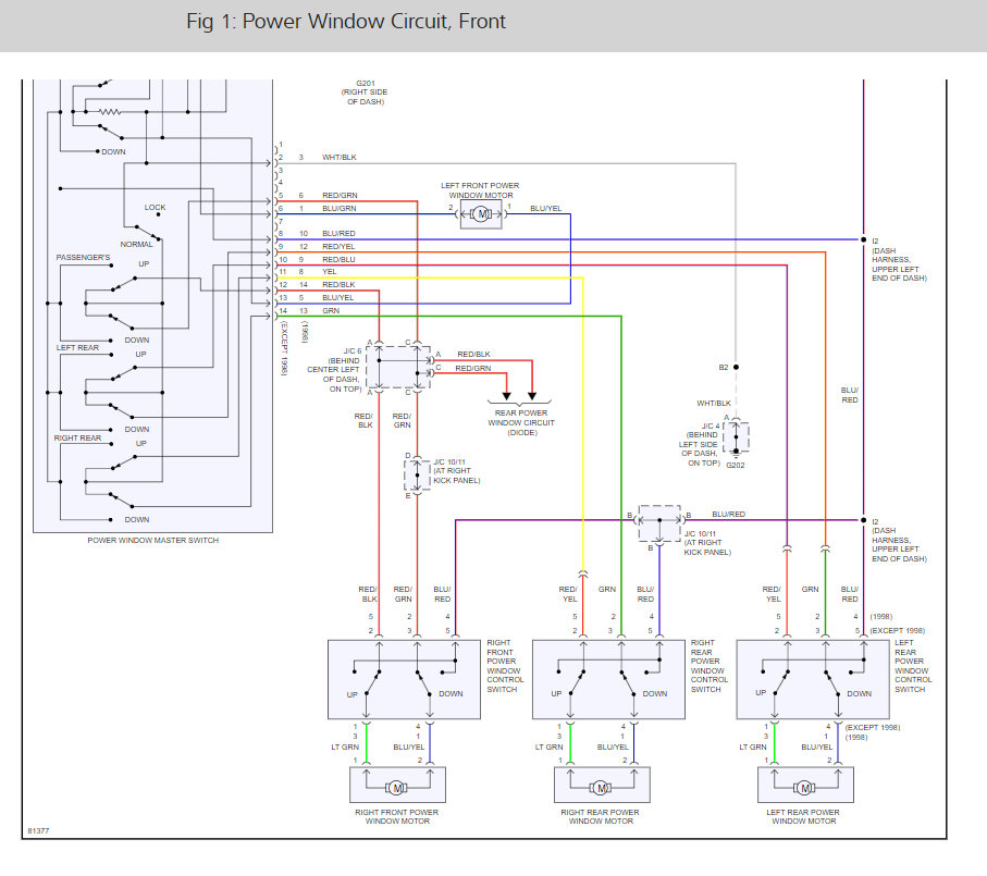
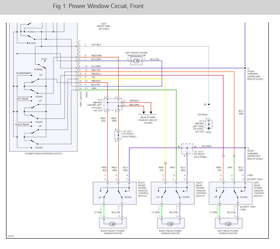
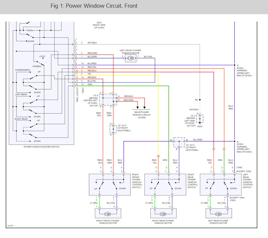
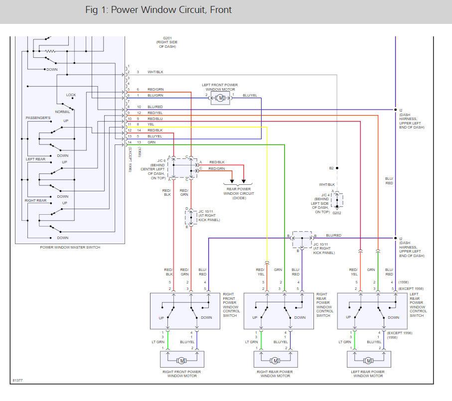
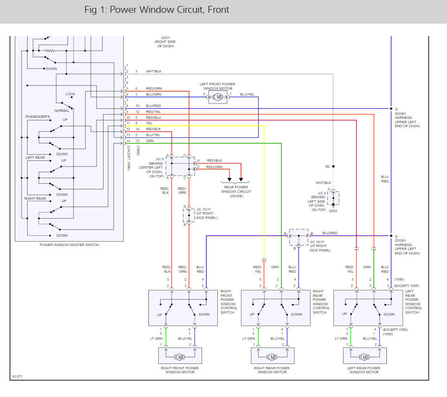
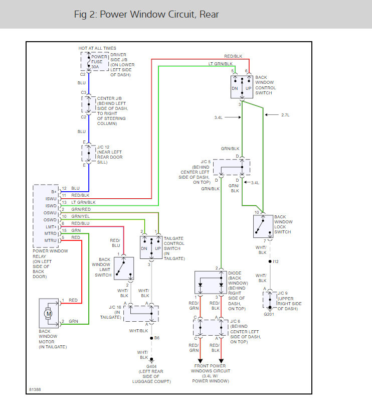
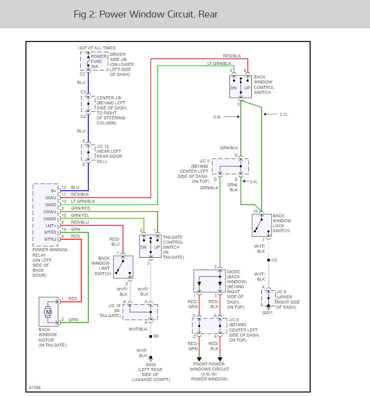
I was doing some work on the plastics today, and had to pull apart the dash and the switch holders for the power windows. When I went to put everything back together, my passenger side front, both the back and the rear power windows will not work. The driver side and the sun roof work, as well as all lights, and the radio and the power locks. I checked and recheck, and check 4 or 5 times more to make sure everything was connected, and still no power windows. What can this be?





