A/C relay location

Tiny
AROWOLO
  • MEMBER
  • 1995 TOYOTA 4RUNNER
  • 6 CYL
  • 4WD
  • AUTOMATIC
  • 95,000 MILES
I need to locate the a/c relay in my truck
Friday, May 2nd, 2008 AT 9:10 AM

5 Replies

Tiny
KEN L
  • MASTER CERTIFIED MECHANIC
  • 55,488 POSTS
Hello,

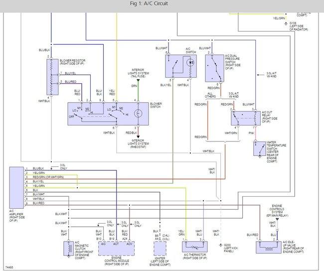
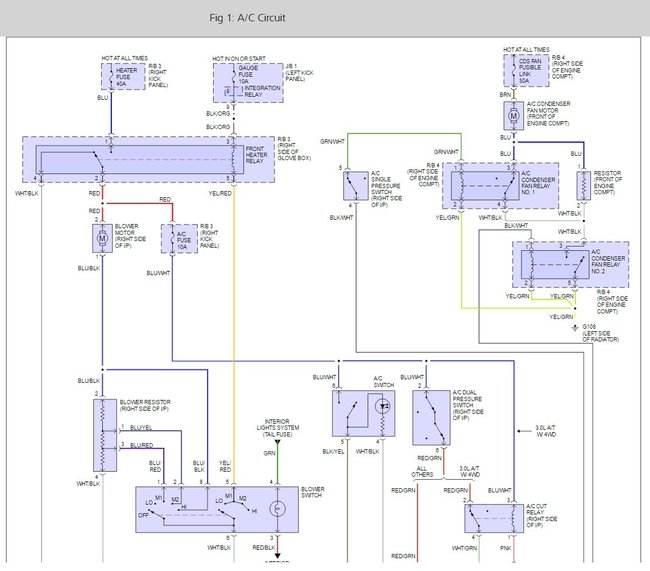
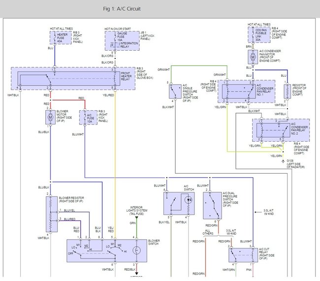
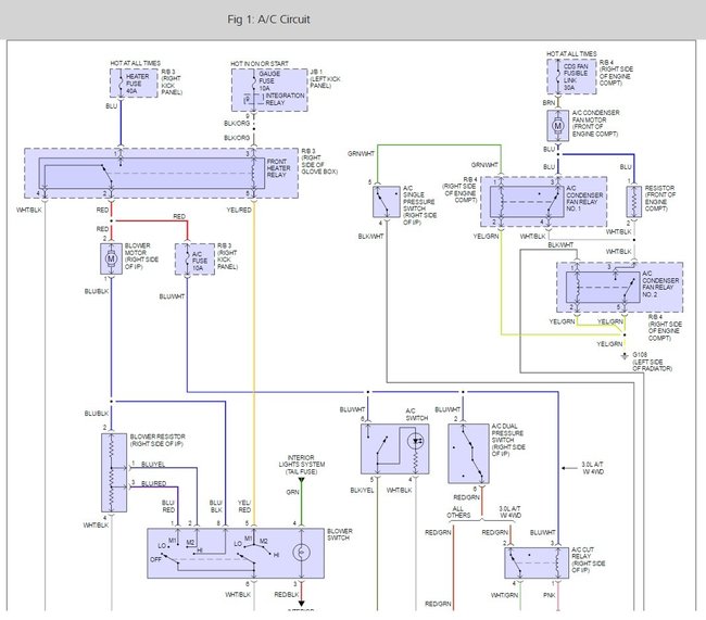
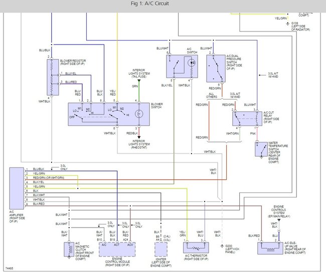
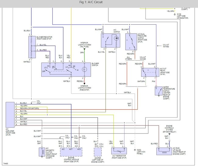
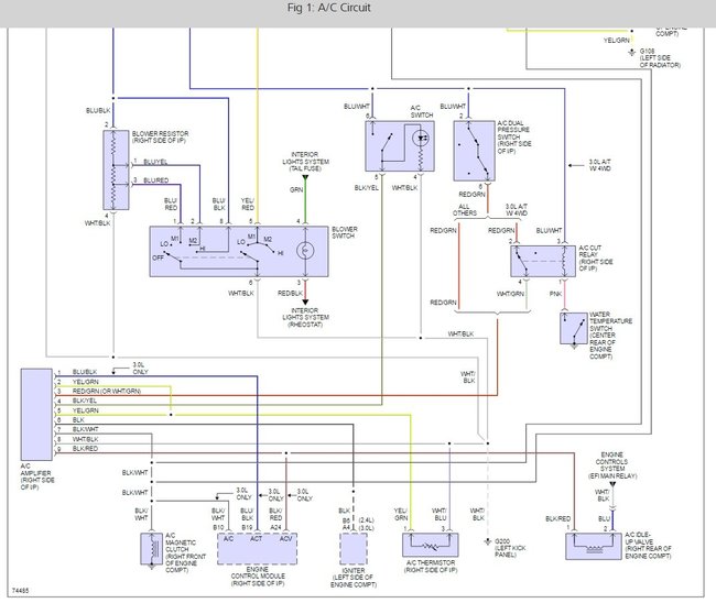
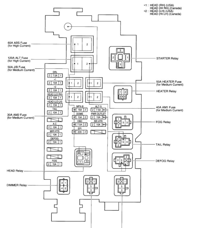
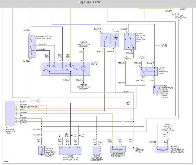
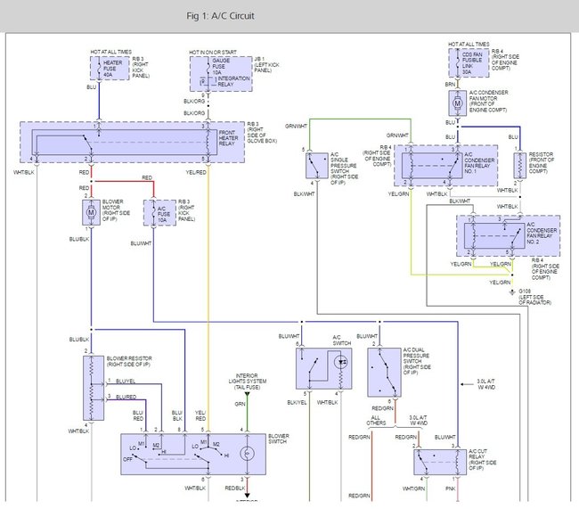
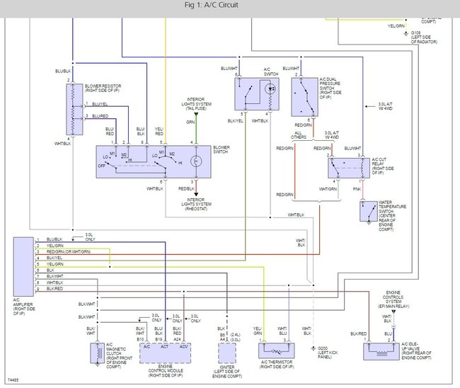
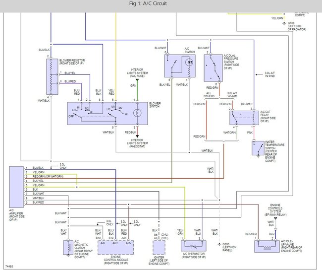
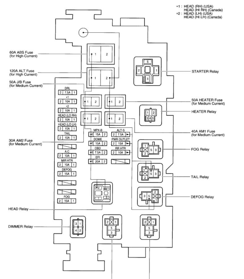
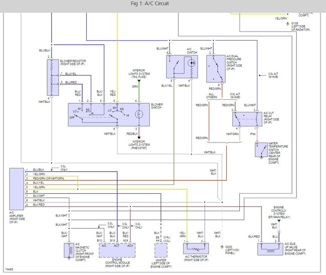
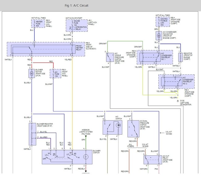
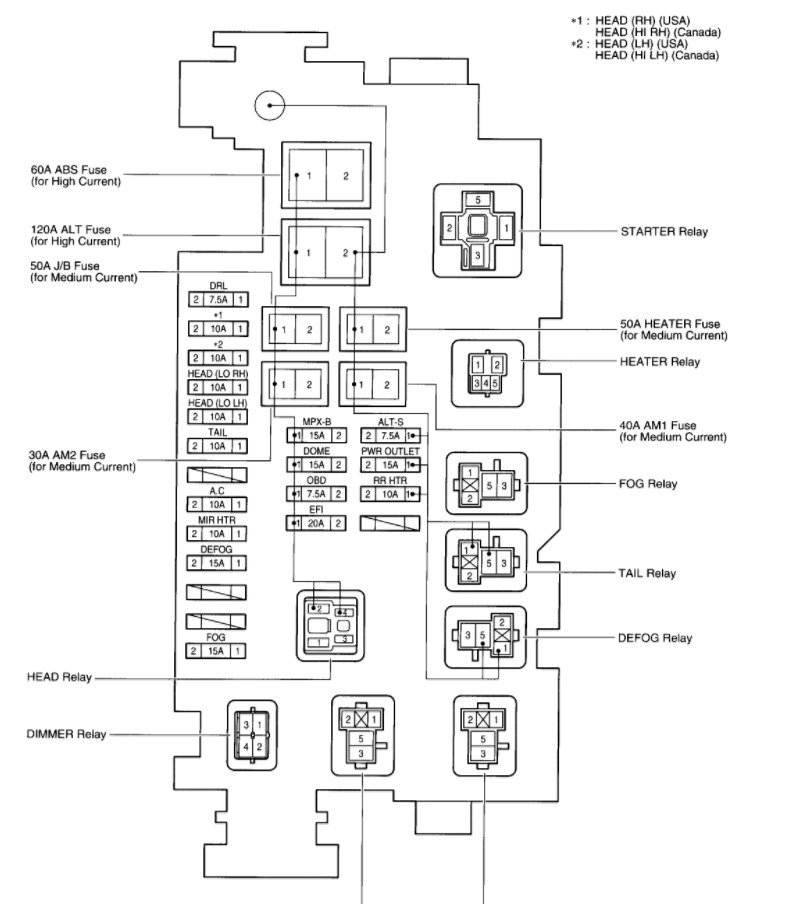
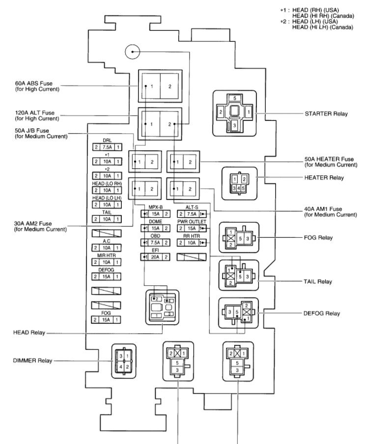
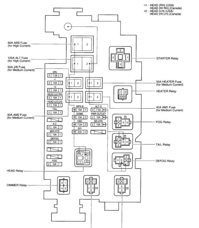
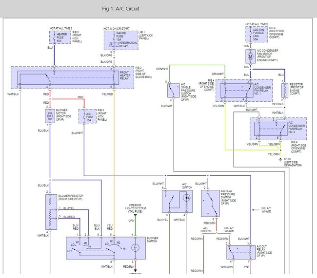
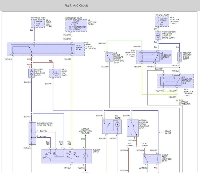
The air conditioner relay is called an AC out relay, here is some guides and some wiring diagrams along with the location of the ring to help you get the problem fixed. (below)

https://www.2carpros.com/articles/how-to-check-an-electrical-relay-and-wiring-control-circuit

and

https://www.2carpros.com/articles/how-to-use-a-test-light-circuit-tester

Please run some tests and get back to us so we can continue helping you.

(The location of the relay is in the diagrams below along with the air conditioner wiring)

Best, Ken

Was this
answer
helpful?
Yes
No
+3
Saturday, April 8th, 2017 AT 1:06 PM
Tiny
ZEALFUL12
  • MEMBER
  • 1 POST
  • 1999 TOYOTA 4RUNNER
  • 3.4L
  • V6
  • 2WD
  • AUTOMATIC
  • 240,000 MILES
Was told after I had recent work done on my truck that my A/C magnetic relay may be the reason the A/C all of a sudden stopped working. Common issue said mechanic. Says it located under and behind glove compartment, yet when I looked it had no relay located there. So, I need to know where it physically is on my vehicle. Air was working before I had it worked on and now not sure if it just went out based on this common issue or not. Please be precise as as to its location and if able a picture/diagram would be much appreciated.
Was this
answer
helpful?
Yes
No
-1
Tuesday, June 27th, 2017 AT 11:29 AM (Merged)
Tiny
KEN L
  • MASTER CERTIFIED MECHANIC
  • 55,488 POSTS
Hello,

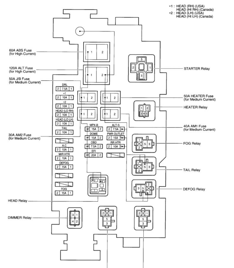
Here is a complete location finder (below) for the relays and fuses for your car and a guide to help you get the problem fixed.

https://www.2carpros.com/articles/how-to-check-an-electrical-relay-and-wiring-control-circuit

and

https://www.2carpros.com/articles/how-to-use-a-test-light-circuit-tester

Please let us know if you need anything else to get the problem fixed.

Cheers, Ken
Was this
answer
helpful?
Yes
No
+2
Tuesday, June 27th, 2017 AT 11:29 AM (Merged)
Tiny
BRENT248
  • MEMBER
  • 1 POST
  • 1995 TOYOTA 4RUNNER
  • 234,000 MILES
The fan has quit working, when I run a 12v lead to it it runs fine and the fuses are not blown. Have replace one relay but had no affect.
Was this
answer
helpful?
Yes
No
Sunday, March 31st, 2019 AT 8:22 AM (Merged)
Tiny
RASMATAZ
  • MECHANIC
  • 75,992 POSTS
Inspect and test the engine coolant temperature sensor, fan relay and wiring -last the computer
Was this
answer
helpful?
Yes
No
-2
Sunday, March 31st, 2019 AT 8:22 AM (Merged)

Please login or register to post a reply.