Torque for lower strut bolts

Tiny
MISSY ROGERS
  • MEMBER
  • 2002 CHEVROLET MALIBU
  • 4.3L
  • V6
  • 2WD
  • AUTOMATIC
  • 232,000 MILES
I need the torque for lower strut bolts.
Saturday, May 23rd, 2020 AT 4:59 PM

3 Replies

Tiny
DANNY L
  • MECHANIC
  • 5,648 POSTS
Hello, I'm Danny.

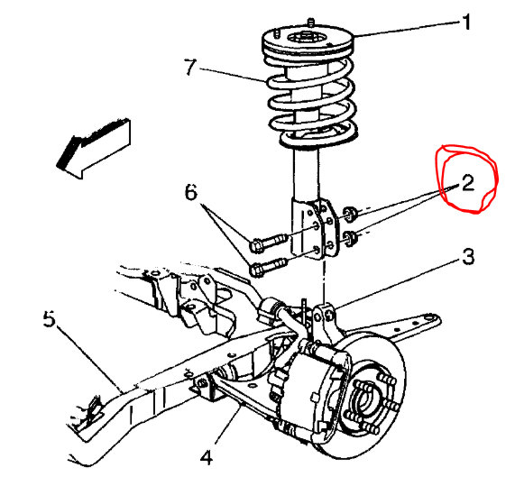
I've attached pictures below of the information you've requested. The top strut mounts require 20 ft lbs (#1 and 2) of torque and the lower strut mount bolts ( #2) require 133 ft lbs of torque. Hope this helps and thanks for using 2CarPros.
Was this
answer
helpful?
Yes
No
+4
Saturday, May 23rd, 2020 AT 5:37 PM
Tiny
MISSY ROGERS
  • MEMBER
  • 2 POSTS
Are those bottom ones the ones on the knuckle that you need to tightened after changing the CV axle?
Was this
answer
helpful?
Yes
No
+1
Saturday, May 23rd, 2020 AT 5:53 PM
Tiny
DANNY L
  • MECHANIC
  • 5,648 POSTS
Hello again.

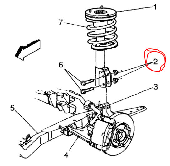
Yes, the bottom 2 bolts are required to be torqued to 133 ft lbs. Picture included below again. Hope this helps and thanks again for using 2CarPros.

Danny-
Was this
answer
helpful?
Yes
No
+3
Saturday, May 23rd, 2020 AT 11:44 PM

Please login or register to post a reply.