Monday, May 8th, 2023 AT 2:04 PM
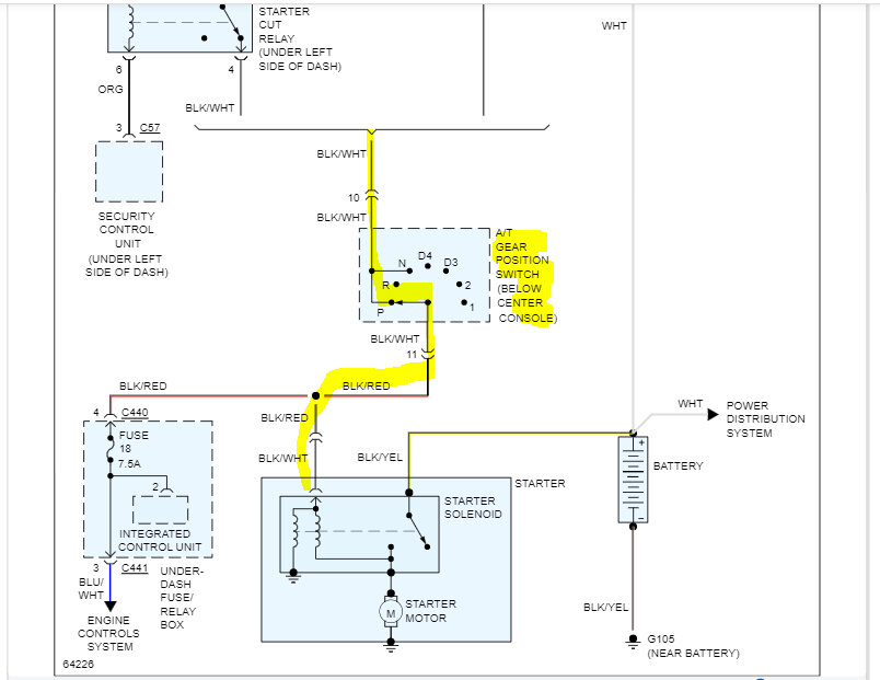
Changed timing belt car won't start. Checked all fuses all wires that I touched and it's in time perfectly, checked four times. When I turn the key, it does nothing; the radio turns off for a second like its pulling power to try and start but makes no noise and doesn't turn over. Valves are fine.




