Timing belt

Tiny
MARIOVICKIE8478
  • MEMBER
  • 2005 HONDA CIVIC
  • 4 CYL
  • FWD
  • AUTOMATIC
  • 80,000 MILES
How to replace timing belt?
Sunday, October 5th, 2008 AT 4:45 PM

34 Replies

Tiny
BRUCE HUNT
  • MECHANIC
  • 3,754 POSTS
Hello,

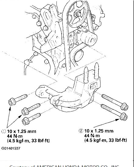
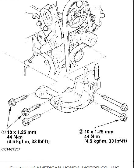
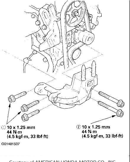
You must use a jack under he engine to hold it up, please disconnect the battery before you begin here are instructions of the timing belt replacement in the diagram below. Check out the diagrams (Below). Please let us know if you need anything else to get the problem fixed.
Was this
answer
helpful?
Yes
No
+5
Monday, October 6th, 2008 AT 11:17 AM
Tiny
ESSAUTOMOTIVE2015
  • MEMBER
  • 1 POST
  • 2004 HONDA CIVIC
  • 1.7L
  • 4 CYL
  • AUTOMATIC
  • 150,000 MILES
I am having trouble timing my Honda! We just replaced the head in it and now I have the new timing belt in but am stumped!
Was this
answer
helpful?
Yes
No
+1
Sunday, January 5th, 2020 AT 5:38 PM (Merged)
Tiny
HMAC300
  • MECHANIC
  • 48,601 POSTS
See pics also turn engine over after crank pulley installed 5/6 times then recheck cam pulley.

https://www.2carpros.com/diagrams/honda/civic/2004

Check out the diagrams (Below). Please let us know if you need anything else to get the problem fixed.
Was this
answer
helpful?
Yes
No
+2
Sunday, January 5th, 2020 AT 5:38 PM (Merged)
Tiny
ROCKET931
  • MEMBER
  • 1 POST
  • 2002 HONDA CIVIC
Other Category problem
2002 Honda Civic 4 cyl Wheel Drive Type unknown Automatic 115, 00 miles

I'm checking on prices for a timing belt. On the average the price is at an average of $20.00. My mechanic is charging me $650 to replace my timing belt. I know the average for something like this is $500.
Was this
answer
helpful?
Yes
No
+1
Sunday, January 5th, 2020 AT 5:38 PM (Merged)
Tiny
TOPGUN1226
  • MEMBER
  • 29 POSTS
I was quoted about 650 for Honda to do the timing belt, the other belt (I think it's the serpentine, not sure on Hondas), and water pump/coolant.

I also got a 10% off coupon from the sales guy because I was like, well, 650 is a lot, there's a garage nearby that is considerably less, but I want you to fix it since I know it'll get done right. So he gave me a 10% discount.
Was this
answer
helpful?
Yes
No
Sunday, January 5th, 2020 AT 5:38 PM (Merged)
Tiny
RKG_007
  • MEMBER
  • 3 POSTS
  • 2002 HONDA CIVIC
Other Category problem
2002 Honda Civic Engine Size unknown Wheel Drive Type unknown Manual 90000 miles

I want to buy a used car?I wana know generally when should the timing belt/chain be replaced for honda, toyota, nissan?

I am looking at this 2002 civic with 90K miles. Does it need the belt to be replaced?

Whats the general criteria for hondas, toyotas n nissans(1998 n after).90K/105K miles or 6/8 years?

Pls advise.
Was this
answer
helpful?
Yes
No
Sunday, January 5th, 2020 AT 5:38 PM (Merged)
Tiny
MASTERTECHTIM
  • MECHANIC
  • 4,750 POSTS
Rule of thumb is 60,000 but no more than 100,000 hope this helps. Feedback is much appreciated.
Was this
answer
helpful?
Yes
No
+1
Sunday, January 5th, 2020 AT 5:38 PM (Merged)
Tiny
RKG_007
  • MEMBER
  • 3 POSTS
I did some googling. It says. For newer hondas. Its 105K miles.N so I am confused.(The car is not used in extreme conditions)

and how about for cars with timing chain? And for those which are like 98-00 model but less mileage approx 50-70K miles?
Was this
answer
helpful?
Yes
No
Sunday, January 5th, 2020 AT 5:38 PM (Merged)
Tiny
TOPGUN1226
  • MEMBER
  • 29 POSTS
Timing chains don't need to be replaced. Timing belts were implemented to make it cheaper and keep costs down, chains are expensive.
Was this
answer
helpful?
Yes
No
+2
Sunday, January 5th, 2020 AT 5:38 PM (Merged)
Tiny
SANAHAN
  • MEMBER
  • 1 POST
  • 2002 HONDA CIVIC
Engine Performance problem
2002 Honda Civic 4 cyl Front Wheel Drive Automatic

my civic has 555000 km with second motor. Since I change second motor I put 250000 km. Engine compression readings are 180 180 180 150. Do I have to replace the motor again?Because I have not done the timing belt or water pump yet. Please help me to choose which is bwst option for me.I klick 300 km every day. Thanks
Was this
answer
helpful?
Yes
No
Sunday, January 5th, 2020 AT 5:38 PM (Merged)
Tiny
KHLOW2008
  • MECHANIC
  • 41,814 POSTS
Hi sanahan,

Wow, you really are a high flyer ;)

With your amount of travel, I would say a new motor is the better option and the job can be completed faster than a rebuild.
Was this
answer
helpful?
Yes
No
Sunday, January 5th, 2020 AT 5:38 PM (Merged)
Tiny
SASQUACH60
  • MEMBER
  • 1 POST
  • 2002 HONDA CIVIC
  • 4 CYL
  • FWD
  • AUTOMATIC
  • 950,000 MILES
What is the average cost of a timing belt replacement
Was this
answer
helpful?
Yes
No
Sunday, January 5th, 2020 AT 5:38 PM (Merged)
Tiny
MMPRINCE4000
  • MECHANIC
  • 8,548 POSTS
Anywhere from 3-6 hours labor plus parts. Depends if you replace the tensioner along with belt.
So find the shop hourly rate, belt is around $30 and tensioner is $110, the shop would probably mark it up some (or a lot). You could be looking at $400-700.

It is also important that the belt is changed before the maximum interval, Honda's are interference engines, if belt breaks, you can be looking at a MAJOR expense.

Ps. Does it have 95K or 950K miles :)
Was this
answer
helpful?
Yes
No
+1
Sunday, January 5th, 2020 AT 5:38 PM (Merged)
Tiny
RACEFAN966
  • MECHANIC
  • 5,029 POSTS
Ok here is what I found. Now keep in mind I am including replacing the cam and crankshaft seals as the only difference it the price in part as you are already there at this time so the labor don't change but a about 20 dollars or so ok.
Labor comes to around $255
parts are as follows Belt at $22 dollars and the seals are cam seals at about $5 and the crank seal at $8. The only things that might add to the cost is if any of the idles or the tensioner is bad and if you are going to replace any of the fan belts as this will cost no more in labor either because they must come off to do the job so they are only more in parts. Hope this helps. Thanks.
Was this
answer
helpful?
Yes
No
Sunday, January 5th, 2020 AT 5:38 PM (Merged)
Tiny
VIKRAMSNEST
  • MEMBER
  • 1 POST
  • 2002 HONDA CIVIC
  • 4 CYL
  • FWD
  • AUTOMATIC
  • 102,000 MILES
Hi,
I have Honda civic lx 2002. Engine: 1.7L I4 MPI.
1) Does this car have a timing belt or chain,
2)When should I replace my timing belt and water pump.
3)cost for this.
Was this
answer
helpful?
Yes
No
Sunday, January 5th, 2020 AT 5:38 PM (Merged)
Tiny
WRENCHTECH
  • MECHANIC
  • 20,761 POSTS
It does have a timing belt. The recommended change interval for that engine is 110K under normal conditions.
The labor to replace the belt is 2.7 hours and maybe an extra hour for the water pump. The parts could run a couple hundred dollars.
Was this
answer
helpful?
Yes
No
Sunday, January 5th, 2020 AT 5:38 PM (Merged)
Tiny
BPBICK
  • MEMBER
  • 1 POST
  • 2002 HONDA CIVIC
  • 4 CYL
  • 2WD
  • AUTOMATIC
  • 140,000 MILES
Does a 2002 Honda Civic EX 4 door sedan have a timing belt or chain? I'm considering purchasing a used Civic with 140,000 miles on it.
Was this
answer
helpful?
Yes
No
Sunday, January 5th, 2020 AT 5:38 PM (Merged)
Tiny
MHPAUTOS
  • MECHANIC
  • 31,937 POSTS
Hi there,

This engine has a timing belt, it should have been changed at 110,000 Mls.

Mark (mhpautos)
Was this
answer
helpful?
Yes
No
Sunday, January 5th, 2020 AT 5:38 PM (Merged)
Tiny
PITCREW94
  • MEMBER
  • 18 POSTS
This civic have timming Belt. It should be replace 90,000 Miles.
Was this
answer
helpful?
Yes
No
+2
Sunday, January 5th, 2020 AT 5:38 PM (Merged)
Tiny
SHINNERYOAK
  • MEMBER
  • 1 POST
  • 2002 HONDA CIVIC
  • 4 CYL
  • 2WD
  • MANUAL
  • 150,000 MILES
I'm pretty are my timing belt went out on my civic while I was driving it, I've heard there's a good possibility this could have messed up the engine, I want to know what the odds are that the engine is ruined?
Was this
answer
helpful?
Yes
No
Sunday, January 5th, 2020 AT 5:38 PM (Merged)

Please login or register to post a reply.