How do I replace the timing belt?

Tiny
ARIANADANIELLE5345
  • MEMBER
  • 1999 SUBARU OUTBACK
  • 2.7L
  • AUTOMATIC
  • 100,000 MILES
On 1997 Subaru Outback, I meant to select 2.5. The timing seems to have slipped.
Saturday, February 25th, 2023 AT 5:54 AM

1 Reply

Tiny
KEN L
  • MASTER CERTIFIED MECHANIC
  • 55,297 POSTS
Hello,

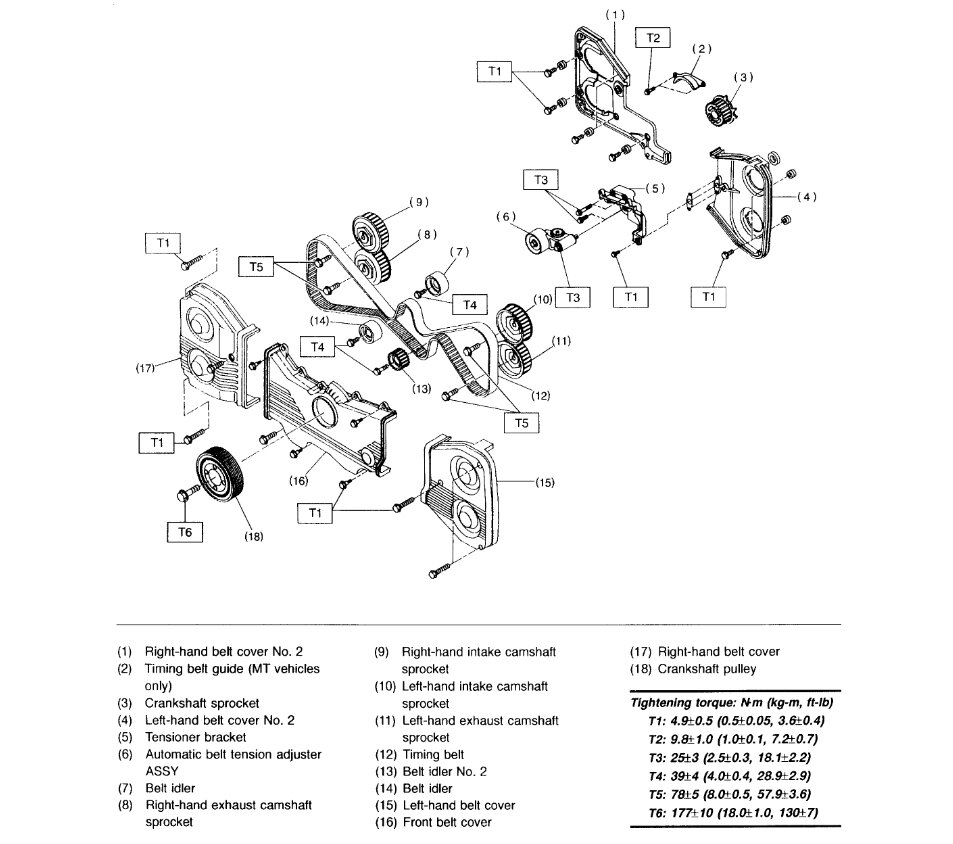
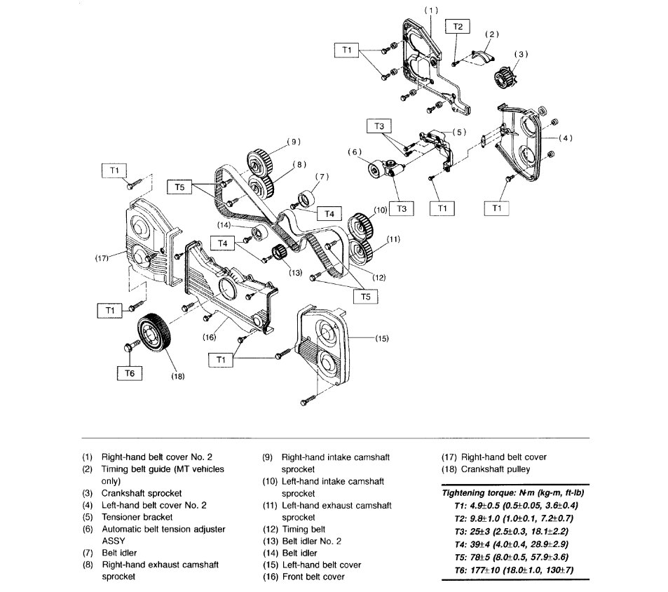
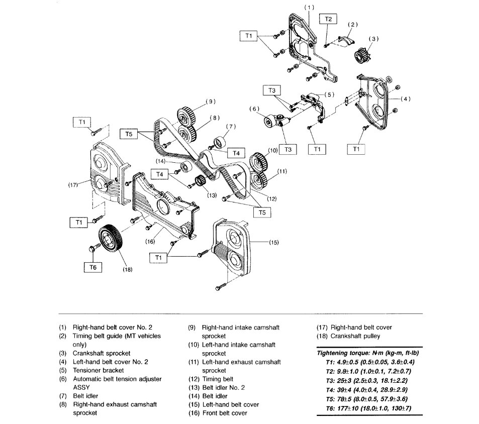
Here are the instructions on how to replace the timing belt and the camshaft and crankshaft seals if needed, it also shows how to reset the timing belt tensioner. I would use an electric impact gun to loosen and tighten the harmonic balancer retention bolt. You may need to remove the radiator before you begin. Check out the images (below). Please let us know if you need anything else to get the problem fixed.
Was this
answer
helpful?
Yes
No
Saturday, February 25th, 2023 AT 5:46 PM

Please login or register to post a reply.