Tuesday, January 18th, 2022 AT 5:20 PM
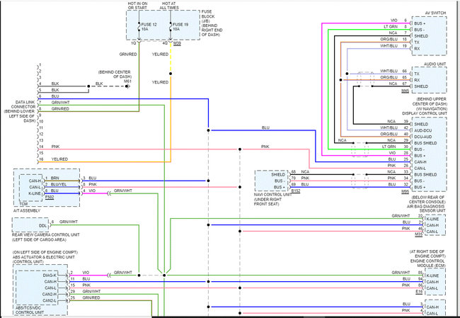
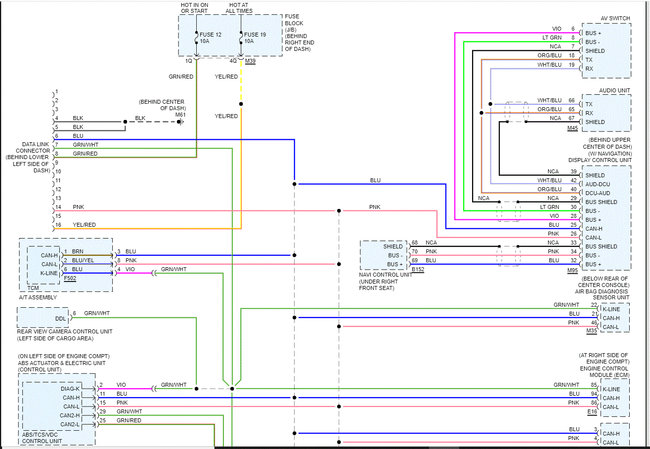
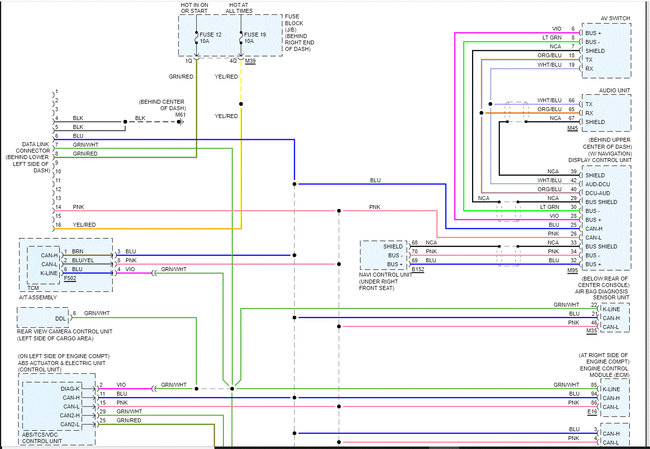
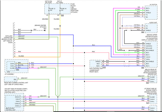
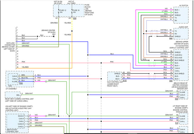
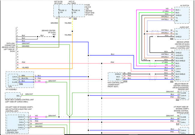
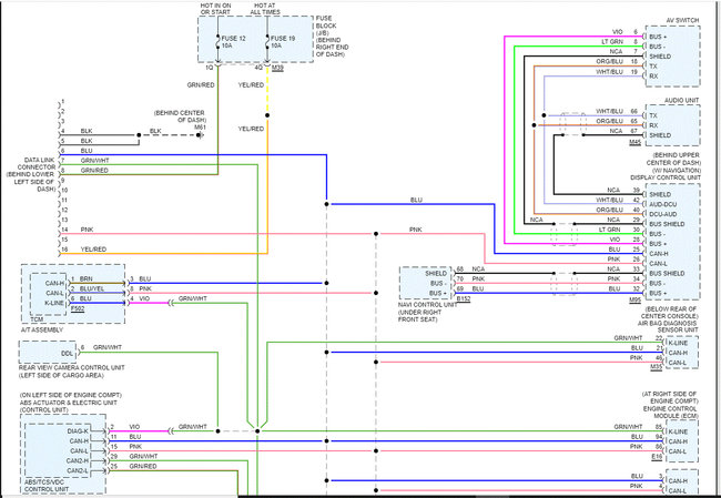
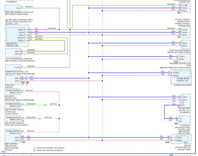
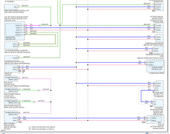
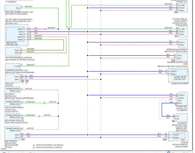
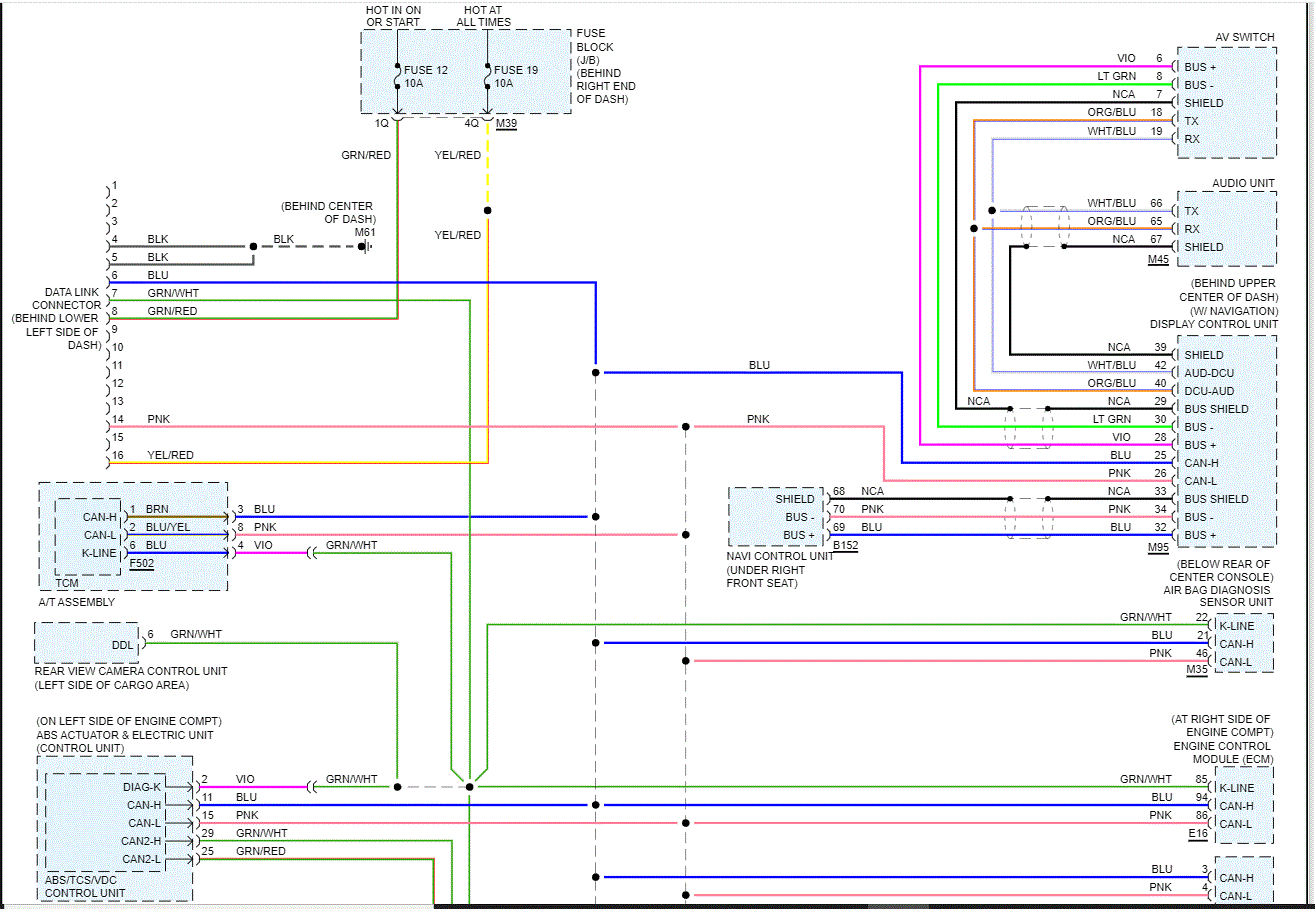
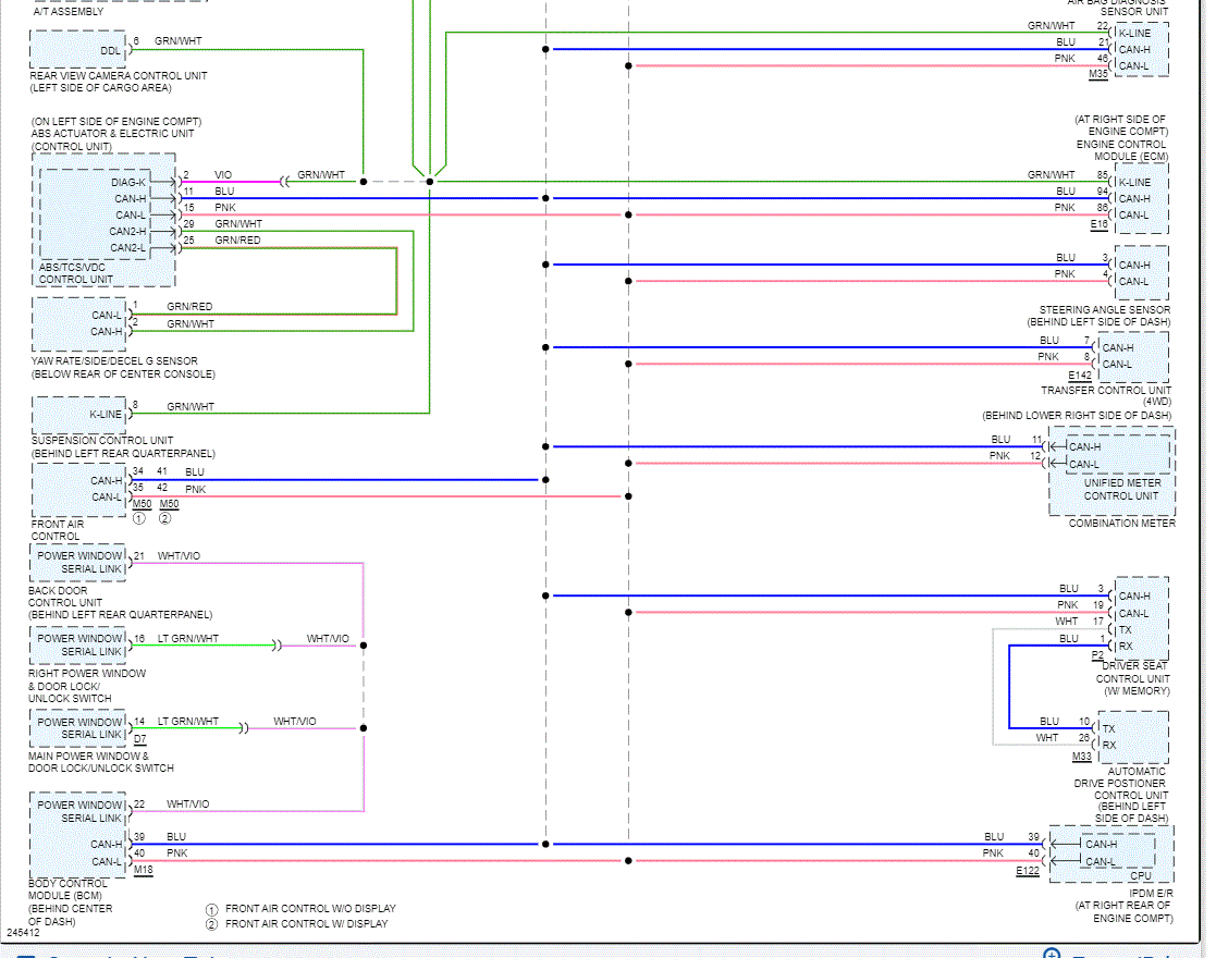
Okay, I need to know which wires go to where on the throttle body sensor. It's a 6-pin harness plug with a yellow, a red, 2 blue with one with a black stripe and the other white. Also, a white wire and black. But there's these non-colored wires coming out next to the shielded blue wires with the strip being white and the other blue wire with a stripe and there's a shielded yellow wire with a non-colored next to it in the same shielded wire conduit.















