I've already done the following:
Replaced to a new throttle body.
Change the IPDM Module.
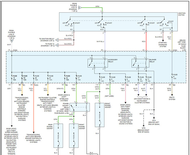
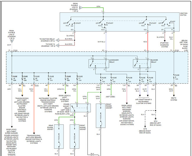
checked the connector for damage wires or pins, all are good.
I've replaced relays and fuses.
I checked voltage and I found out that in 4 of the 6 pins have 12v and the other 2 have 6v.
At this point I'm thinking do I have to replace the ECM?
Please let me know what could it be or what else I have to check.
Thanks
Monday, March 17th, 2025 AT 5:11 AM

















