Code B2798, does not start?

Tiny
MALLYBOY
  • MEMBER
  • 2001 TOYOTA COROLLA
  • 1.8L
  • 4 CYL
  • 2WD
  • AUTOMATIC
  • 662,814 MILES
This vehicle does not start, and I diagnosed it and detected this code: B2798- communication malfunction no.2 and what actually is the cause of this code?
Thursday, August 4th, 2022 AT 12:06 AM

9 Replies

Tiny
JACOBANDNICKOLAS
  • MECHANIC
  • 110,194 POSTS
Hi,

Here's what this code typically indicates:

B2798 - Immobilizer System Malfunction

Have you tried a different key? The code, which for some reason listed for this model, in most cases indicates there is an issue with the recognition of the key/immobilizer. Do you have a spare key?

If you do, try it and let me know if it makes a difference.

Take care,

Joe
Was this
answer
helpful?
Yes
No
Thursday, August 4th, 2022 AT 5:51 PM
Tiny
MALLYBOY
  • MEMBER
  • 338 POSTS
Do you have a spare key? No, but I want to change transponder chip and use 35mins programming to program it.
But please can I get the immobilizer to ECM wire diagram of this model to first check for open circuit and voltage test?
Was this
answer
helpful?
Yes
No
+1
Thursday, August 4th, 2022 AT 8:06 PM
Tiny
JACOBANDNICKOLAS
  • MECHANIC
  • 110,194 POSTS
Hi,

that is where I'm running into trouble. The code isn't listed for this specific vehicle. When I try to find wiring related to the immobilizer, nothing is available.

I would be happy to give them to you, but I can't find anything.

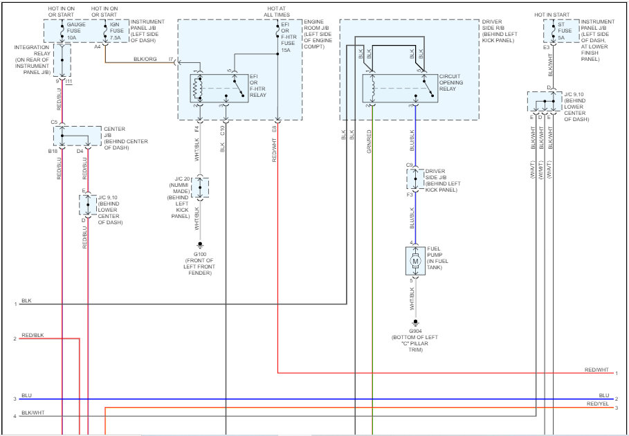
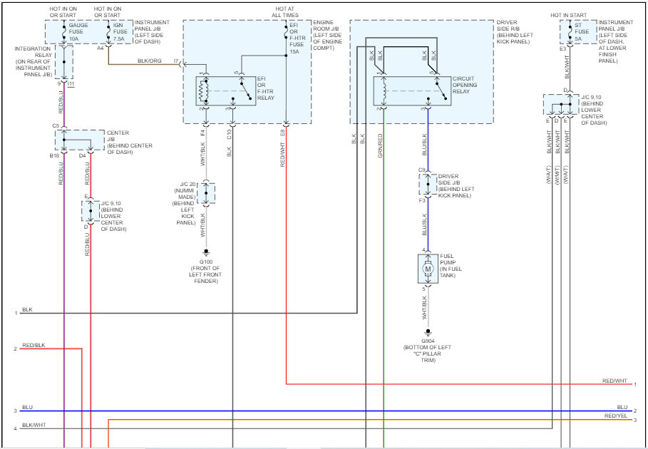
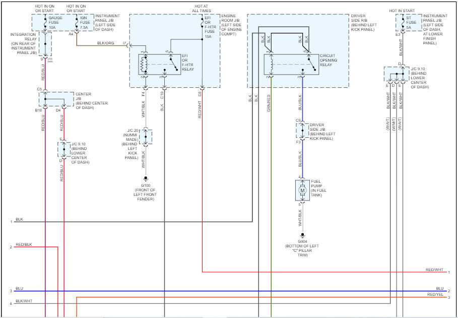
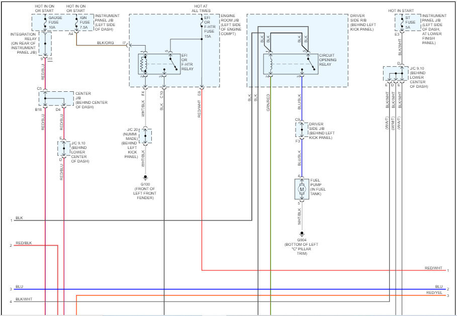
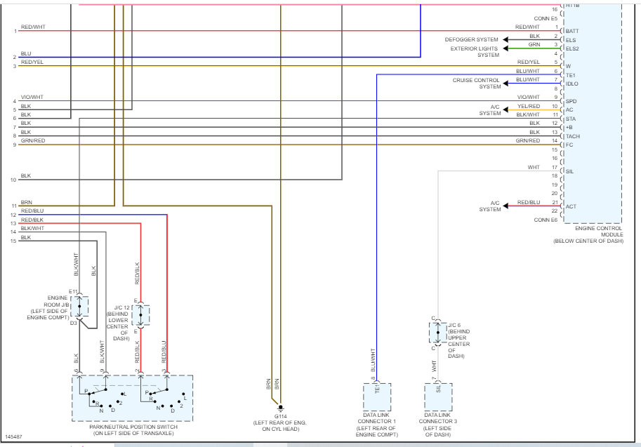
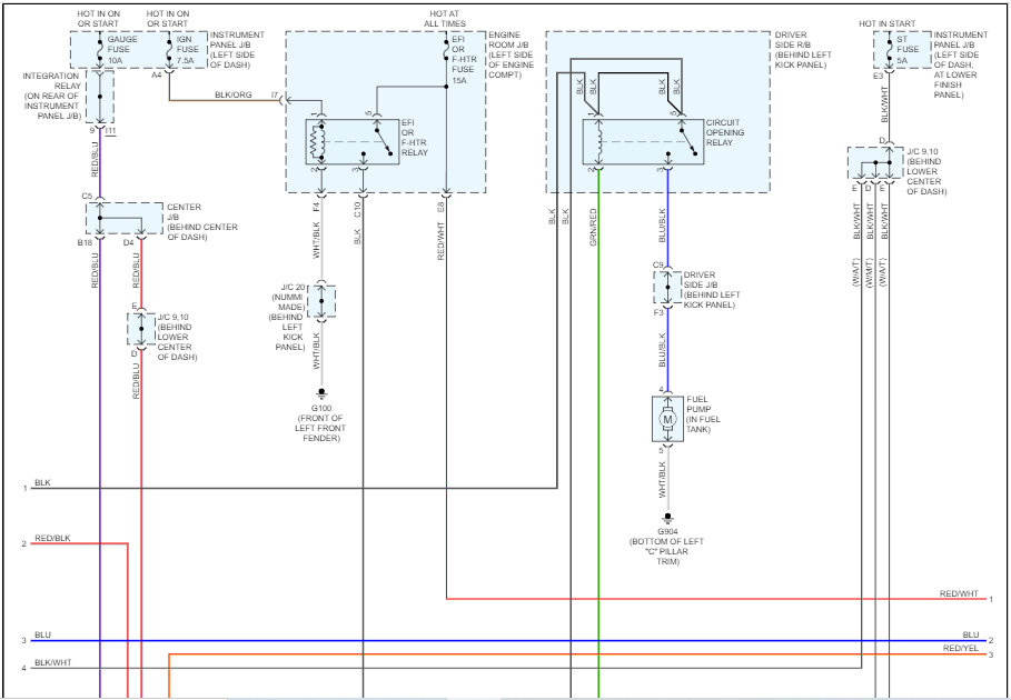
I did attach the schematics for the entire powertrain management system which should include what you are looking for, but it's not there.

Let me know.

Take care,

Joe

See pics below. Note: There are three pages of schematics. I had to cut each one in half to make them readable. I did overlap them so you can follow from one to the next.
Was this
answer
helpful?
Yes
No
+2
Friday, August 5th, 2022 AT 4:35 PM
Tiny
MALLYBOY
  • MEMBER
  • 338 POSTS
The vehicle started after I wiped the fault code.
I disconnected the immobilizer connector and it failed to start and the code changed to B2796. I plugged it in and cranked, it started. I removed the transponder chip and cranked, it didn't start, and I diagnosed and still that B2796. I put the transponder chip by the side of the key, and it started. Since then, no issue yet.
Was this
answer
helpful?
Yes
No
+1
Sunday, August 7th, 2022 AT 10:12 AM
Tiny
JACOBANDNICKOLAS
  • MECHANIC
  • 110,194 POSTS
Hi,

That is good news and thank you for the update. Please feel free to come back anytime in the future.

If things change, let me know.

Take care,

Joe
Was this
answer
helpful?
Yes
No
Sunday, August 7th, 2022 AT 10:00 PM
Tiny
MALLYBOY
  • MEMBER
  • 338 POSTS
Things have changed. The vehicle started the problem of not recognizing key and key indicator remains on when you insert key in ignition switch. I diagnosed and detect B2796. And I decided to change the key amplifier/immobilizer module.
Was this
answer
helpful?
Yes
No
Wednesday, August 10th, 2022 AT 1:36 PM
Tiny
JACOBANDNICKOLAS
  • MECHANIC
  • 110,194 POSTS
Hi,

Has that taken care of the issues?

Let me know.

Joe
Was this
answer
helpful?
Yes
No
Wednesday, August 10th, 2022 AT 3:43 PM
Tiny
MALLYBOY
  • MEMBER
  • 338 POSTS
Finally transponder chip was replaced and programmed and the Key light off immediately it was inserted in the key cylinder and vehicle started.
Was this
answer
helpful?
Yes
No
Sunday, August 14th, 2022 AT 1:16 AM
Tiny
JACOBANDNICKOLAS
  • MECHANIC
  • 110,194 POSTS
Hi,

That's good news. I'm glad to know it's running for you again and thank you for the update.

Please feel free to come back anytime in the future if you have questions. You are always welcome here.

Take care,

Joe
Was this
answer
helpful?
Yes
No
+1
Sunday, August 14th, 2022 AT 7:15 PM

Please login or register to post a reply.