Does not crank over

Tiny
RFORD00
  • MEMBER
  • 1 POST
  • 2001 CHRYSLER SEBRING
  • 2.7L
  • V6
  • FWD
  • AUTOMATIC
  • 70,000 MILES
Replaced starter several months ago due to the fuse #8 problem starter was bad. Same type of problem but no fuse blow and radio and temp/compass come back on when the key is released from he start position. Starter wires are good and tight battery is new alternator new also. Any Ideas where to check next. Also checked ignition switch when key is turned to start a wire does light up test light.
Was this
answer
helpful?
Yes
No
Friday, October 18th, 2019 AT 1:47 PM (Merged)
Tiny
HMAC300
  • MECHANIC
  • 48,601 POSTS
Check items in pic fusible link may ony have a few strands causing problem or fuse not making good contact with fuse box.
Was this
answer
helpful?
Yes
No
+2
Friday, October 18th, 2019 AT 1:47 PM (Merged)
Tiny
SEBRING LADY
  • MEMBER
  • 1 POST
  • 2001 CHRYSLER SEBRING
  • 6 CYL
  • FWD
  • AUTOMATIC
  • 97,000 MILES
Car won't crank. Nothing happens when key is turned on. I have head lights, interior lights, and the buzzer comes on when the key is turned on. I do not have any of the dash lights like the oil, seatbelt, check engine, etc. It's been put on a battery charger and the batter is charged. What could be wrong?
Was this
answer
helpful?
Yes
No
Friday, October 18th, 2019 AT 1:47 PM (Merged)
Tiny
GEORGEEVANS1978
  • MEMBER
  • 1 POST
  • 2001 CHRYSLER SEBRING
  • 6 CYL
  • FWD
  • AUTOMATIC
  • 122,000 MILES
The other day my wife was out and the car would not start. After a guy jumped it off for about 15 min and wiggle the wires while she turned the key- it finally started. She came home, the next day it would not start, jumped it off, bought a new battery, not the reasoning, had the selnoid checked, lights come on, radio comes on, but when you turn the key it just clicks and engine dosent turn over. Start will not engaged.
Was this
answer
helpful?
Yes
No
Friday, October 18th, 2019 AT 1:47 PM (Merged)
Tiny
RASMATAZ
  • MECHANIC
  • 75,992 POSTS
No crank at all/nothing/nada:

Could be the starter, starter relay, park and neutral switch and ignition switch assuming the battery and connections are good.
Was this
answer
helpful?
Yes
No
Friday, October 18th, 2019 AT 1:47 PM (Merged)
Tiny
EDMOND5
  • MEMBER
  • 2 POSTS
  • 2001 CHRYSLER SEBRING
  • 6 CYL
  • FWD
  • AUTOMATIC
  • 124,578 MILES
Had small laek in radiator, gauge showed not hot. After stop to change hose would not crank after for hour then ran 2 miles home. Finised cheking fluids 4 hous later triying to crank but wont. Help what can I try
Was this
answer
helpful?
Yes
No
Friday, October 18th, 2019 AT 1:47 PM (Merged)
Tiny
CARADIODOC
  • MECHANIC
  • 34,463 POSTS
Specify the symptoms. Do you hear one loud clunk from the starter? If so, cycle the ignition switch from "run" to "crank" multiple times. If it eventually cranks, suspect worn contacts in the solenoid. They can be replaced but most people just replace the entire starter.

Caradiodoc
Was this
answer
helpful?
Yes
No
Friday, October 18th, 2019 AT 1:47 PM (Merged)
Tiny
JAMES A. LEU
  • MEMBER
  • 2 POSTS
  • 2001 CHRYSLER SEBRING
  • 6 CYL
  • 2WD
  • AUTOMATIC
  • 92,000 MILES
The battery seems OK in that all accessories work. There was no forewarning of a problem, no reason to believe anything happened to wiring, no recent accident or repair. Trsnsmission shift lever seems to be engaging allright re: interlink. There is no sound whatsoever as ignition key is turned.
Was this
answer
helpful?
Yes
No
Friday, October 18th, 2019 AT 1:47 PM (Merged)
Tiny
JACOBANDNICKOLAS
  • MECHANIC
  • 110,192 POSTS
When this happens, have a helper turn the key to the start position while you check for voltage to the smaller wire on the starter. You should have 12+ volts.

Let me know what you find.
Was this
answer
helpful?
Yes
No
Friday, October 18th, 2019 AT 1:47 PM (Merged)
Tiny
SEPTR
  • MEMBER
  • 1 POST
  • 2000 CHRYSLER SEBRING
  • 2.5L
  • V6
  • AUTOMATIC
  • 137,000 MILES
2000 Chrysler Sebring Convertible. Forgive my ignorance in some area, I am not experienced with cars in the slightest. I have only gotten to as far as I’m at now by googling my symptoms for a very long time with no luck on a solution.

Symptoms Before No Crank/No Start:

Dies while idling.
Sometimes it would crank longer than normal before it eventually start.
“ABS” light on (I don’t think this is related)
“Trac off” on ( I don’t think this is related)

Symptoms After No Crank/No Start:

Turning key - no sound, no crank, no clicking, all inside electricals turn on including radio.
Same symptoms for park, neutral, and all gears.

Now I checked fuse 8 (20a), it looks fine. But to be sure I swap it with several surrounding 20a fuses, no change.

I checked the ASD relay and Starter relay. Swapped them around with the fan relays (identical part number) many times with no change.

I am getting a spark.

Heres where this start getting specific... Shorting out the starter causes the gear motor to spin, but doesn’t actually turn it on fully or crank. However, pulling the plastic case from the starter relay and shorting it causes the starter to crank. The engine does not turn over still.

While these test were being performed the key was in the fully forward position for example the four positions, I believe, are acc-off-run-start (I am unsure if this is accurate or not). I also attempted manually tripping both the ASD relay and the Starter relay simultaneously to perhaps influence some fuel to be directed to wherever it might need to go.

Now then, I sprayed starter fluid in whilst manually tripping the Starter relay, and it will turn over briefly.

Things I have not tried:

Removing battery terminals for attempting a hard reset, mainly due to the very inconvenient battery location.

Bypassing the Neutral Safety Switch located in the transmission.

I don’t know how or have the gauge to check fuel pressure.

I have not attempted to manually spin the crankshaft (I think thats what it’s called) with a socket wrench. I did try to tug on the belt to see if it would easily turn by hand but it was stiff.

I have not tried installing a new Ignition Key/Switch. (I assume that involves resetting or reconfiguring some sort of securty or controller device so I don’t just get locked out by the alarm anti theft stuff.) If it is just a simple drop in replacment type install then I would like to know that as well.

What I really need is someone to chime in and let me know what and how I should check in order to rule out and narrow down my possibilities. Replacing things one by one is not an option for me until I have exhausted every option that requires little to no spending. I don’t mind buying little things if I need them to test, but purchasing an entire starter, for example, just to perform a trial and error’ test is the kind of thing I’m trying to avoid for now.

I want to thank you for your time and thank you for any replies in advance. I naturally depend very much on my vehicle, and need it fixed as soon as possible.
Was this
answer
helpful?
Yes
No
Friday, October 18th, 2019 AT 1:47 PM (Merged)
Tiny
CARADIODOC
  • MECHANIC
  • 34,463 POSTS
First lets clear up a few things so we're talking about the same symptoms. "Cranking" and "turning over" are the same thing. It has to be turning over to have spark, but if you have to bypass or hand-activate the starter relay to make the starter crank the engine, there are multiple problems if the engine still won't start when you do that.

If you have spark during cranking, that verifies about 95 percent of the circuitry is working. That leaves the fuel pump and valve timing. You should hear the hum of the fuel pump for one second after turning on the ignition switch. It should turn on again during cranking but you won't be able to hear that. If your engine has a fuel pressure test port on the fuel rail, you can press the valve to see if there's pressure there. It looks like a tire valve. If there's proper pressure, the fuel will spray a few feet in the air.

Don't disconnect the battery. There is nothing to "reset", and you will introduce new problems. You'll erase any fault codes that have been stored, and you'll lose that valuable information. Also, the engine idle speed will be so low that it will be hard to start even when all the other problems are fixed, and it will stall at stop signs.
Was this
answer
helpful?
Yes
No
+1
Friday, October 18th, 2019 AT 1:47 PM (Merged)
Tiny
BRALDEN
  • MEMBER
  • 34 POSTS
  • 2000 CHRYSLER SEBRING
  • 6 CYL
  • 2WD
  • AUTOMATIC
  • 145,000 MILES
I've checked all of the fuses one by one and they are all good. The battery voltage is good. A friend was filling the AC system with the car running and the car just died. Just shut down, quit. Car will not crank, SOB! I jumped the starter with the key on and it cranked very well but no hint of starting. No spark or fuel. Is there an anti-theft module on this car and if possible, can I re-sink the modules with a scanner? I will have to borrow one. The instrument cluster says, "No bus." VIN is 3C3EL45H4YT245468. It is a 2000 Sebring JX convertible. I also found out that the car had been in a major accident a long while back and was pieced together with another car! OOOOOHHHH BOY!
Was this
answer
helpful?
Yes
No
Friday, October 18th, 2019 AT 1:47 PM (Merged)
Tiny
KHLOW2008
  • MECHANIC
  • 41,814 POSTS
Hi Bralden,

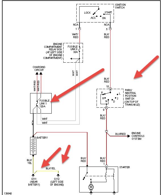
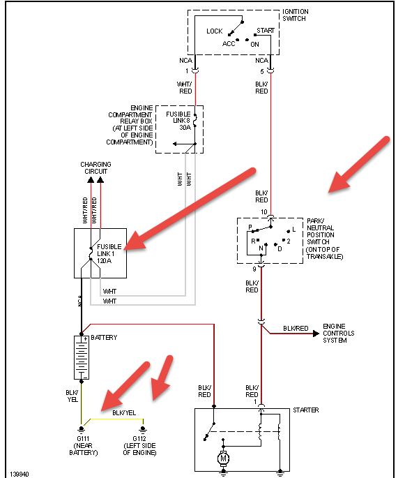
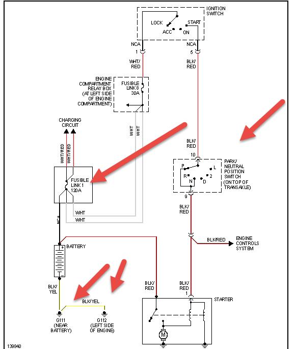
Getting a scanner to check for trouble codes would be a good idea before we continue further. If any codes are present, it may tell us what has gone wrong but it sounds liker the instrument cluster has gone bad which is common. (starter relay location below)

We shall start with the starting circuit first

From the schematic, check if power is available at the starter relay terminal # 87, hot at all times and terminal # 82, hot in START position.


https://www.2carpros.com/forum/automotive_pictures/192750_Starting00SebringFig35a_1.jpg



https://www.2carpros.com/forum/automotive_pictures/192750_Starting00SebringFig35b_1.jpg



https://www.2carpros.com/articles/how-to-check-an-electrical-relay-and-wiring-control-circuit

Check out the diagrams (Below). Please let us know what happens.
Was this
answer
helpful?
Yes
No
Friday, October 18th, 2019 AT 1:47 PM (Merged)
Tiny
BRALDEN
  • MEMBER
  • 34 POSTS
(1)I borrowed a tester from a friend but will not communicate with the car to retrieve any fault codes.
(2) the dash indicator lights are showing, i.E. Red oil cup for oil pressure, "Service Engine Soon" lights up after you attempt to start and release the key, that is when the window that displays the PRNDL shows up "No BUS, the fuel gauge registers 1/2 tank which is about right.
(3) Yes, the red wire from the Battery + post to fuse #8, to terminal #87 is hot all the time, yes terminal #83 gets hot when the key is in the start position. However, there is no response from the starter. The best way to describe this is like you have your gear shift lever in "R" or "D" or some position other than "P" or "N". Now, I have learned that by running a jumper wire from terminal #83-tan wire w/red stripe, to the ground stud on the left strut tower, then the starter will activate with the key as it should, but the engine still will not fire the plugs. I determined this by placing a new spark plug in the #2 wire and grounding the spark plug-no spark.
One other piece of trivia for you, I did get the original key and clicker for this car and I did lock and unlock those doors and deck lid a number of times just to be sure some glitch hadn't moved in while I used the other key. No difference, spin the starter for 3 or 4 seconds with the door closed, release the key, after a few seconds the service engine light comes on and the dash reads NO BUS. The same response I have been getting since last Tuesday afternoon, nothing I have done has made any difference.
Anti-theft device being down by the ignition switch. Allow me to throw this out to you-this car has a Sony CD player, I want to say aftermarket, installed. The other day when I was getting into it to start it up and charge the A/C, I noticed the face was hanging half off, loose, like it wasn't on properly. I heard it could be tied in to the anti theft system and causing a problem. I dont know if this could be cause for concern.
Was this
answer
helpful?
Yes
No
+3
Friday, October 18th, 2019 AT 1:47 PM (Merged)
Tiny
KHLOW2008
  • MECHANIC
  • 41,814 POSTS
The starter test indicates the engine computer (PCM) is not grounding the circuit for the starter relay to work.

The tester not communicating indicates the PCM is not sending any signals to it and it could be a faulty PCM or its wiring circuit.

SES indicator turning on could be due to above fault so we need to check why it is not communicating.

Does the CHECK ENGINE indicator light turn on for 2 seconds and goes off when ignition is turned on?

Seems this problem ia quite common for Chrysler vehicles. The security system could be the cause. I have sent some diagnostic files to you, let me know what you find.
Was this
answer
helpful?
Yes
No
+1
Friday, October 18th, 2019 AT 1:47 PM (Merged)
Tiny
BRALDEN
  • MEMBER
  • 34 POSTS
I received your PDFs, everything looks great, thanks. I have already conducted most of the suggested tests, however, I will go back through them step-by-step as per their directions.
This item intrigues me-The starter test indicates the engine computer (PCM) is not grounding the circuit for the starter relay to work. I would like to find out-does the PCM ground externally as in through the case to a bold attaching it to the frame, or does it do it internally as in through the circuit board and out through another wire which itself grounds the PCM at a specific junction either on the frame or motor block, because I have been checking all grounds from the battery out. I ask this because I still feel I am dealing with a faulty wire somewhere.
The specifics of what voltage to expect to find at certain points is what I have been looking for. I still feel that I am dealing with either a broken ground wire or a blown fusible link somewhere in a harness tucked a way down under some least expected rock or fallen tree half submerged in swamp water. You've got to have a sense of humor to do this kind of work and still maintain your sanity.
Does the CHECK ENGINE indicator light turn on for 2 seconds and goes off when ignition is turned on? The "check engine" light never has come on during the whole time I have had this car. The "Service Engine Soon", white light, lower left hand corner of instrument cluster still comes on after you attempt to start the engine if the door is closed.
More than likely it will be tomorrow evening, before I have the opportunity to do any checking on these suggestions.
I will be back in touch as soon as I have something to report.
Was this
answer
helpful?
Yes
No
+1
Friday, October 18th, 2019 AT 1:47 PM (Merged)
Tiny
KHLOW2008
  • MECHANIC
  • 41,814 POSTS
I could not find any information pertaining to diagnostics of the starting system and the vehicle do have an immobiliizer system.

The PCM has a ground that is bolted onto the top of left front strut tower. For the starter to be grounded, it has to go through some components inside the PCM after all conditions for it to work are true.

Try grounding the Tan wire at the PCM terminal 31 to see if the starter cranks with the key. If it does not, you have an open in the circuit between the atarter relay.

Here are the description of the security system.

DESCRIPTION
Vehicle Theft Security System (VTSS) monitors vehicle doors, ignition switch, power door lock circuits and trunk key cylinder to determine if Body Control Module (BCM) should sound horn, flash interior lights and headlights, and disable ignition system. BCM inputs for VTSS are divided into 2 sections: trunk area and passenger compartment.

VTSS incorporates Sentry Key Immobilizer Module (SKIM) system. SKIM system provides passive protection against theft. SKIM system sends a signal to PCM to disable engine operation if proper key is not used. Reprogramming or initialization must be performed if PCM, SKIM or ignition key is replaced.

VTSS deactivates garage door opener and trunk release button when armed. System is passively armed by opening door, locking door using power door locks and closing door. While system is arming, VTSS LED will flash rapidly for 15 seconds. Opening any door or turning the ignition key while light is flashing will abort arming process. After 15 second arming period VTSS LED will flash slowly to show system is armed. System can also be armed using Remote Keyless Entry (RKE) transmitter or locking doors with key. System will not arm if manual door lock knobs are used to lock door(s). VTSS system uses a Light Emitting Diode (LED) to indicate when the system is armed. VTSS LED is located in instrument cluster. VTSS LED is also used by SKIM to advise owner when system has been immobilized due to use of invalid ignition key. VTSS LED will stay on after attempted restart if invalid ignition key is used.

VTSS is equipped with a tamper alert signal, indicating VTSS has been triggered (vehicle has been tampered with). When either front door is unlocked with key or RKE, the horn will sound 3 times, indicating vehicle has been tampered with.

OPERATION
Body Control Module (BCM) monitors all door switches for input status. On Breeze, Cirrus and Stratus, 4 door switches, one located at each door, are used for BCM DOOR OPEN input signal. On Sebring Convertible, 2 door switches, one located at each door, are used for BCM DOOR OPEN input signal. On all models, 2 arm/disarm switches are used in VTSS system and are located on the back side of the door lock key cylinder. These switches use internal resistors to send a signal to BCM when requested by the operator by selecting arm/disarm functions. A problem in any passenger compartment switch will not allow the system to arm.

BCM monitors trunk lock switch for a closed circuit. If switch circuit opens (trunk is opened or switch is removed), BCM triggers alarm. If there is a malfunction in trunk lock switch, system will arm, but switch will not be monitored. If switch becomes functional while system is armed, it will be used as an input to BCM.

SKIM system has 4 basic components: SKIM, sentry key transponder (key), VTSS light, and PCM. When ignition is turned on SKIM sends a Radio Frequency (RF) signal to transponder (key). RF signal excites transponder chip in ignition key and chip responds returning a RF signal with secret key code. SKIM compares code to information stored in memory to verify a valid key is being used. SKIM sends valid key signal to PCM. If wrong or new key is used, SKIM sends invalid key signal to PCM. PCM then disables engine operation by zeroing-out the pulse width of the fuel injectors. SKIM also sends signal to instrument cluster to illuminate VTSS light. Reprogramming or initialization must be performed if PCM, SKIM or ignition key is replaced.
Was this
answer
helpful?
Yes
No
+1
Friday, October 18th, 2019 AT 1:47 PM (Merged)
Tiny
JKK2049
  • MEMBER
  • 47 POSTS
  • 2000 CHRYSLER SEBRING
  • 6 CYL
  • 2WD
  • AUTOMATIC
  • 11,000 MILES
I have a chrusler sebring that I have been working on. I went to go start it the other day and its trying to start wont it wont turn over. It has been sitting for about a year. Any ideas. Maybe I should get a new batttery.
Was this
answer
helpful?
Yes
No
Friday, October 18th, 2019 AT 1:47 PM (Merged)
Tiny
JDL
  • MECHANIC
  • 16,098 POSTS
Are the cranking rpms, ok? Fresh gas, can you check fuel pressure?

Have a helper crank it, while you check for spark at the plugs.
Was this
answer
helpful?
Yes
No
Friday, October 18th, 2019 AT 1:47 PM (Merged)
Tiny
JKK2049
  • MEMBER
  • 47 POSTS
I dont think the rpms are cranking. It is making that kind of clicking noise. Imma check the feul first. Thank you.
Was this
answer
helpful?
Yes
No
Friday, October 18th, 2019 AT 1:47 PM (Merged)

Please login or register to post a reply.