The radiator fans are not turning on, car shuts off when it gets hot?

Tiny
ANA54
  • MEMBER
  • 2000 INFINITI I30
  • V6
  • AUTOMATIC
  • 82,210 MILES
It gets hot when I put the A/C on. The fans are not turning on and my car's been turning off when it gets hot too.
Thursday, June 22nd, 2023 AT 11:32 AM

3 Replies

Tiny
KEN L
  • MASTER CERTIFIED MECHANIC
  • 55,488 POSTS
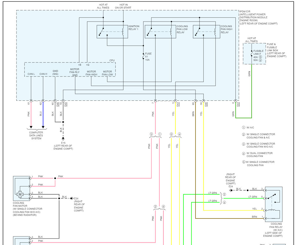
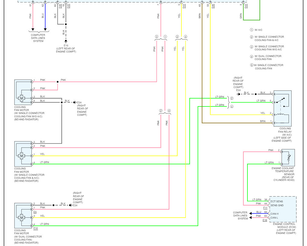
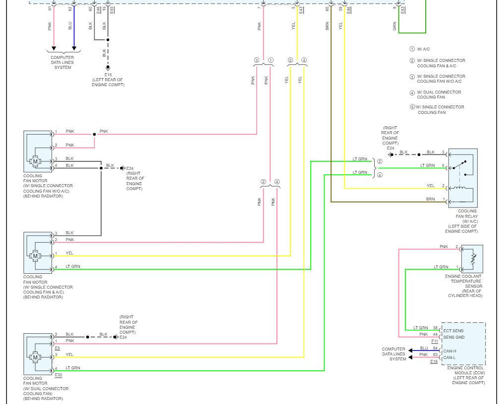
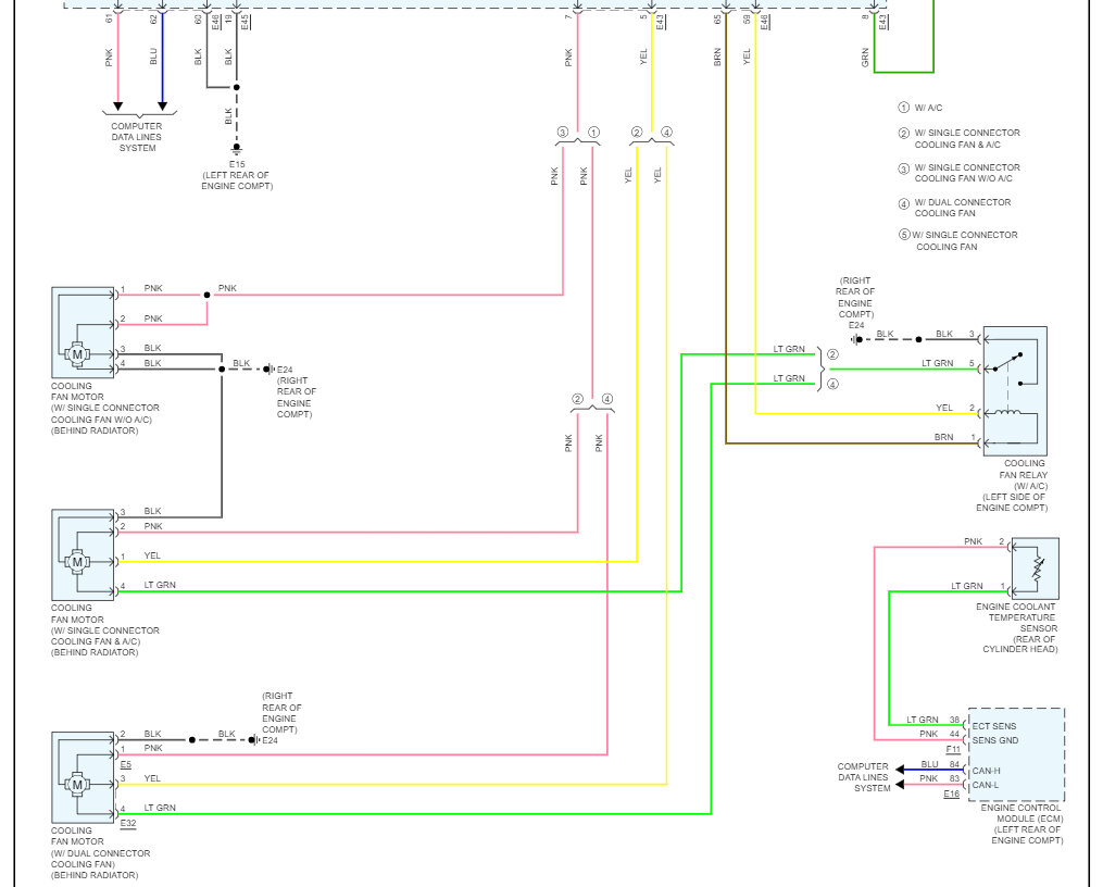
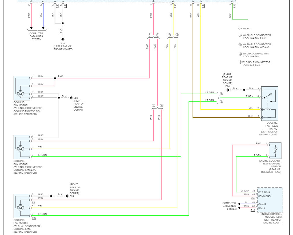
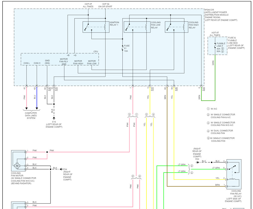
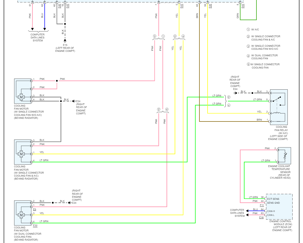
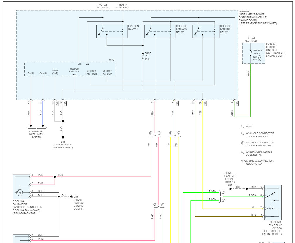
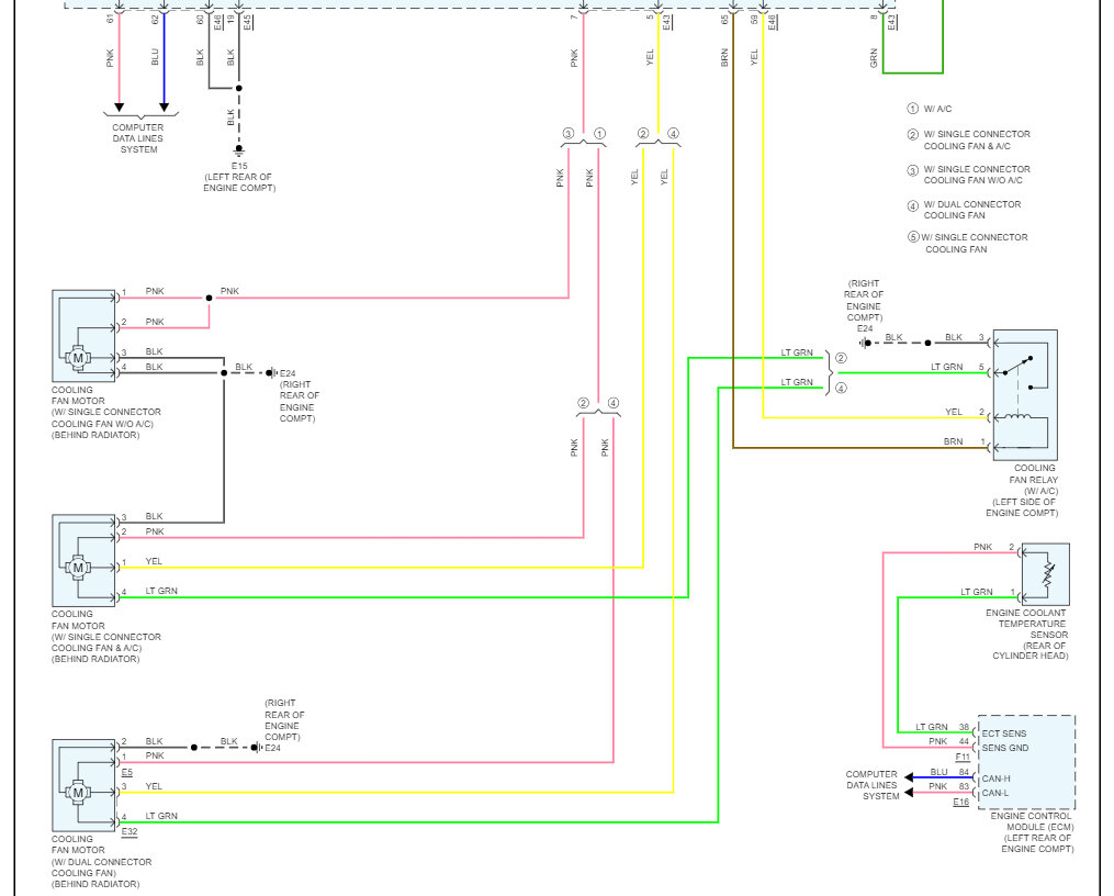
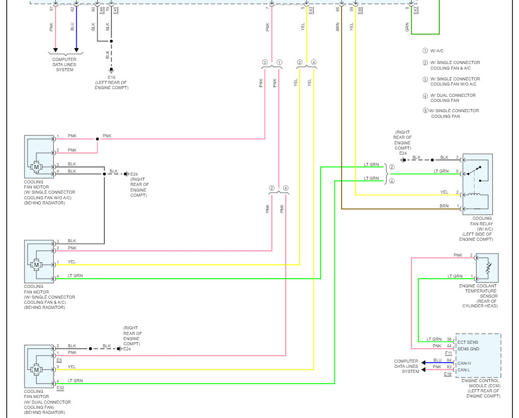
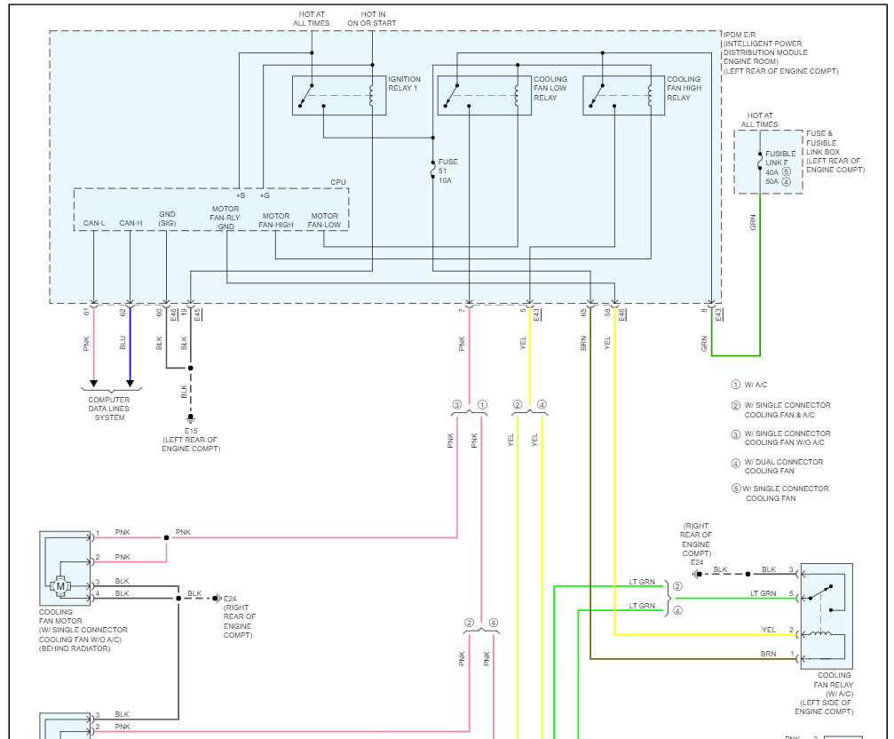
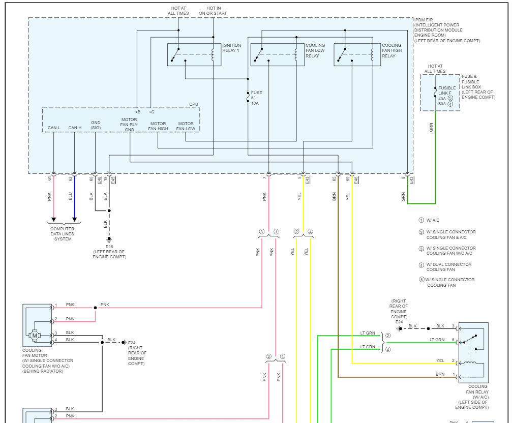
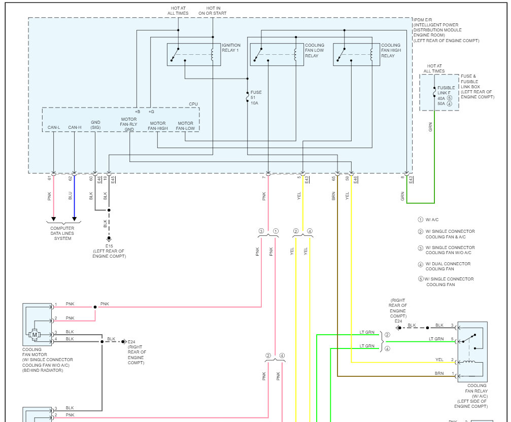
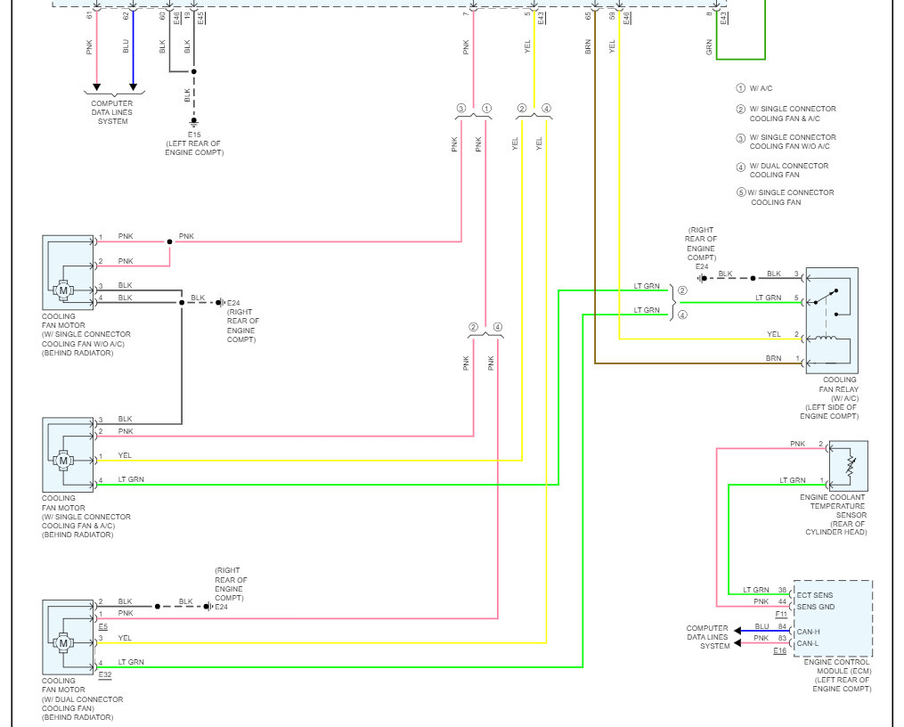
It could be the coolant temperature sensor, fuse, control relay or one of the fan motors is shorted out.

here is a guide to help go over the problem and how to fix them:

https://www.2carpros.com/articles/how-to-check-a-car-fuse

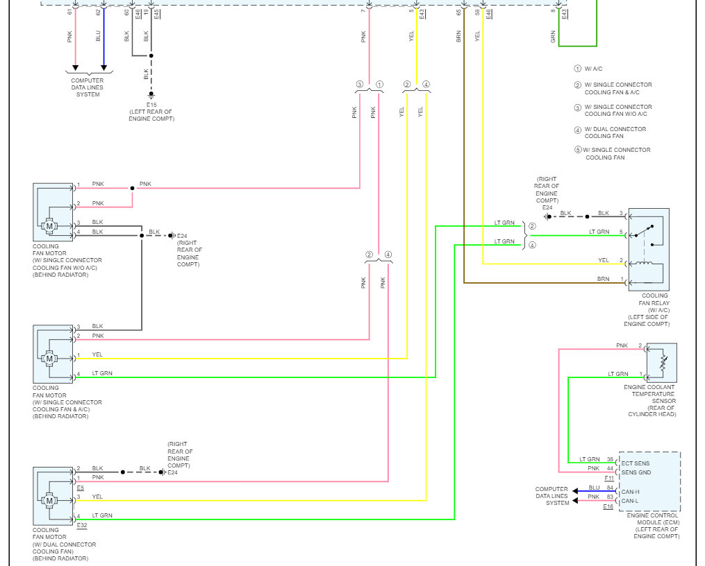
Also, I have included the cooling fan wiring diagrams so you can see how the system works and which fuses and relays to swap out. Check out the images (below). Please let us know how it goes.
Was this
answer
helpful?
Yes
No
Friday, June 23rd, 2023 AT 11:32 AM
Tiny
ANA54
  • MEMBER
  • 2 POSTS
Okay, I found out fans don't work, bought new ones today it was driving smoothly but it turned off at the light. The temperature didn't rise. What else can I check? Why would it turn off?
Was this
answer
helpful?
Yes
No
Friday, June 23rd, 2023 AT 12:44 PM
Tiny
KEN L
  • MASTER CERTIFIED MECHANIC
  • 55,488 POSTS
This sounds like a different issue which we need to start a new thread for, I am glad you got the fans fixed. Please post your new question here, you must be logged in.

https://www.2carpros.com/questions/new

Cheers, Ken
Was this
answer
helpful?
Yes
No
Saturday, June 24th, 2023 AT 11:10 AM

Please login or register to post a reply.