The car has check engine light on code P1320?

Tiny
HOWARD KYI
  • MEMBER
  • 1999 INFINITI I30
  • 3.0L
  • 6 CYL
  • 2WD
  • AUTOMATIC
  • 180,000 MILES
Replaced number two, and number four cylinder coil pack ( ignition ), but, check engine light still come on with p1320, what do I do next now?
Sunday, February 14th, 2016 AT 4:27 PM

1 Reply

Tiny
SQM
  • MECHANIC
  • 6,383 POSTS
Hello,

This code can be triggered due to a few different factors.
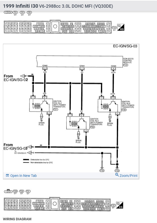
It could be due to a wiring issue for the ignition coils, faulty crank sensor or circuit.

The best option would be to take a step-by-step approach and go through the possibilities and find out the issue.

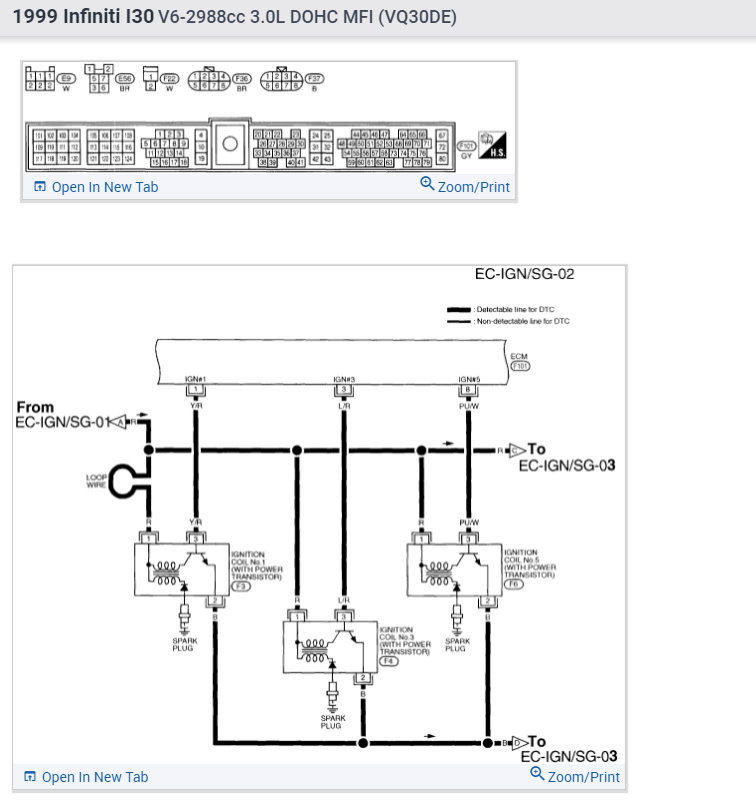
I have attached the trouble shooting guide for the code P1320 below.
Go through the steps as that can help you determine the reason for the code.

Please let me know if you have any questions.
Thank you.
Was this
answer
helpful?
Yes
No
Saturday, January 15th, 2022 AT 8:37 PM

Please login or register to post a reply.