The AC/heater control has no power

Tiny
CMGONZALES428
  • MEMBER
  • 2014 SUBARU CROSSTREK
  • 4 CYL
  • 4WD
  • AUTOMATIC
  • 198,000 MILES
One day while I was driving, I heard the blower fan stop running. I tried the knobs but the fan speed control and the temperature controls have no power. Checked the fuses and they aren’t burnt.

My question is this, Is there another location other than the two fuses blocks? Or could the motor be burnt out?

Thank you for your time.
Friday, February 14th, 2020 AT 9:33 PM

3 Replies

Tiny
JIS001
  • MECHANIC
  • 3,412 POSTS
There is a service bulletin for this condition. See images below. There is water intrusion causing corrosion and making the blower motor to work harder until it burns out. There is an updated blower motor with cabin filter you need to replace. The updated parts have better insulation. Here are the instructions with images. Also the bulletin has the updated part numbers.

REMOVAL

 1. Disconnect the ground cable from battery.
 2. Release the clips, and remove the under cover assembly - passenger.
 3. Remove the blower - motor.
    1. Disconnect the connector.
    2. Remove the screws and detach the blower - motor.
INSTALLATION
Install each part in the reverse order of removal.
Was this
answer
helpful?
Yes
No
Friday, February 14th, 2020 AT 10:02 PM
Tiny
CMGONZALES428
  • MEMBER
  • 3 POSTS
So I changed both the fan and resistor, and I do not have any power at the controls. Could there be a fuse that I am missing?
Was this
answer
helpful?
Yes
No
Monday, February 17th, 2020 AT 7:14 AM
Tiny
KEN L
  • MASTER CERTIFIED MECHANIC
  • 55,322 POSTS
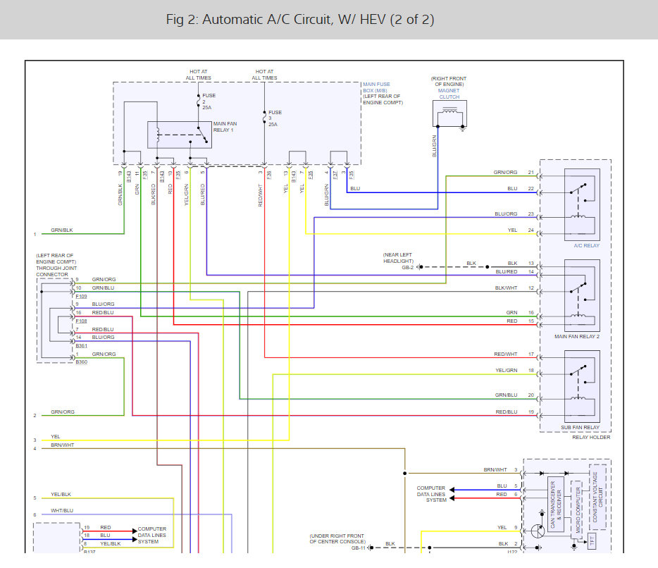
There are 7 fuses that run the system. here is a guide to help you check for power and the fuse location with the HVAC wiring diagrams so you can see how the system works with the fuses that need to be checked:

https://www.2carpros.com/articles/how-to-check-a-car-fuse

Check out the diagrams (below). Please let us know what you find. We are interested to see what it is.
Was this
answer
helpful?
Yes
No
Wednesday, February 19th, 2020 AT 11:03 AM

Please login or register to post a reply.