Saturday, November 3rd, 2018 AT 2:21 PM
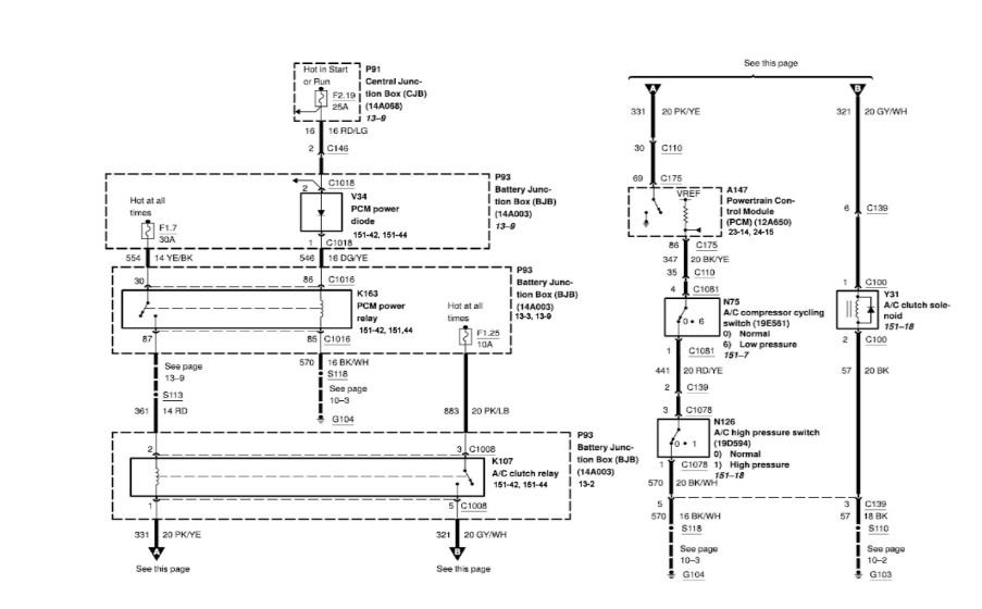
So the compressor is not engaging, the front wheel is not turning on the compressor. I thought maybe to recharge the refrigerant. The recharge kit came with a gauge and when I checked the pressure gauge it says "if the gauge is in red, do not attempt to recharge, seek professional help." The gauge was in red. What does this generally mean and how can I fix it?



