Tester shows misfire on cylinders four, five and six

Tiny
JERRY MACHENHEIMER
  • MEMBER
  • 2005 SUZUKI VERONA
  • 2.5L
  • 6 CYL
  • 2WD
  • AUTOMATIC
  • 85,000 MILES
Engine has little power. Seems to never shift out of second gear. Codes are P0300, P0304, P0305, P0306 and P2096. I swapped coil packs with cylinders one, two and three but no change. Good compression all cylinders. Replace spark plugs. Good spark.
Monday, May 6th, 2019 AT 5:03 PM

2 Replies

Tiny
SCGRANTURISMO
  • MECHANIC
  • 4,897 POSTS
Hello,

There is no DTC P, B, or C 2095. Can you please double check your vehicle's DTC number?

Thanks,
Alex
2CarPros
Was this
answer
helpful?
Yes
No
Tuesday, May 7th, 2019 AT 5:33 PM
Tiny
JACOBANDNICKOLAS
  • MECHANIC
  • 110,194 POSTS
Welcome to 2CarPros.

The codes you indicated are most likely related to either high fuel pressure, an engine vacuum leak, or an exhaust leak. The P2096 indicated that O2 sensor pre cat) has reached it's limit. This can mean many things. First, do you by chance have an exhaust leak on that bank of the engine? If so, repair it. Unmetered air may be entering the system and causing a lean condition.

Next, if you have a live data scanner, check voltage to that sensor. What is the voltage? Is it lower than .01v? If so, the sensor is bad. It should average around 0.45v and max at 1.0 volt if extremely rich or 0.1v if extremely lean. Once it goes from those parameters, the code is set.

Next, conform there are no engine vacuum leaks are present which could affect the mixture.

https://www.2carpros.com/articles/how-to-use-an-engine-vacuum-gauge

Confirm fuel pressure is within spec.

https://www.2carpros.com/articles/how-to-check-fuel-system-pressure-and-regulator

Here are specific directions and pictures 1 - 3 are directions for diagnostic.
FUEL PRESSURE CHECK
Fuel System Diagnosis

WARNING: The fuel system is under pressure. To avoid fuel spillage and the risk of personal injury or fire, it is necessary to relieve the fuel system pressure before disconnecting the fuel lines.

WARNING: Do not pinch or restrict nylon fuel lines. Damage to the lines could cause a fuel leak, resulting in possible fire or personal injury.

Circuit Description
The fuel pump is an in-tank type mounted to a fuel sender assembly. The fuel pump will remain on as long as the engine is cranking or running and the Engine Control Module (ECM) is receiving reference pulses from the crankshaft position (CKP) sensor. If there are no reference pulses, the ECM will turn off the fuel pump two seconds after the ignition switch is turned ON or two seconds after the engine stops running. The fuel pump delivers fuel to the fuel rail and the fuel injectors, where the fuel system pressure is controlled to 310 kPa (45 psi) by the fuel pressure regulator. The excess fuel is returned to the fuel tank.

Fuel Pressure Relief Procedure
1. Remove the fuel cap.
2. Remove the fuel pump fuse from the engine fuse box.
3. Start the engine and allow the engine to stall.

Steps 1-6
picture 1

Steps 6 (continued)-19
picture 2

Steps 19 (continued) & 20
picture 3

4. Crank the engine for an additional 10 seconds.

_____________________

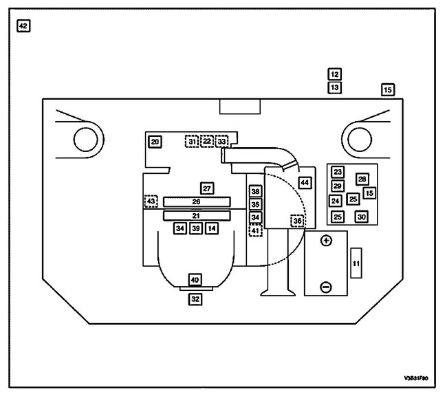
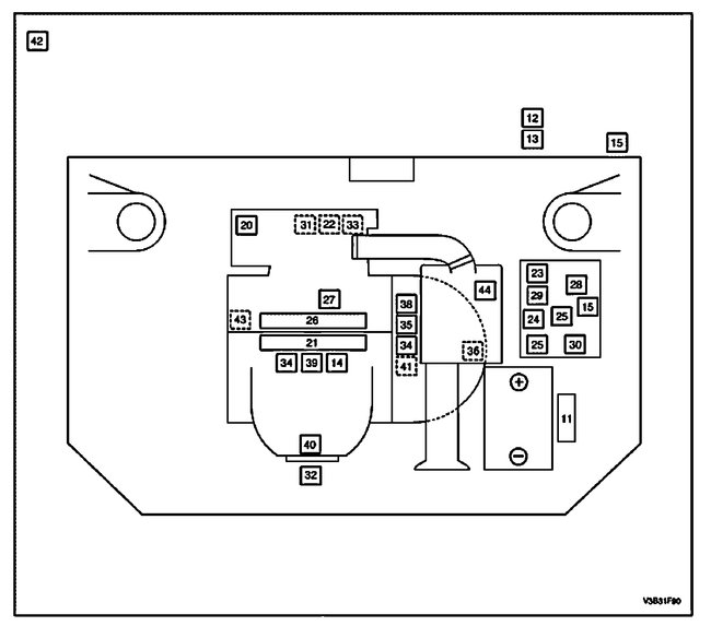
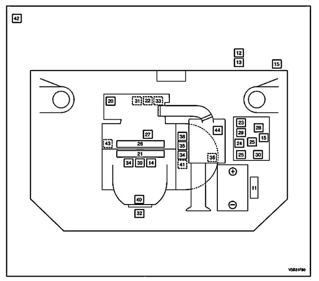
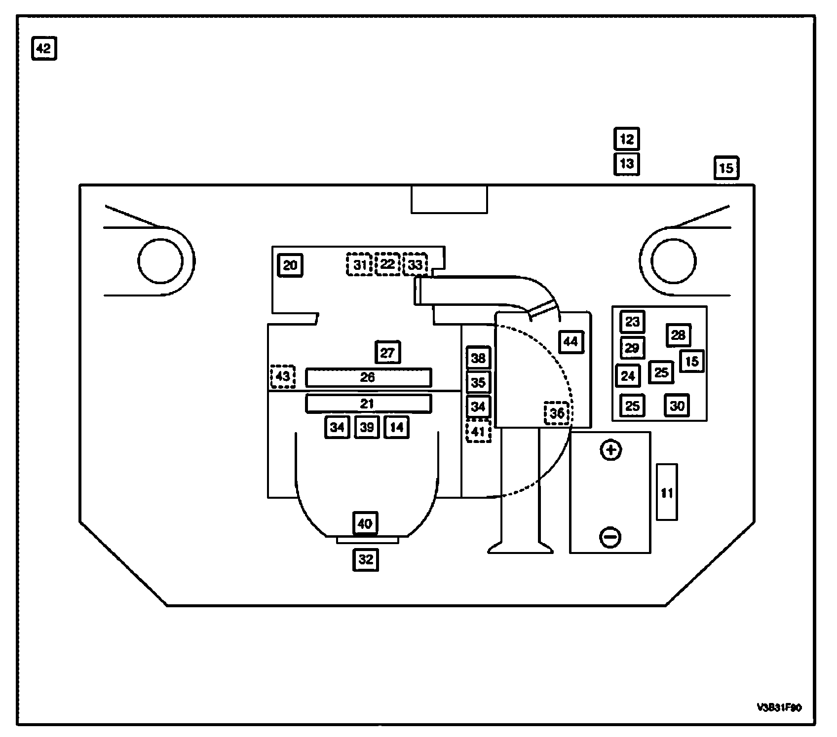
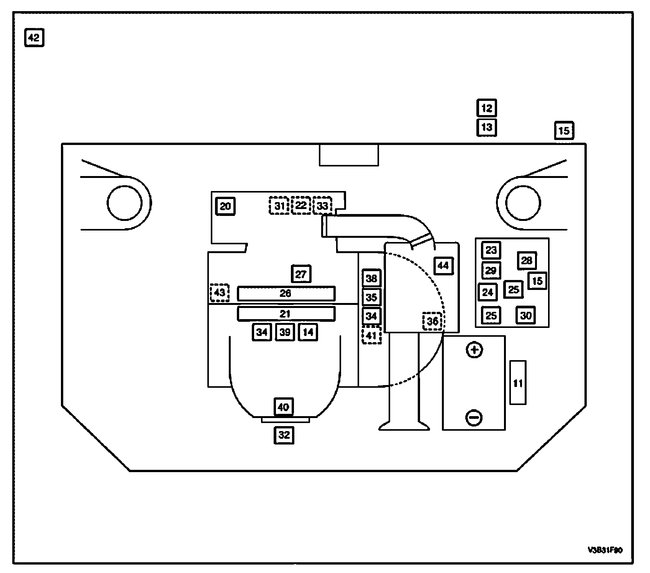
Confirm the wiring and connector to the sensor is not damaged, melted, or corroded where the connection is made. Pictures 3 and 4 show the sensor's location. It is in front of the engine. Locate number 32 in the picture.

____________________

Let me know if any of this helps or if you have other questions.

Take care,
Joe
Was this
answer
helpful?
Yes
No
Tuesday, May 7th, 2019 AT 6:12 PM

Please login or register to post a reply.