Wednesday, October 23rd, 2019 AT 10:12 AM
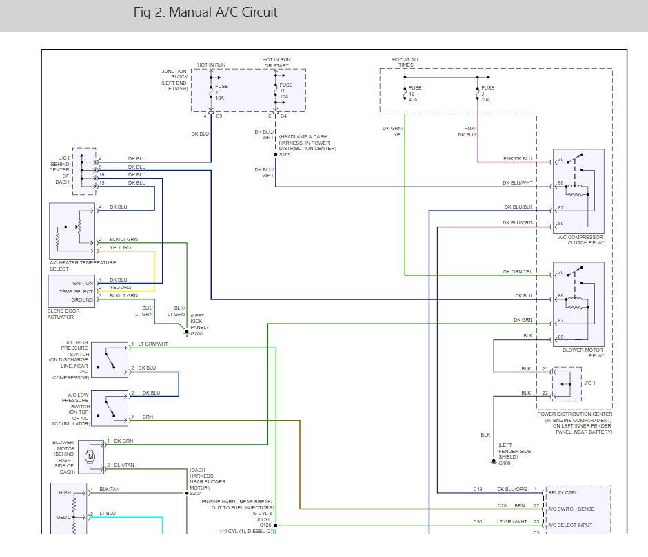
I can’t get the temperature control motor to work. I changed that motor and the HVAC control unit in the dash. One wire has constant power at both ends, but as I move the dial from hot to cold, I never get power at the other two wires. Am I looking at having been sold a faulty control module?




