While driving the A/C turns on and off plus temperature indication light display?

Tiny
GAVHANEGN
  • MEMBER
  • 2016 NISSAN TERRANO
  • 1.6L
  • 2WD
  • MANUAL
  • 64,000 MILES
I checked the fan by giving external supply 12v directly to fan it's working.
Saturday, June 22nd, 2024 AT 3:23 AM

1 Reply

Tiny
KEN L
  • MASTER CERTIFIED MECHANIC
  • 55,112 POSTS
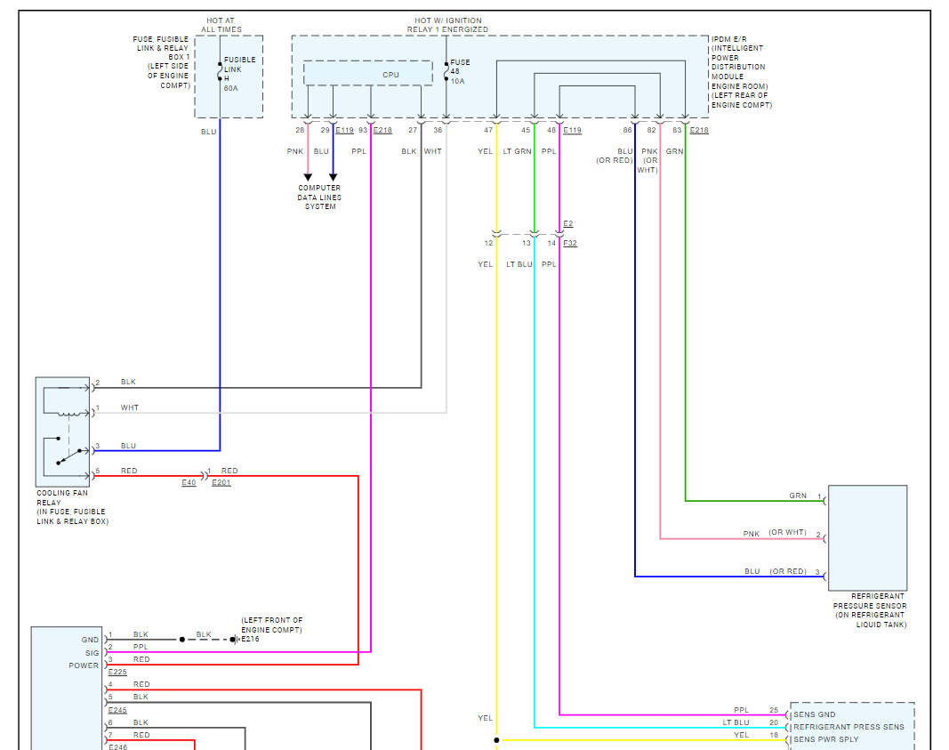
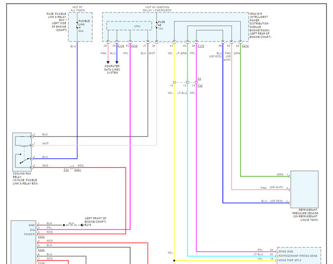
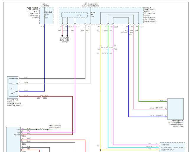
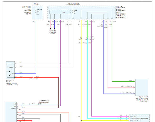
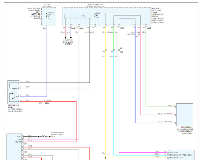
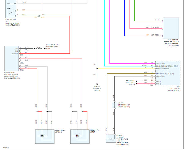
We just had one of these in the shop (pathfinder) and it turned out to be the IPDM, here are the cooling fan wiring diagrams so you can see how the system works, and I have included the IPDM replacement instructions so you can change it out. Also, we should run the codes to see if any are stored.

https://youtu.be/InIlnsjOVFA?si=sWwsiGnDCi1Jl8Vu

It is easy to install because it self-learns so there is no programming. Check out the images (below). Please let us know what happens.
Was this
answer
helpful?
Yes
No
Sunday, June 23rd, 2024 AT 11:20 AM

Please login or register to post a reply.