Wednesday, February 2nd, 2022 AT 4:41 PM
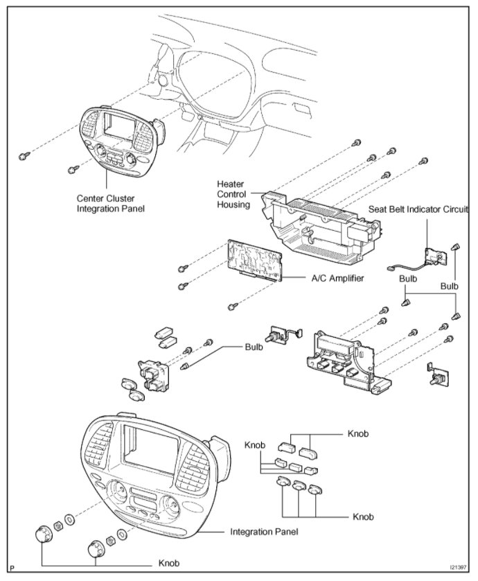
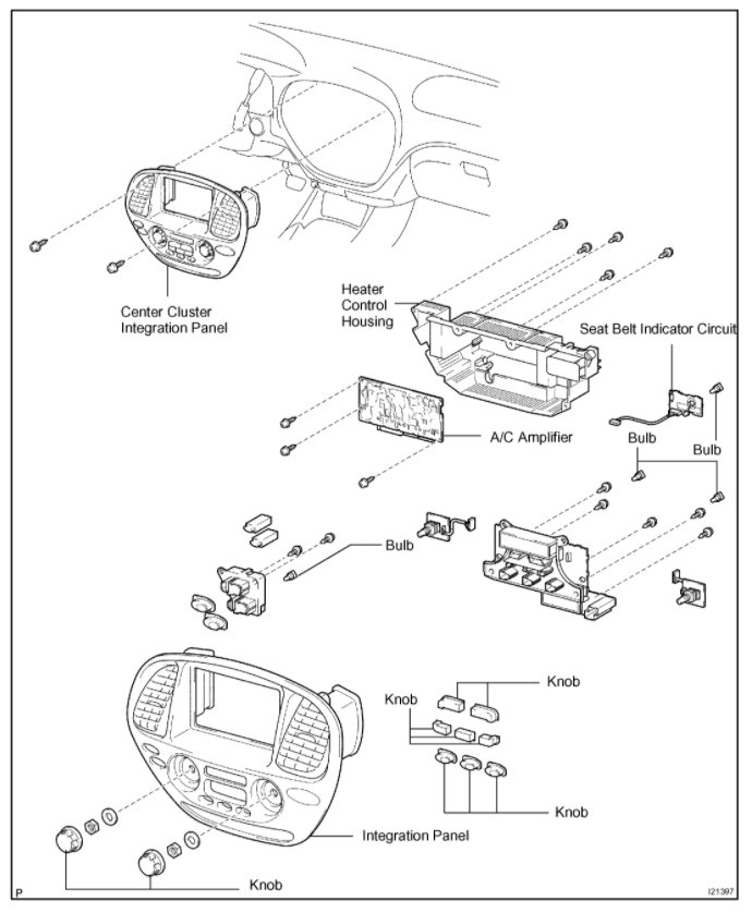
The knob that controls temperature is no longer working. It is stuck at 81 degrees. All other A/C controls work. I assume A/C works but since the knob is stuck on heat. I'm not sure.






