TCM Wiring Diagram?

Tiny
PCONSTANTINE
  • MEMBER
  • 2011 FORD F-650
  • TURBO
  • 2WD
  • AUTOMATIC
  • 155,787 MILES
The new transmission control module is not letting the truck start because it thinks it is in gear, I need a TCM Wiring Diagram.
Monday, March 2nd, 2026 AT 7:18 AM

7 Replies

Tiny
KEN L
  • MASTER CERTIFIED MECHANIC
  • 55,440 POSTS
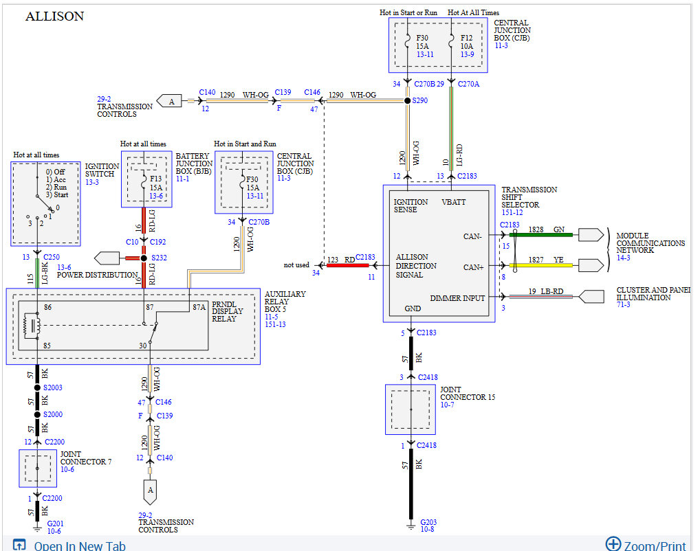
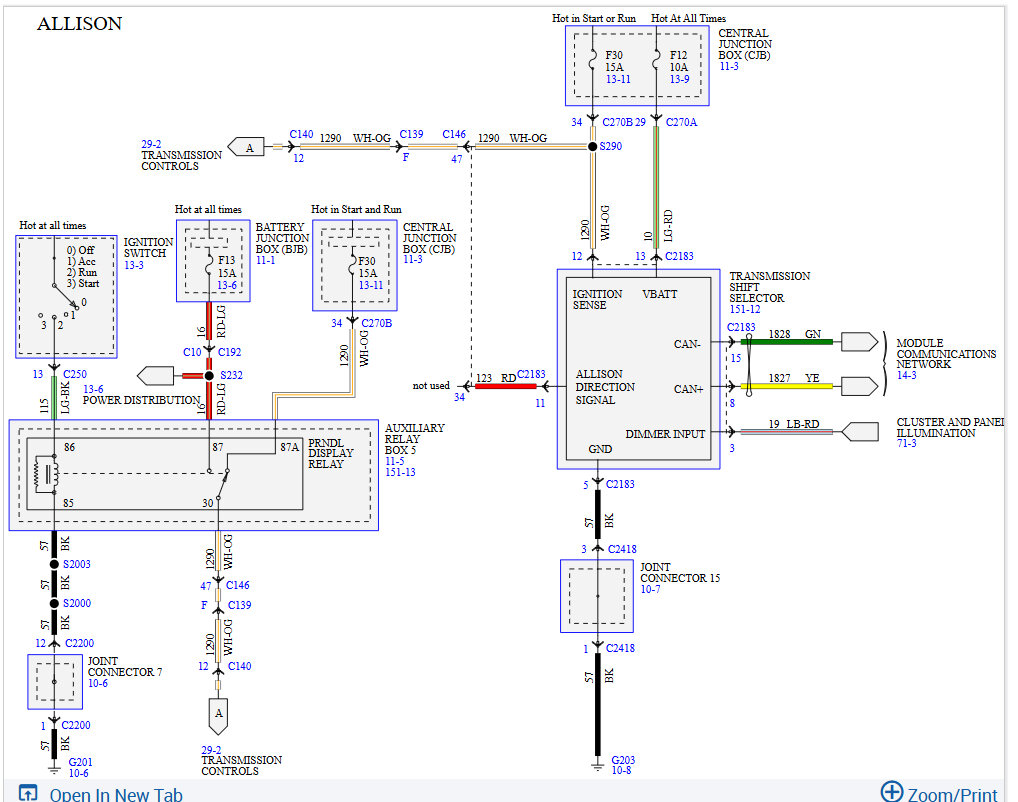
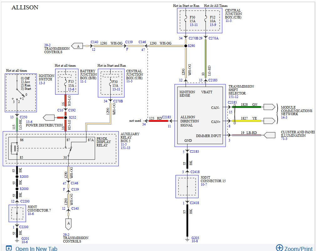
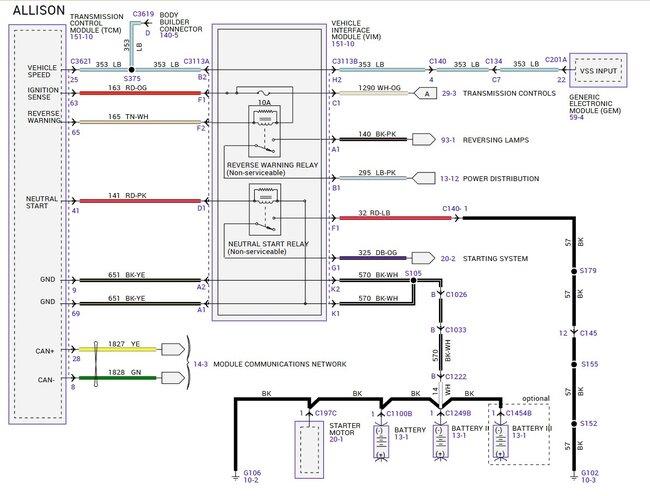
Usually this will be a transmission shift selector that is going out FYI. Here are the wiring diagrams for the TCM as requested, pleas let me know what you find, Check out the images (below). Ken
Was this
answer
helpful?
Yes
No
Tuesday, March 3rd, 2026 AT 9:46 AM
Tiny
PCONSTANTINE
  • MEMBER
  • 4 POSTS
  • 2011 FORD F-650
  • V8
  • TURBO
  • 2WD
  • AUTOMATIC
  • 113,787 MILES
I need a wiring diagram for the vehicle interface module for the truck listed.
Was this
answer
helpful?
Yes
No
Friday, March 6th, 2026 AT 9:09 AM (Merged)
Tiny
STEVE W.
  • MECHANIC
  • 15,690 POSTS
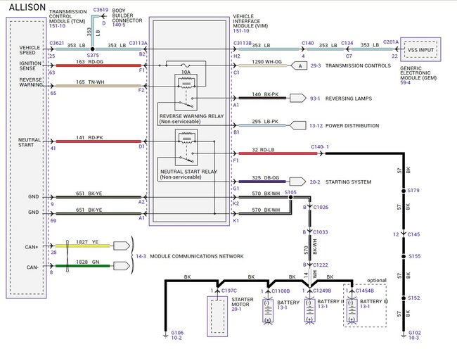
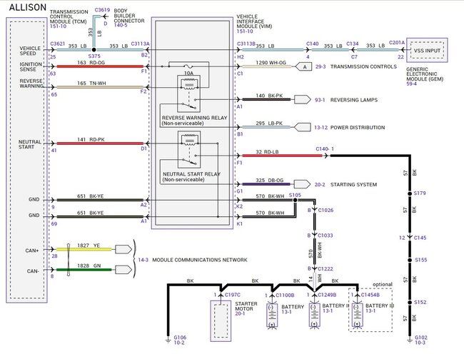
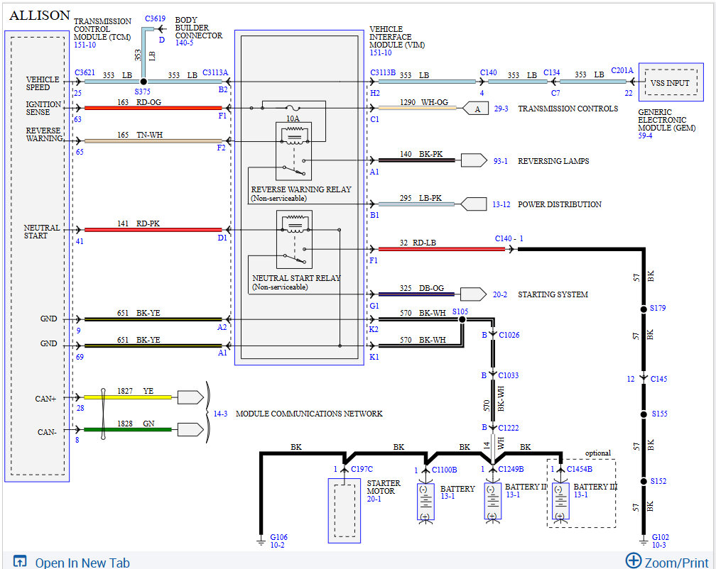
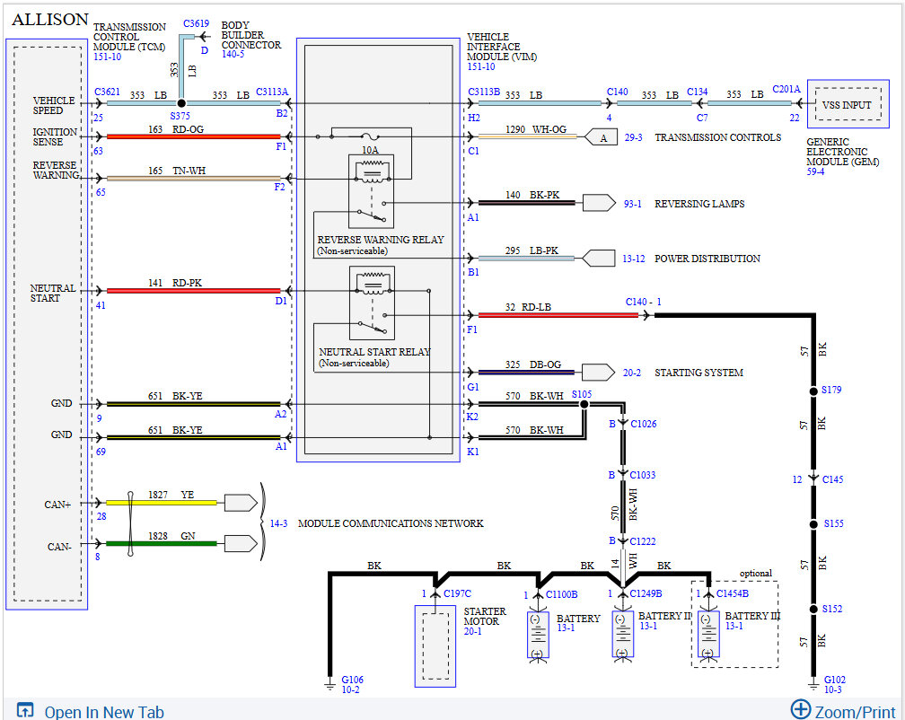
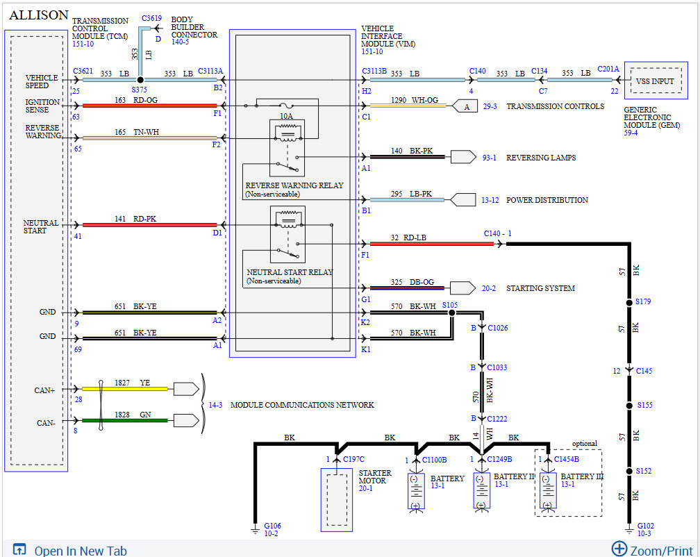
The VIM on that truck is really just a relay box. Most of the wiring just passes through. Attached are the wiring and the connector views for it. The relays are soldered to the board but you can replace them with external relays for the neutral start and back-up lights if the module has failed.
Was this
answer
helpful?
Yes
No
Friday, March 6th, 2026 AT 9:09 AM (Merged)
Tiny
PCONSTANTINE
  • MEMBER
  • 4 POSTS
  • 2011 FORD F-650
  • V8
  • TURBO
  • 2WD
  • AUTOMATIC
  • 155,787 MILES
I need a transmission control module pin-out.
Was this
answer
helpful?
Yes
No
Friday, March 6th, 2026 AT 9:09 AM (Merged)
Tiny
KEN L
  • MASTER CERTIFIED MECHANIC
  • 55,440 POSTS
Is there something we are missing here? This is all the information we have. Ken
Was this
answer
helpful?
Yes
No
Friday, March 6th, 2026 AT 9:11 AM
Tiny
PCONSTANTINE
  • MEMBER
  • 4 POSTS
  • 2011 FORD F-650
  • V8
  • TURBO
  • 2WD
  • AUTOMATIC
  • 155,787 MILES
Do you have a pin out diagram for the connector that goes into the side of the transmission?
Was this
answer
helpful?
Yes
No
Tuesday, March 10th, 2026 AT 8:33 AM (Merged)
Tiny
KEN L
  • MASTER CERTIFIED MECHANIC
  • 55,440 POSTS
The is all the information we have. Ken
Was this
answer
helpful?
Yes
No
Tuesday, March 10th, 2026 AT 8:34 AM

Please login or register to post a reply.