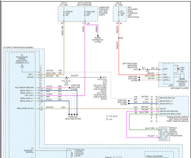
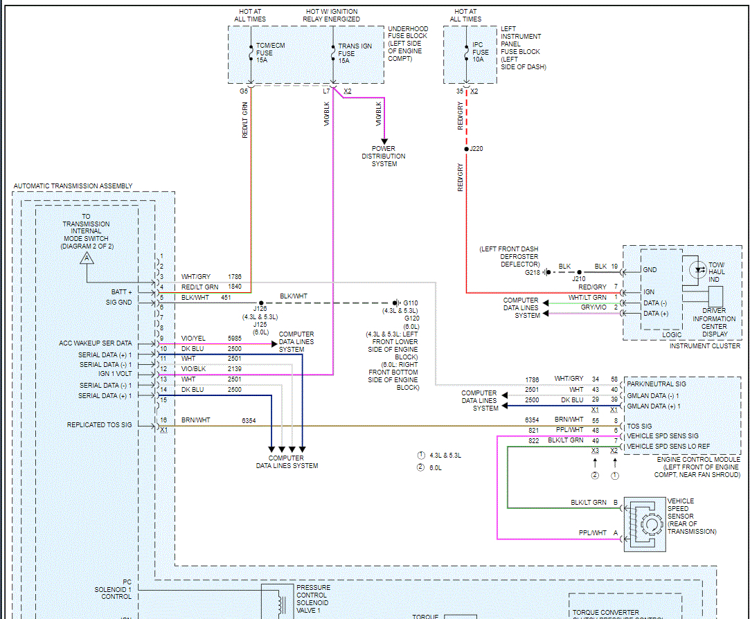
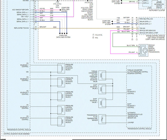
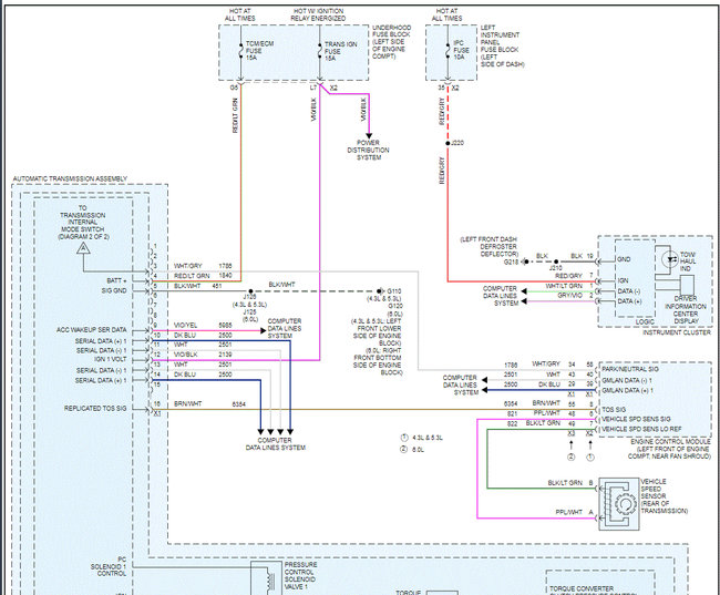
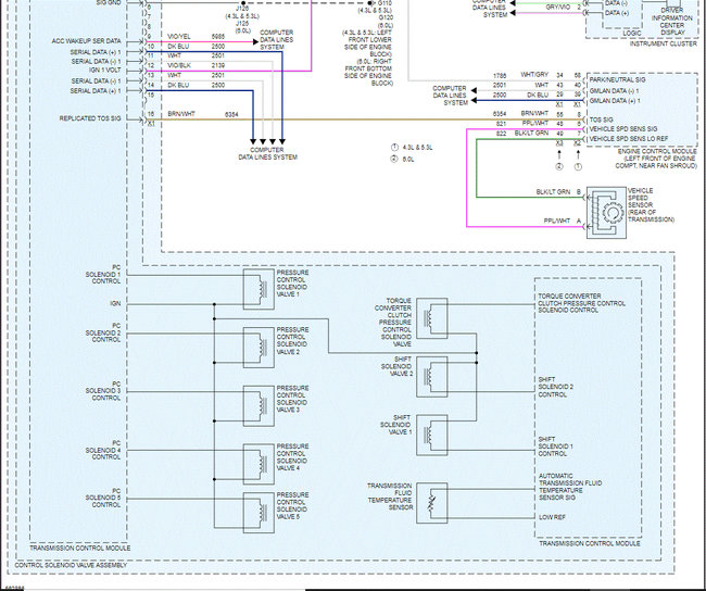
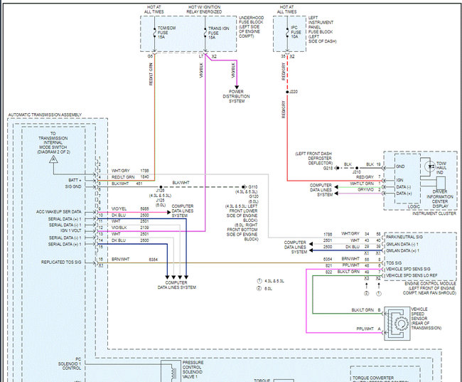
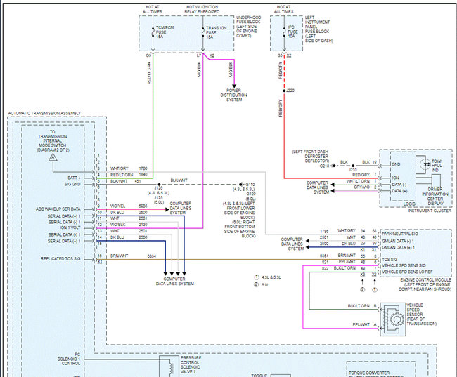
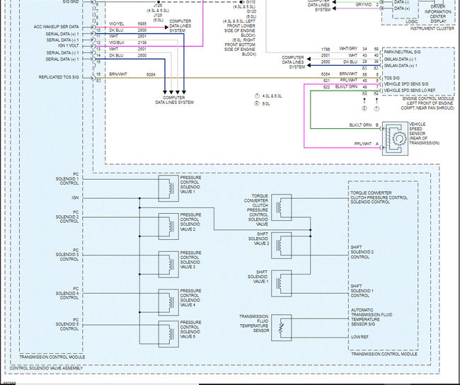
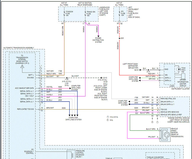
I am looking for a diagram that shows the wiring and harness between the TCM to the range sensor. I have had no luck not even the dealer has one available. Any diagram related to TCM and/or range sensor harness and/or wiring would be a great help!
I work at a repair facility, and the customer has had the TCM replaced two times and it's still having the same issues. We need to check the wiring harness and ground wires from the TCM to the range sensor. we think the problem is coming from that area with the wiring and a diagram would really help us figure this problem out. i would greatly appreciate it!
I work at a repair facility, and the customer has had the TCM replaced two times and it's still having the same issues. We need to check the wiring harness and ground wires from the TCM to the range sensor. we think the problem is coming from that area with the wiring and a diagram would really help us figure this problem out. i would greatly appreciate it!
Aug 24, 2021 at 1:35 PM














