Saturday, December 11th, 2021 AT 5:10 AM
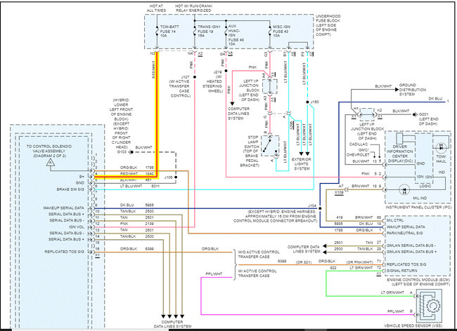
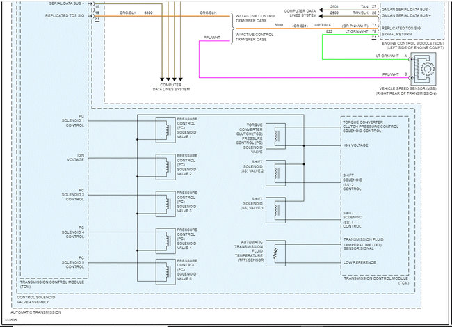
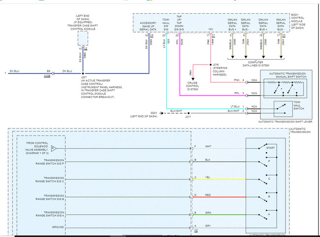
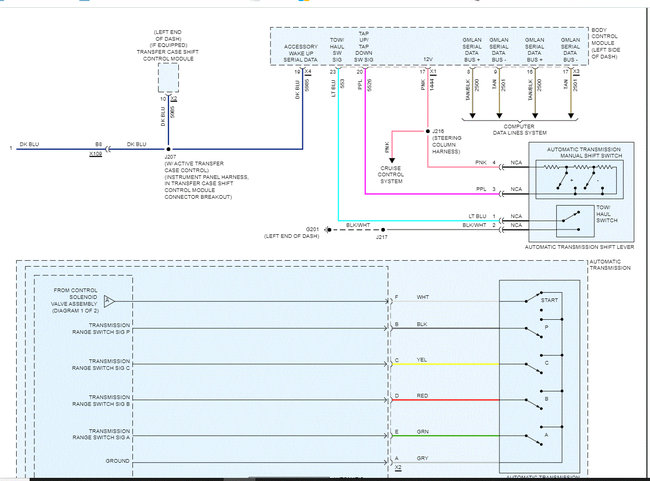
Having an issue with TCM failure to communicate. A few weeks ago, after the wife dropped kids off at school bus, she started noticing that it wasn’t shifting and decided to turn around and bring it back so I could see what I thought. After getting in to drive I noticed the gear indicator wasn’t working properly, then it was hard to take off going. So, that’s what had me look in the fuse box and noticed the fuse for TCM #14 was blown. So, I get another fuse that was brand new and went to replace it and it blew on contact. So short to ground is where I started looking for wires that may be rubbed or pinched causing it to short. I’ve yet to find anything but I’m not too sure on how to test it or know the wiring diagram to know what to look for. I’m at my tipping point of losing my mind. Any help would be great. Thanks








