How to remove and replace the horn relay?

Tiny
JON SIMMONS
  • MEMBER
  • 2009 INFINITI G37
  • V6
  • 2WD
  • AUTOMATIC
  • 231,909 MILES
I am trying to find out how do you properly remove the old horn relay and install the new horn relay.
Tuesday, November 1st, 2022 AT 9:41 AM

7 Replies

Tiny
KEN L
  • MASTER CERTIFIED MECHANIC
  • 55,450 POSTS
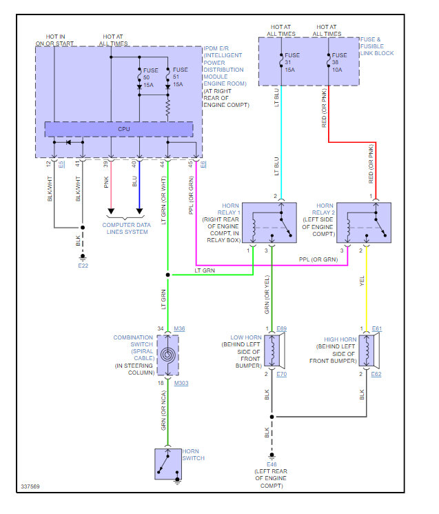
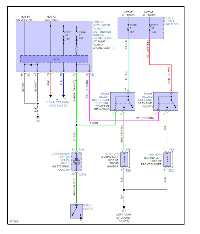
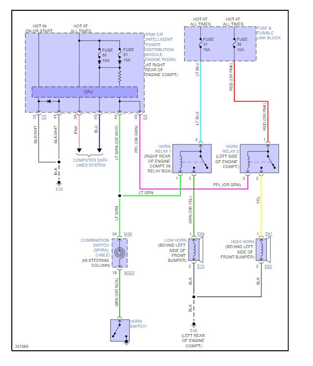
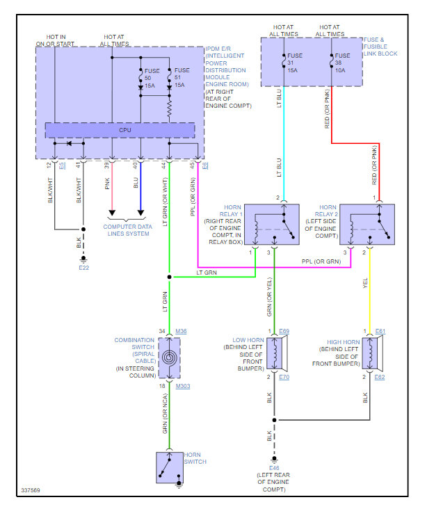
There are two horn relays both are under the hood, one on the right side inside the relay box and the other on the left side out on its own. Here are the horn system wiring diagrams so you can see how the system works. Check out the images (below). Please let us know if you need anything else to get the problem fixed.
Was this
answer
helpful?
Yes
No
+1
Tuesday, November 1st, 2022 AT 10:56 AM
Tiny
JON SIMMONS
  • MEMBER
  • 1 POST
I asked how do you remove the horn relay and install the new one?
Was this
answer
helpful?
Yes
No
-1
Thursday, November 3rd, 2022 AT 1:49 PM
Tiny
KEN L
  • MASTER CERTIFIED MECHANIC
  • 55,450 POSTS
You pull the relay straight up and out of the panel. There are no screws or bolts holding it in. Make sure the connectors are not melted.
Was this
answer
helpful?
Yes
No
Thursday, November 3rd, 2022 AT 1:51 PM
Tiny
JON SIMMONS
  • MEMBER
  • 1 POST
When I try pulling out the horn relay to second horn starts blowing, so what do I need to do?
Was this
answer
helpful?
Yes
No
Saturday, November 5th, 2022 AT 10:45 AM
Tiny
KEN L
  • MASTER CERTIFIED MECHANIC
  • 55,450 POSTS
Let's start by checking the fuses because the IPDM controls the horn operation, and it can be having a feedback issue. Please check fuse # 50 and #51 in the fuse panel in the right rear of the engine compartment and fuse #31 and 38 in the fuse link box.

Here is a guide to help and I have included the horn wiring diagram so you can see how the system works:

https://www.2carpros.com/articles/how-to-check-a-car-fuse

Check out the images (below). Please let us know what you find.
Was this
answer
helpful?
Yes
No
Saturday, November 5th, 2022 AT 10:51 AM
Tiny
JON SIMMONS
  • MEMBER
  • 1 POST
I checked both of the fuses # 50 and # 51 and they were good, so again I need help removing and installing the horn relay on my car listed above, Sedan.
Was this
answer
helpful?
Yes
No
Saturday, November 12th, 2022 AT 10:22 AM
Tiny
KEN L
  • MASTER CERTIFIED MECHANIC
  • 55,450 POSTS
Okay, can you upload a picture of the relay because they should just pull straight out. There are two of them so pull them both out.
Was this
answer
helpful?
Yes
No
Monday, November 14th, 2022 AT 9:51 AM

Please login or register to post a reply.