Saturday, December 14th, 2019 AT 9:28 AM
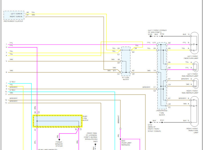
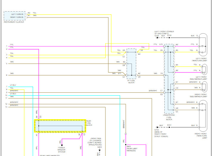
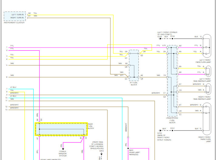
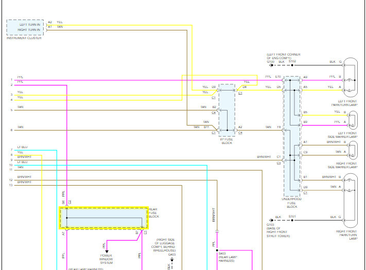
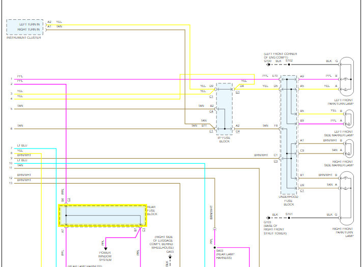
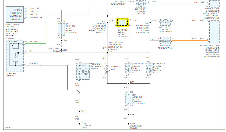
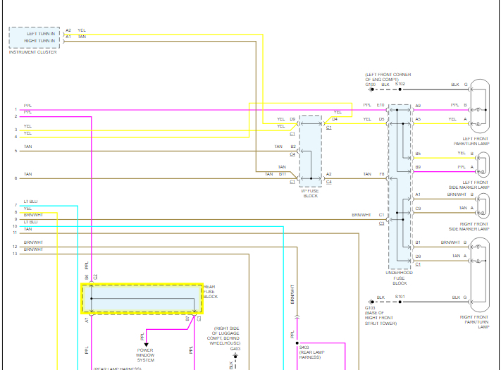
I do not know who decided how to wire these cars, but all I'm reading with research is the same issue I'm having with no result. And every mechanic I ask says headlight switch. I spent $90.00+ purchasing a headlight switch that only does the same thing the last one did. My taillights will not come on, they suddenly just stopped working. My parking lights don't work, my taillights don't, and my dash lights don't work. My headlights still work, and so do the brake lights, along with both blinkers. All fuses have been double checked, the left headlights, blinkers, brake lights and taillights are all on the same fuse and vice versa for the right. Both fuses are fine. What do I do at this point?







