Taillights fuse repeatedly blows

Tiny
NOAH WILLIAM ADKINS
  • MEMBER
  • 2003 MAZDA 6
  • 2.3L
  • 4 CYL
  • 2WD
  • AUTOMATIC
  • 150,000 MILES
Taillights for blowing fuse immediately and repeatedly.
Thursday, May 26th, 2022 AT 6:05 PM

1 Reply

Tiny
KEN L
  • MASTER CERTIFIED MECHANIC
  • 55,499 POSTS
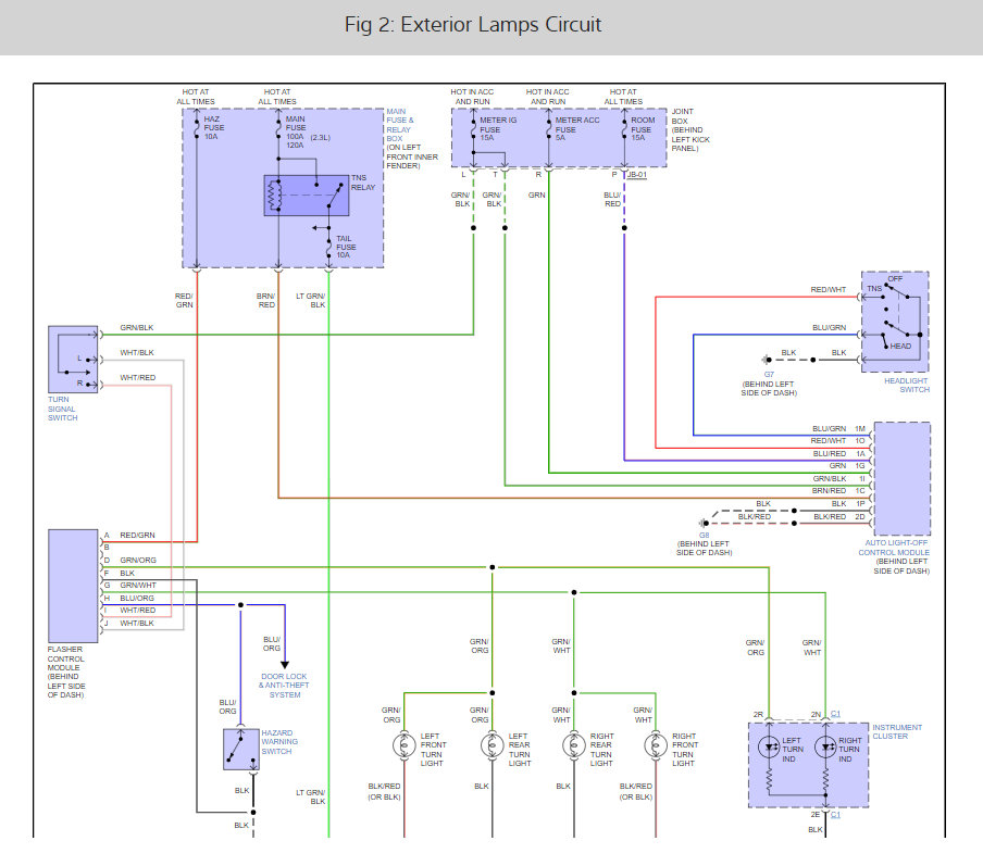
I would start by checking the taillights themselves. Sometimes the bulbs can have a short when the bulb contacts melt and touch ground. Please remove the bulbs to see what they look like this guide can help you.

https://www.2carpros.com/articles/no-tail-lights-exterior-running-lights-tail-lights-out

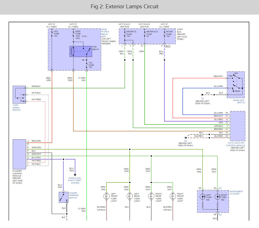
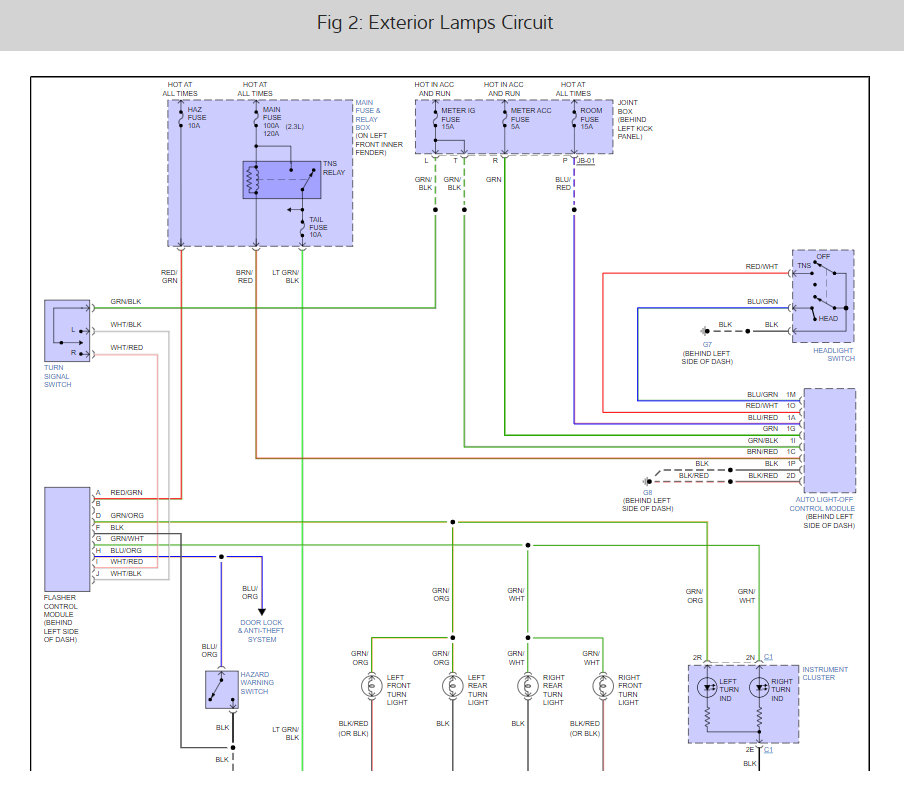
Here is how you can check for the problem yourself in the diagrams below. Check out the diagrams (below). Please let us know what happens. I also have included the wiring diagrams so you can see how the lighting system works.
Was this
answer
helpful?
Yes
No
Friday, May 27th, 2022 AT 4:39 PM

Please login or register to post a reply.