HOME
ASK A QUESTION
REPAIR GUIDES
BECOME A MEMBER
LOG IN
Login with Facebook
OR
Remember me
NOT A MEMBER?
FORGOT PASSWORD?
CONTACT US
PRIVACY POLICY
TERMS AND CONDITIONS
☰
Home
Lincoln
Mark VIII
Exterior Light
Running Light
Wiring
Can I get the Taillight wiring diagram?
LZRDGUY
MEMBER
1997 LINCOLN MARK VIII
4.6L
V8
2WD
AUTOMATIC
133,000 MILES
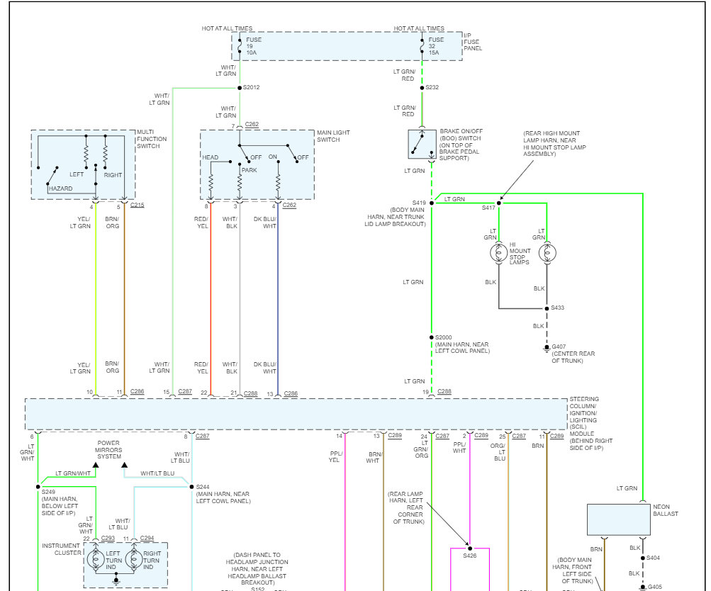
I just need the wiring diagram for the taillights, what colors goes where. Thank you!
Monday, August 14th, 2023 AT 12:58 PM
4 Replies
KEN L
MASTER CERTIFIED MECHANIC
55,481 POSTS
Here are the taillight wiring diagrams and a guide to help you test the connections:
https://www.2carpros.com/articles/how-to-check-wiring
Check out the images (below). Please let us know if you need anything else to get the problem fixed.
Images (Click to make bigger)
Was this
answer
helpful?
Yes
No
Tuesday, August 15th, 2023 AT 10:00 AM
LZRDGUY
MEMBER
2 POSTS
Thank you very much for the diagram.
Was this
answer
helpful?
Yes
No
Wednesday, August 16th, 2023 AT 10:40 AM
KEN L
MASTER CERTIFIED MECHANIC
55,481 POSTS
Use 2CarPros anytime, we are here to help. Please tell a friend.
Was this
answer
helpful?
Yes
No
Wednesday, August 16th, 2023 AT 10:40 AM
LZRDGUY
MEMBER
2 POSTS
Will do, thanks!
Was this
answer
helpful?
Yes
No
Wednesday, August 16th, 2023 AT 3:04 PM
Please
login
or
register
to post a reply.
Related Running Light Wiring Content
1998 Lincoln Mark Viii Tail Light (attached At Trunk...
Electrical Problem 1998 Lincoln Mark Viii V8 Two Wheel Drive Automatic 114k Miles I Would Like To Get It Operable Again. Have No Idea...
Asked by
Reginald Lavilla
·
1 ANSWER
1998
LINCOLN MARK VIII
Ask a Car Question. It's Free!
Headlight Dim or Dull
Have a Dim Headlight? - Try Replacing This!
Turn Signals Blink Fast