HOME
ASK A QUESTION
REPAIR GUIDES
BECOME A MEMBER
LOG IN
Login with Facebook
OR
Remember me
NOT A MEMBER?
FORGOT PASSWORD?
CONTACT US
PRIVACY POLICY
TERMS AND CONDITIONS
☰
Home
Ford
Escape
Body
Tailgate
Open
Tailgate
DAN PAGE
MEMBER
2017 FORD ESCAPE
2.0L
4 CYL
TURBO
AWD
AUTOMATIC
2,000 MILES
Tailgate seldom opens with foot action.
Friday, May 26th, 2017 AT 4:08 PM
1 Reply
KEN L
MASTER CERTIFIED MECHANIC
55,097 POSTS
Hello,
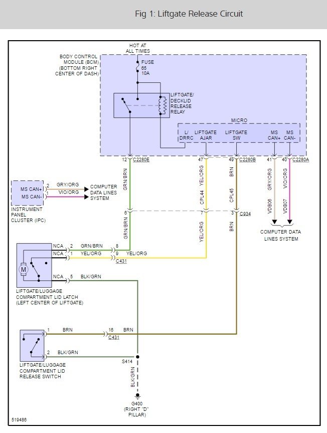
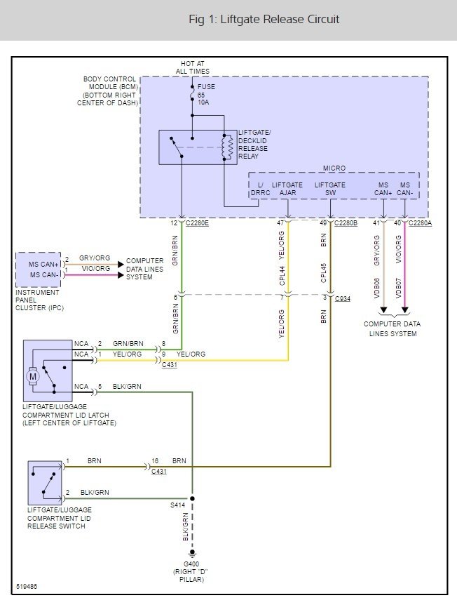
There is a tail gate relay that sounds like is acting up. Here is a guide and some tailgate wiring diagram to help you do some testing and get the problem fixed.
https://www.2carpros.com/articles/how-to-check-an-electrical-relay-and-wiring-control-circuit
and
https://www.2carpros.com/articles/how-to-use-a-test-light-circuit-tester
Please run some tests and get back to us so we can continue helping you.
Cheers, Ken
Images (Click to make bigger)
Was this
answer
helpful?
Yes
No
Monday, May 29th, 2017 AT 1:34 PM
Please
login
or
register
to post a reply.
Related Tailgate Open Content
Subframe Replacement
My Vehicle Listed Above Needs The Subframe Replaced (very Bad Corrosion Issue) And I Was Wondering How Hard It Would Be For Me To Do That...
Asked by
James091901
·
1 ANSWER
20 IMAGES
2003
FORD ESCAPE
Which Vin Should Have A Hybrid Part: Starting With A...
I Have A 2005 Ford Escape Hybrid 2wd That Needs The Abs Control Module/pump. Its Vin Start With 1, But I Have Found A Part For Hybrids...
Asked by
MKenA
·
8 ANSWERS
2005
FORD ESCAPE
2003 Ford Escape Subframe
Hello, The Other Day I Was Driving My 03 Ford Escape To The Gas Station And When Turning I Heard A Sound That Sounded Like My Left Front...
Asked by
james093816
·
3 ANSWERS
1 IMAGE
2003
FORD ESCAPE
Ask a Car Question. It's Free!
How to Use a Test Light