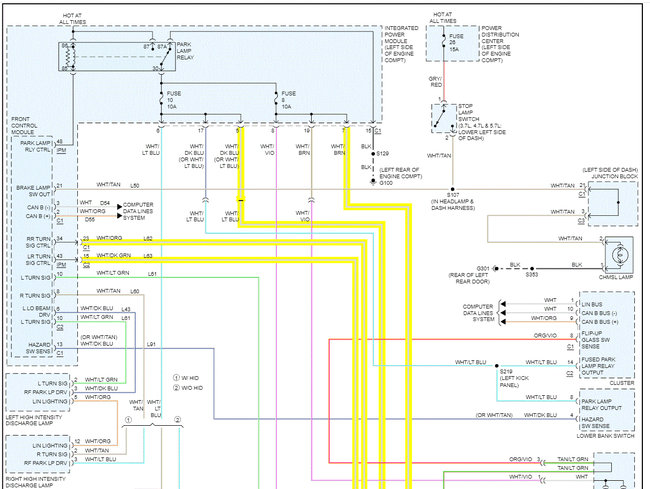
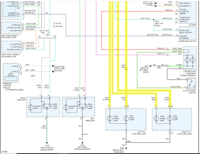
Monday, June 13th, 2022 AT 1:13 PM
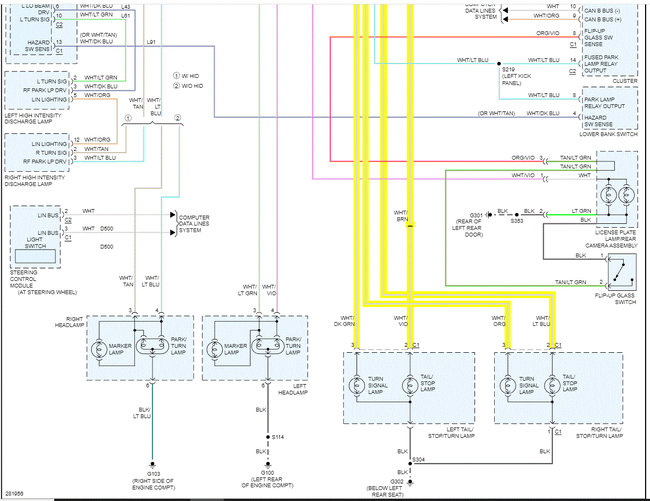
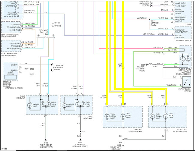
Okay, so, when my lights are off my brake lights taillights and turn singles work but when I go and turn my lights on at night, I don't have any power in the back. I don’t know where to start. Could anyone help me?



