Taillights not working?

Tiny
DAVIDDEBRO
  • MEMBER
  • 2010 HONDA CRV
  • 4 CYL
  • 4WD
  • AUTOMATIC
  • 78,000 MILES
Brake lights work but not running lights.
Wednesday, July 25th, 2018 AT 10:37 AM

23 Replies

Tiny
DANNY L
  • MECHANIC
  • 5,648 POSTS
Hello, I am Danny.

First question. Have you checked the fuse in in under hood fuse/relay box?
Danny-
Was this
answer
helpful?
Yes
No
-1
Friday, July 27th, 2018 AT 6:13 AM
Tiny
DAVIDDEBRO
  • MEMBER
  • 4 POSTS
Which fuse? None are listed for taillights or running lights? I looked at both fuse box labels for inside car and under hood.
Was this
answer
helpful?
Yes
No
+4
Friday, July 27th, 2018 AT 9:26 AM
Tiny
DANNY L
  • MECHANIC
  • 5,648 POSTS
Hello again.

It is in the fuse box located under dash and the fuse is #15. Picture attached. Hope this helps.
Danny-
Was this
answer
helpful?
Yes
No
+6
Friday, July 27th, 2018 AT 9:50 AM
Tiny
DAVIDDEBRO
  • MEMBER
  • 4 POSTS
Thanks, I will try that.
Was this
answer
helpful?
Yes
No
-2
Friday, July 27th, 2018 AT 10:34 AM
Tiny
DANNY L
  • MECHANIC
  • 5,648 POSTS
You are welcome.
Let me know if you have any other question and thanks for using 2CarPros.
Danny-
Was this
answer
helpful?
Yes
No
Friday, July 27th, 2018 AT 11:41 AM
Tiny
DAVIDDEBRO
  • MEMBER
  • 4 POSTS
That was it, fuse #15. Now to see if it blows again.
Was this
answer
helpful?
Yes
No
+1
Friday, July 27th, 2018 AT 1:05 PM
Tiny
DANNY L
  • MECHANIC
  • 5,648 POSTS
Hello again.
Glad to help. Let us know what happens and thanks again for using 2CarPros.
Danny-
Was this
answer
helpful?
Yes
No
+1
Friday, July 27th, 2018 AT 1:09 PM
Tiny
KARENLEA
  • MEMBER
  • 2 POSTS
  • 2007 HONDA CRV
  • 4 CYL
  • AUTOMATIC
  • 73,000 MILES
We bought this CRV about a month ago and had a base plate and plug mounted to enable towing behind our RV. Now the tail lights on the CRV do not work. The fuse is not blown; seemingly, all other lights are functioning normally, including dash lights. Can you help?
Was this
answer
helpful?
Yes
No
+1
Tuesday, August 4th, 2020 AT 12:28 PM (Merged)
Tiny
DOCHAGERTY
  • MECHANIC
  • 9,603 POSTS
The only help that I can send from cyberspace is advice. Return to the installing technician and have them recheck their work. Other than the possibility that both the tail light bulbs require replacement, I am at a loss.
Was this
answer
helpful?
Yes
No
Tuesday, August 4th, 2020 AT 12:28 PM (Merged)
Tiny
KARENLEA
  • MEMBER
  • 2 POSTS
Thank you for your reply! I knew it was a long shot, and I did find a schematic that showed where the actual fuse is for the tail lights. Our owners manual pointed to the fuse box under the hood, but it was actually #15--located inside the car. It is actually in front of the relay.
Was this
answer
helpful?
Yes
No
+1
Tuesday, August 4th, 2020 AT 12:28 PM (Merged)
Tiny
DOCHAGERTY
  • MECHANIC
  • 9,603 POSTS
Well. Sometimes we take those longshots here at 2CarPros!
Was this
answer
helpful?
Yes
No
+1
Tuesday, August 4th, 2020 AT 12:28 PM (Merged)
Tiny
WHEWETT63
  • MEMBER
  • 2 POSTS
  • 2006 HONDA CRV
  • 2.4L
  • 4 CYL
  • 2WD
  • AUTOMATIC
  • 175,000 MILES
My rear passenger side brake and running lights not working. Replaced bulbs but still nothing, but when I lock the doors they blink on as they should. I do not understand. Thanks for any help.
Was this
answer
helpful?
Yes
No
Tuesday, August 4th, 2020 AT 12:28 PM (Merged)
Tiny
KEN L
  • MASTER CERTIFIED MECHANIC
  • 55,481 POSTS
Hello,

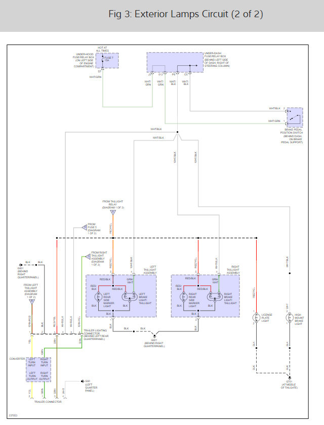
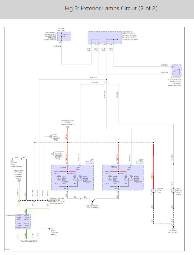
You must be loosing power somewhere. Here are the wiring diagrams for the car tail and brake lights so you can see how the system works along with a guide to show you how to test for power.

https://www.2carpros.com/articles/how-to-use-a-test-light-circuit-tester

Start by checking the fuses

https://www.2carpros.com/articles/how-to-check-a-car-fuse

Also check the connector at the tail light lens

The running lights are wired together so it makes me thing the problem is at the lens

Check out the diagrams (Below)

Please let us know what you find. We are interested to see what it is.

Cheers, Ken
Was this
answer
helpful?
Yes
No
Tuesday, August 4th, 2020 AT 12:28 PM (Merged)
Tiny
WHEWETT63
  • MEMBER
  • 2 POSTS
Hi Ken, Thanks so much for responding back. Will be out of town this weekend soon as I return I will check it all out and get back to you. Thanks so much and have a great weekend.
Was this
answer
helpful?
Yes
No
Tuesday, August 4th, 2020 AT 12:28 PM (Merged)
Tiny
KEN L
  • MASTER CERTIFIED MECHANIC
  • 55,481 POSTS
It looks like I forgot the fuse panel diagrams so I updated the post. Please let me know what happens.
Was this
answer
helpful?
Yes
No
+1
Tuesday, August 4th, 2020 AT 12:28 PM (Merged)
Tiny
DVCAIN
  • MEMBER
  • 1 POST
  • 2006 HONDA CRV
  • 4 CYL
  • 4WD
  • AUTOMATIC
  • 230,000 MILES
When the brake pedal is pressed the right rear lights work properly, but on the left side the taillight filament on the brake/tail light bulb comes on. I checked the light socket with a test light and have power to both contacts when the brake pedal is pressed but only the taillight filament of the bulb comes on. I also checked the bulb and it works when I put power to the brake/turn signal filament.
Was this
answer
helpful?
Yes
No
Tuesday, August 4th, 2020 AT 12:28 PM (Merged)
Tiny
KASEKENNY
  • MECHANIC
  • 18,907 POSTS
That is interesting because I suspect the issue is the splice inside the assembly. It is interesting because I have not seen that specific failure before but it appears this would be the issue if you have power at both connectors and the bulb works.

Let me know if I am understanding this correctly but it would make sense if this assembly has this splice inside of it.
Was this
answer
helpful?
Yes
No
Tuesday, August 4th, 2020 AT 12:28 PM (Merged)
Tiny
CIRCA55
  • MEMBER
  • 3 POSTS
  • 2001 HONDA CRV
  • 150,000 MILES
Dash lights and tail lights do not work until car warms up. E-Brake lamp is lit at start, but turns off at warm up.
Was this
answer
helpful?
Yes
No
Tuesday, August 4th, 2020 AT 12:29 PM (Merged)
Tiny
KHLOW2008
  • MECHANIC
  • 41,814 POSTS
Check the brake fluid level.
The taillights and dash lights are in the same circuit and are straightforward circuits.
Check the switch, fuses and wirings for loose connections.
Was this
answer
helpful?
Yes
No
+1
Tuesday, August 4th, 2020 AT 12:29 PM (Merged)
Tiny
CIRCA55
  • MEMBER
  • 3 POSTS
Brake fluid level is good.
The lights all turn on/off simultaneously.
Was this
answer
helpful?
Yes
No
Tuesday, August 4th, 2020 AT 12:29 PM (Merged)

Please login or register to post a reply.