Taillights not working

Tiny
SANDYCOURTNEY
  • MEMBER
  • 2008 CHRYSLER SEBRING
  • 50,006 MILES
Changed all fuses and bulbs tail lights wont work.
Saturday, July 13th, 2019 AT 1:56 PM

3 Replies

Tiny
KASEKENNY
  • MECHANIC
  • 18,907 POSTS
Hi SandyCourntney,

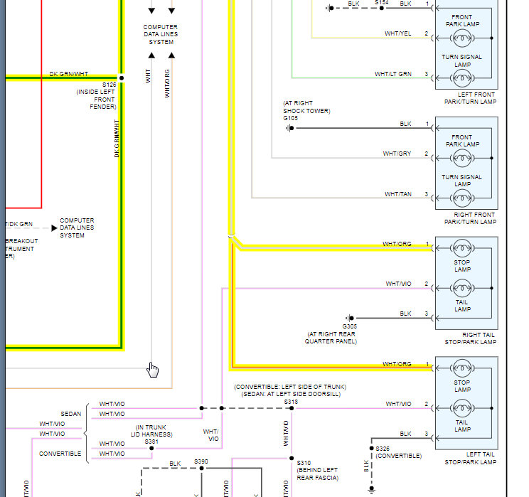
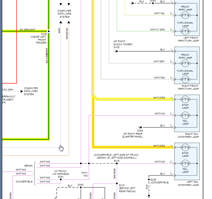
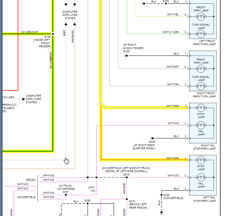
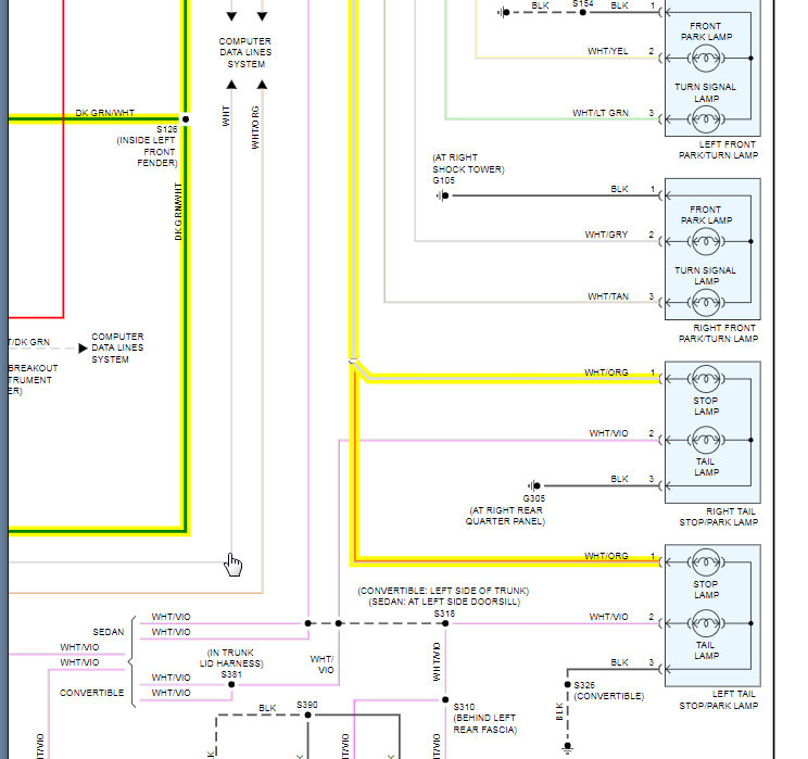
I assume that all three lamps are not working. If not, then this could be the stop lamp switch. This is on your brake pedal and when you press the brakes it closes the switch to turn the lights on. It has power to it all the time and then when it closes by pressing the pedal, it sends power to the TIPM which sends power to the tail lights. The third brake light gets a feed directly off the switch so if it is all three not working then the switch makes the more sense.

I included the process to replace the switch. Let me know if you need more info or if it is just the tail lights that don't work. Thanks
Was this
answer
helpful?
Yes
No
Saturday, July 13th, 2019 AT 6:31 PM
Tiny
SANDYCOURTNEY
  • MEMBER
  • 2 POSTS
Yes, it is just the taillights that don't work. The ones that stay on while driving. Just got pulled over yesterday evening glad I didn't get a ticket. My brake lights and signal lights work.
Was this
answer
helpful?
Yes
No
-1
Saturday, August 17th, 2019 AT 10:02 PM
Tiny
KASEKENNY
  • MECHANIC
  • 18,907 POSTS
Okay. So if the brake lights and turn lights work, then we need to inspect the license plate lamps (2 of them) and the rear parking lamps. If so, there is a possible wiring issue or it is the TIPM (power module) itself. There is a control circuit that if it is the TIPM then that will need to be replaced. Unfortunately, there are not serviceable. Let me know if these are out as well and we can go from there. Thanks
Was this
answer
helpful?
Yes
No
-2
Sunday, August 18th, 2019 AT 4:13 PM

Please login or register to post a reply.