Wednesday, September 7th, 2022 AT 6:22 AM
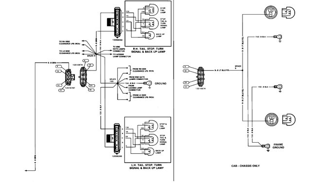
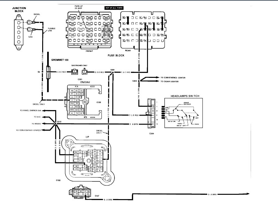
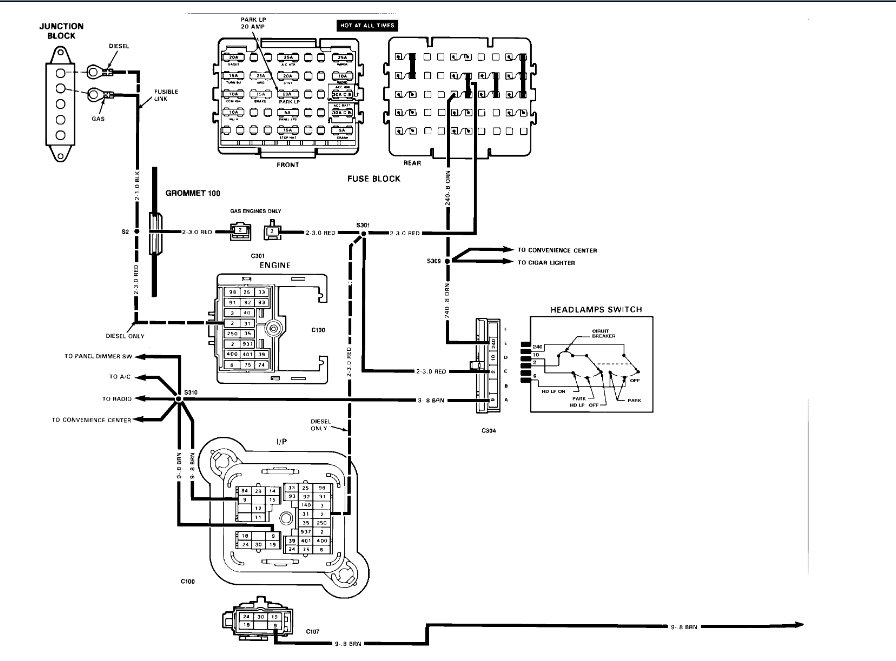
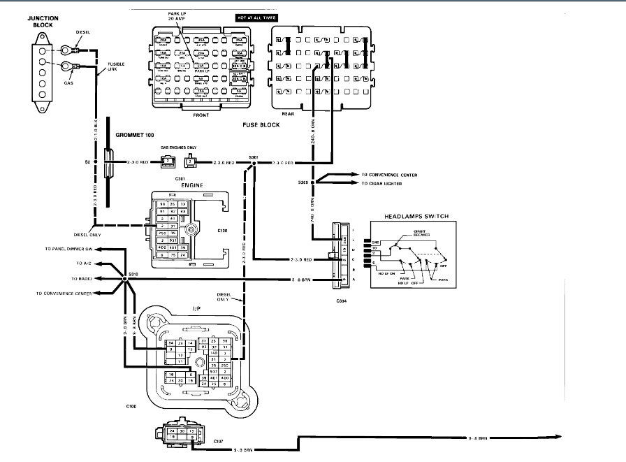
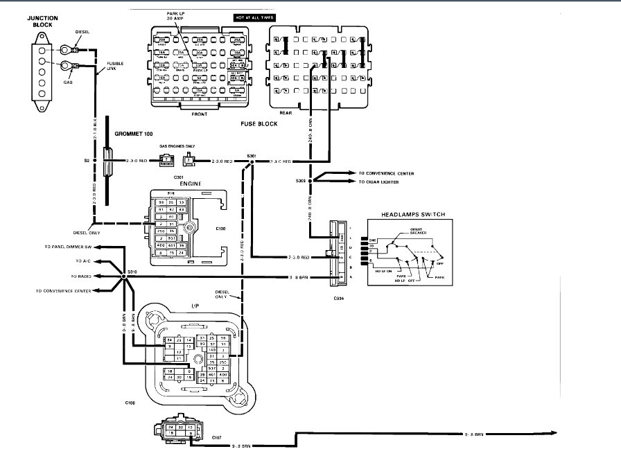
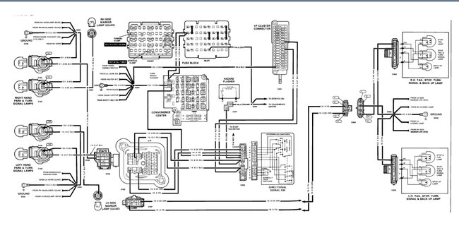
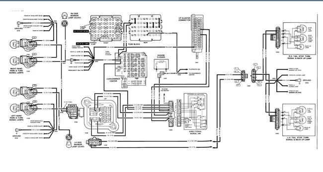
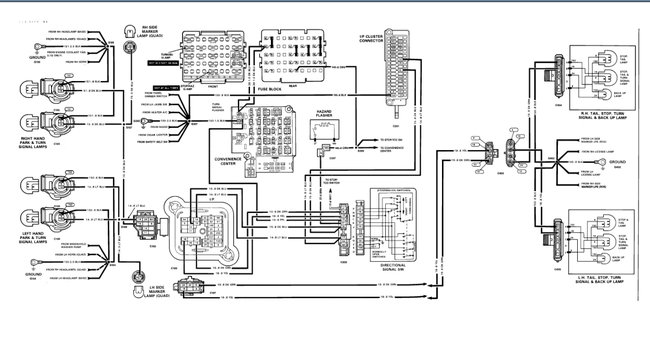
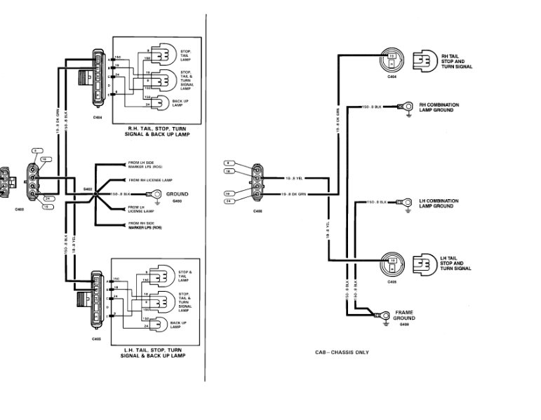
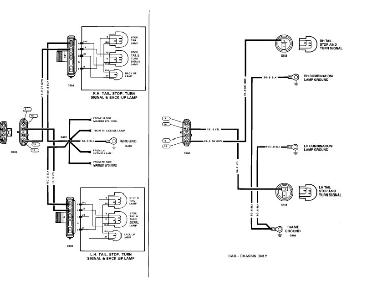
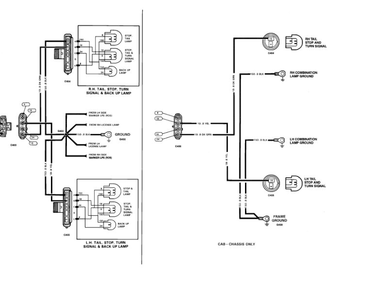
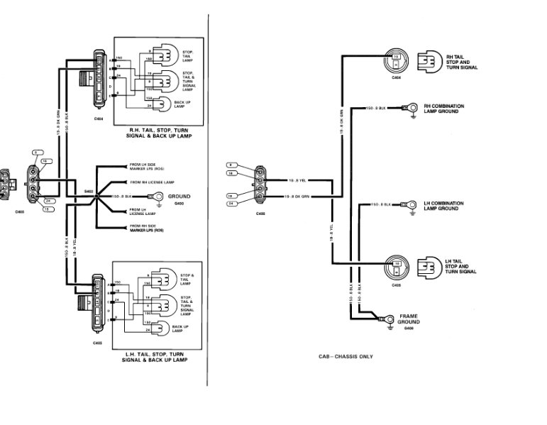
After replacing the instrument cluster to fix several gauges, get a code 9 flashing brake signal, and now only the turn signal lights work in the back. No reverse lights, no parking or brake lights in the rear. Brakes work fine, all gauges work on cluster now. I have tried removing and reinstalling the cluster to no avail. The rear light assemblies are both brand new.






