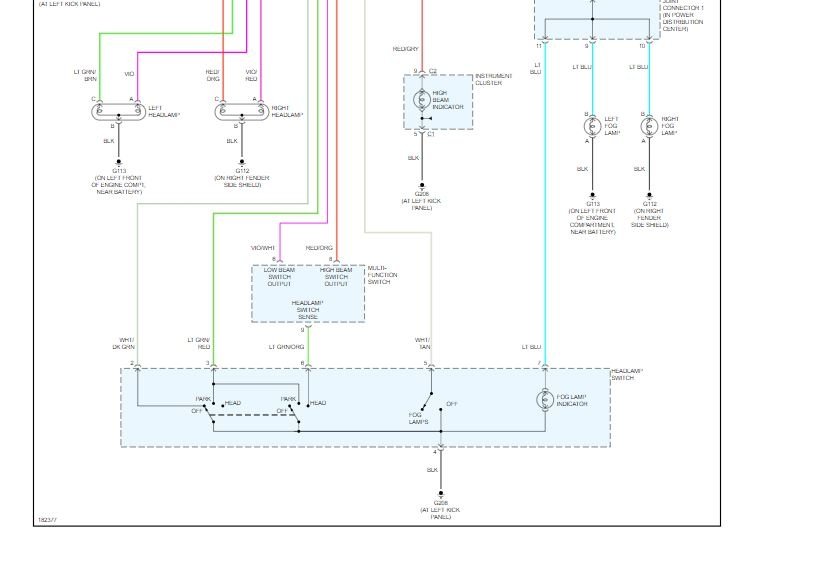
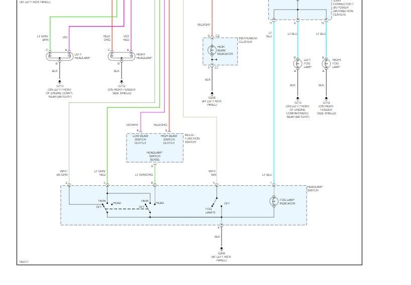
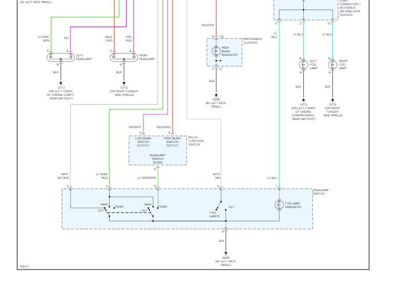
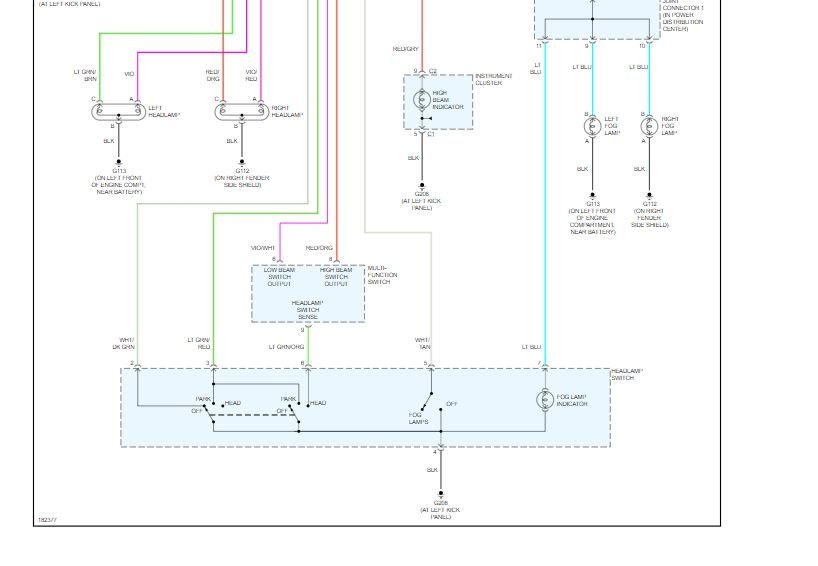
Still reading continuity across the blown fuse.
is there anything else on this circuit I can disconnect to try to isolate the short?
once everything is unhooked, if I still have a short, is there any way to isolate parts of the harness? Because its mostly in huge bundles of wires in tape and plastic jacketing.
Tuesday, March 31st, 2020 AT 2:59 PM






