Taillights and dashboard lights are not working properly?

Tiny
DALE 7819
  • MEMBER
  • 1997 DODGE RAM
  • 3.6L
  • V6
  • 2WD
  • AUTOMATIC
  • 250,000 MILES
I can't get the taillights or dash lights to work at the same time. Sometimes the dash will work, but I have yet to get the taillights working. One of the brake lights works, some times. Also, I only have one headlight. The other has no power going to it. The wiring is so bad on this truck that I paid $200 for. Can you give me some basics to narrow done my scope of fixing this problems?
Friday, December 19th, 2025 AT 6:43 AM

1 Reply

Tiny
STEVE W.
  • MECHANIC
  • 15,686 POSTS
That is actually a safety feature on most cars from the mid 70's on up. The tail lights and dash lights are connected. The idea is that you may not notice that the taillights are out but you would notice that the dash is out, so it would serve as a warning, the problem is that very few drivers are ever taught what it means if the dash is out. There are only two items in that circuit that are shared, the light switch itself and the joint connector under the fuse box that connects the two circuits together. Now you say you have gotten the dash to work a few times, was that by using the headlight switch? They are a common failure item. The first two images show the two common parts. I would start with the switch myself. It is part 4886449AB and powers the dash and running lights as well as the rest of the lights. Not hard to replace them, you remove the trim around the gauge panel, then the screws from the small plastic trim. Next you remove the electrical connector and pull the knob out by pressing the release button. Then replace the switch and reverse the process. Now while you have it apart you can test to see if it will be repaired with just the switch. To do that look at the connector on the headlight switch harness, find the Pink wire with red stripe, it is the power feed. Now find the Black wire with a yellow stripe, that is the running lamp feed. If you use a piece of wire to jump them the tail lights and other marker lights should come on.
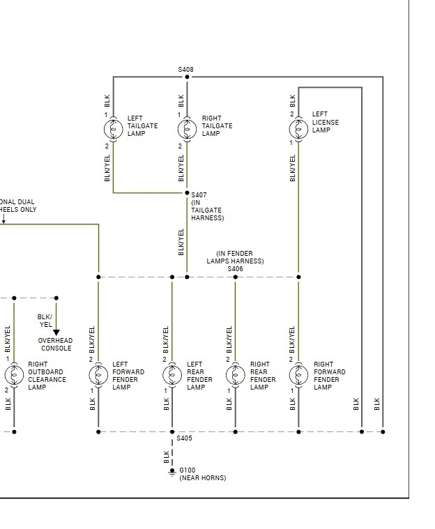
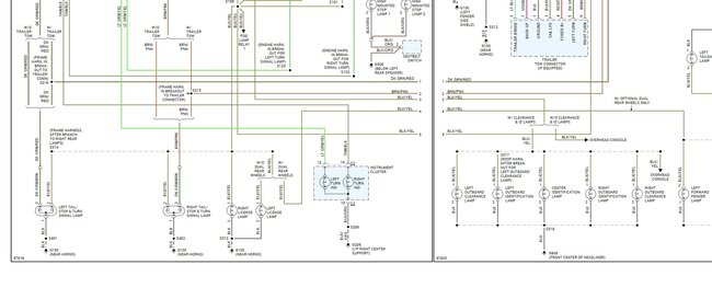
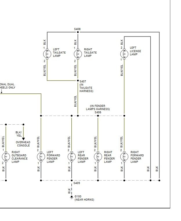
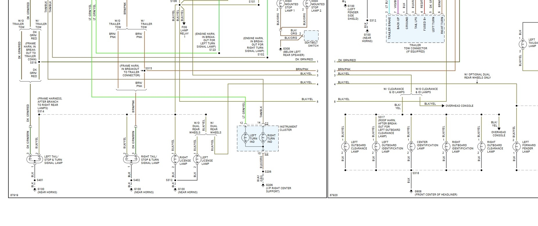
The other 3 diagrams are the exterior lighting for everything. Did this truck ever tow or have extra lights added? Those are both ways to damage the switch.
Was this
answer
helpful?
Yes
No
Friday, December 19th, 2025 AT 10:43 AM

Please login or register to post a reply.