Sunday, November 6th, 2016 AT 7:20 AM
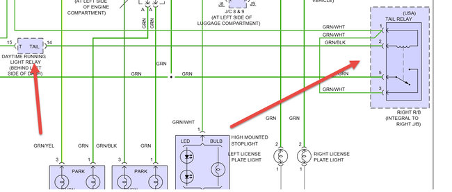
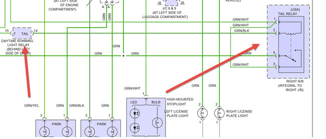
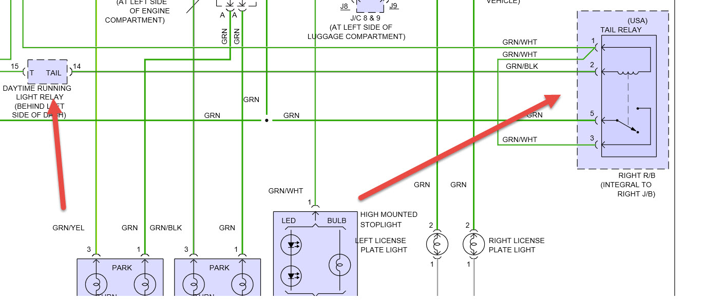
Please help. Tail lights and console lights do not work. All other lights work. Fuses, bulbs and headlight switch checked. Car has a daytime running light system. Need to get tail lights to work. Can you help?


