Tuesday, December 29th, 2020 AT 1:36 PM
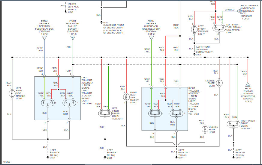
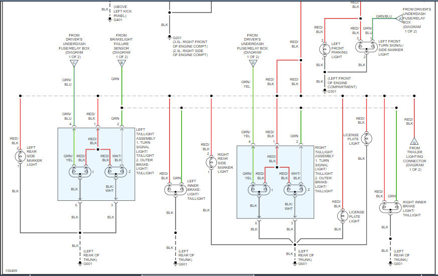
Right front tire blew out an parts of tire came up and destroyed the head light assembly and pulled the wires from the headlight. It also pulled the wiring apart for the headlight. I repaired the wiring and installed new headlight. Front lights work okay, all rear lights work except the taillights. Checked all fused I could find and all were okay. Is there a fuse or relay some where I don't know about?






