Thursday, October 19th, 2017 AT 7:39 AM
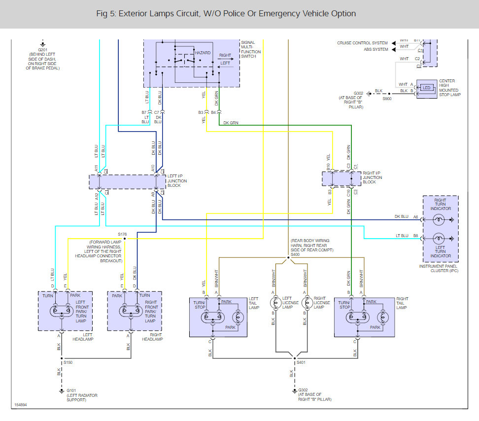
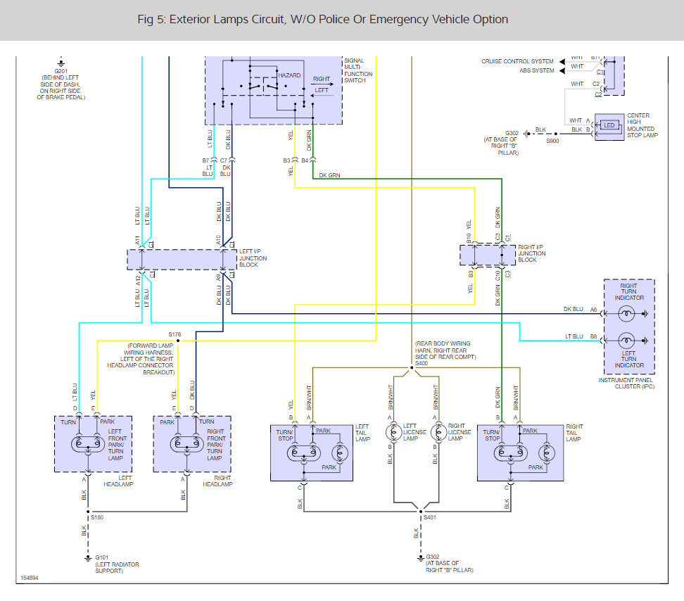
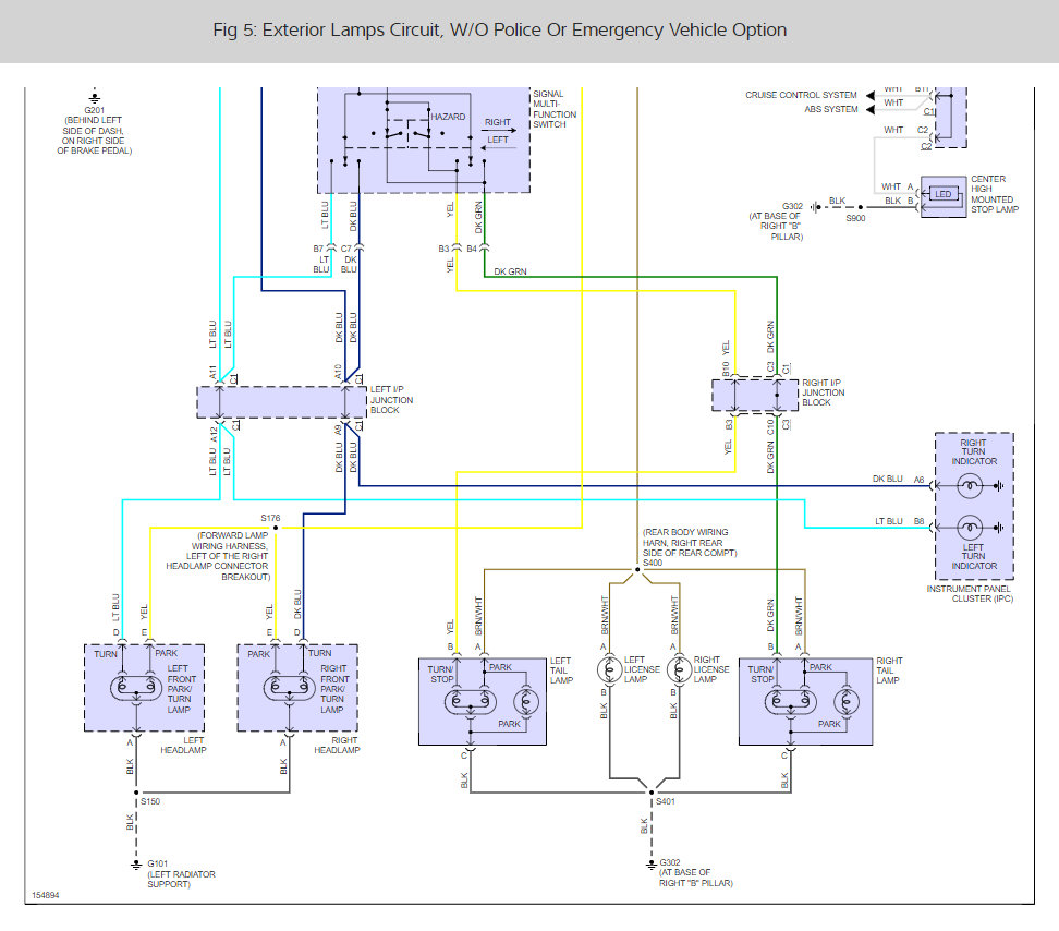
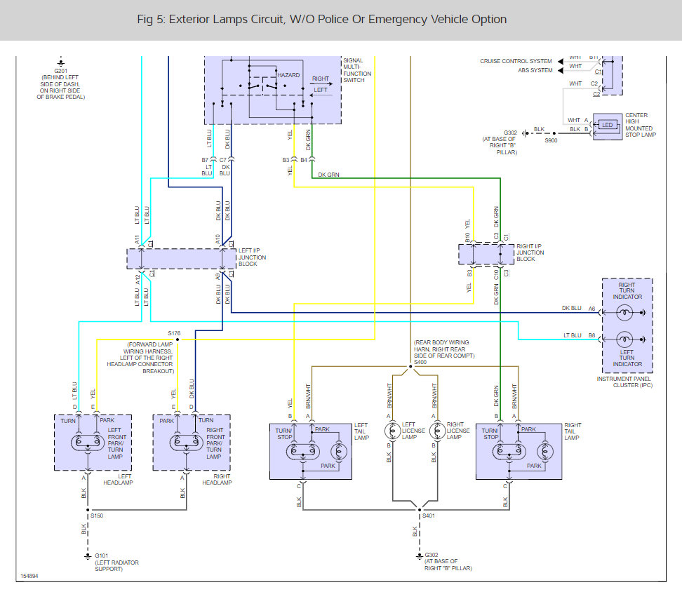
When I drive my tail lights do not come on at night. But my blinkers work. Do you think it is the actual bulb or do I need to replace the whole light?






