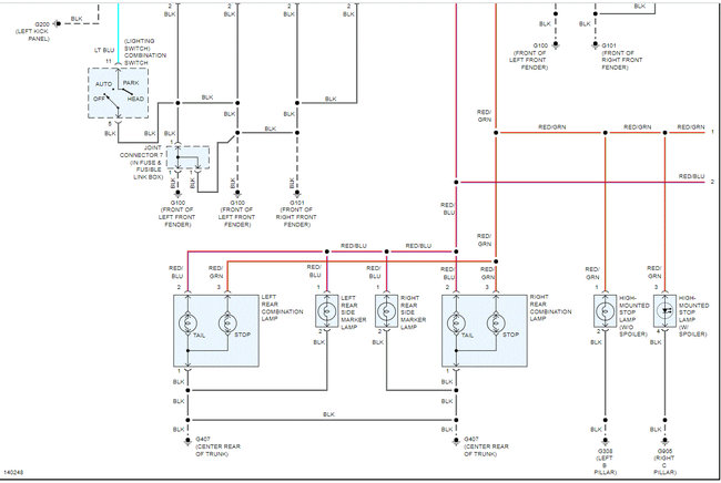
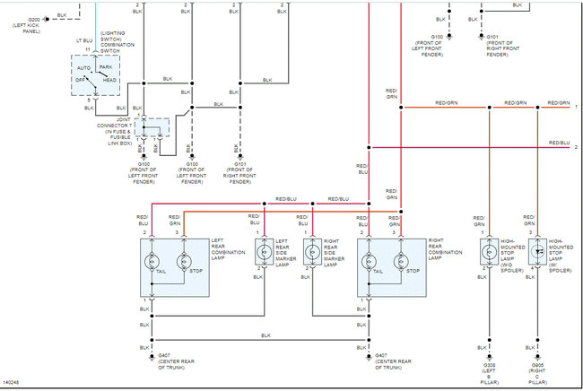
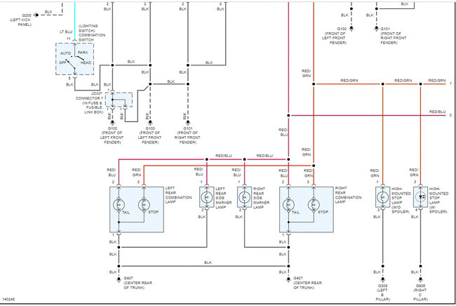
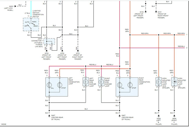
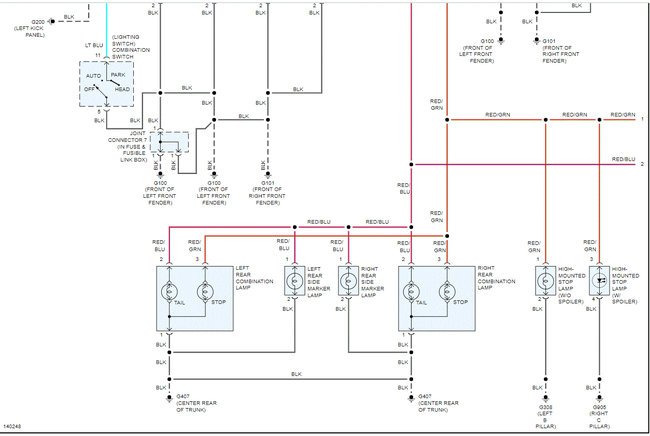
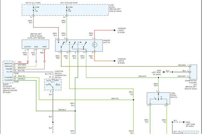
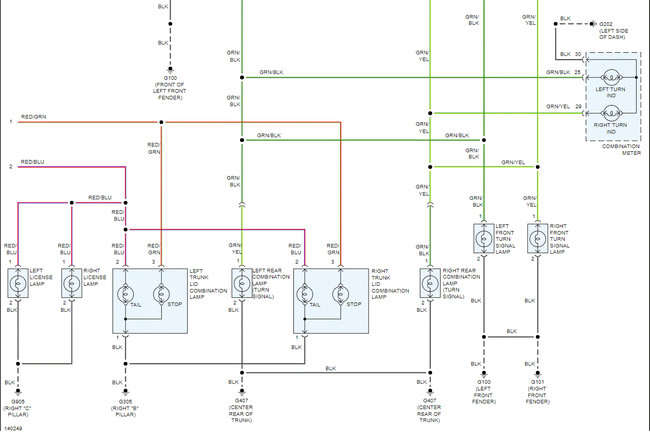
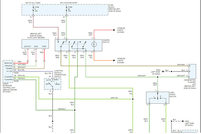
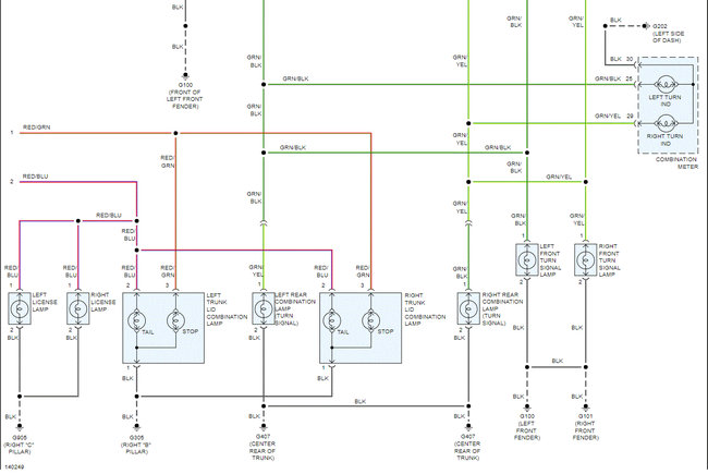
Tuesday, March 23rd, 2021 AT 9:30 AM
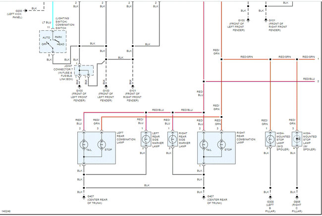
I have the vehicle listed above with no working tail light but brake lights work. I have changed the fuse the relay and the brake switch. None of my wiring is bad or connector. What can my problem be? Every time I switch fuse and turn on it blows.







