Saturday, May 7th, 2022 AT 1:30 PM
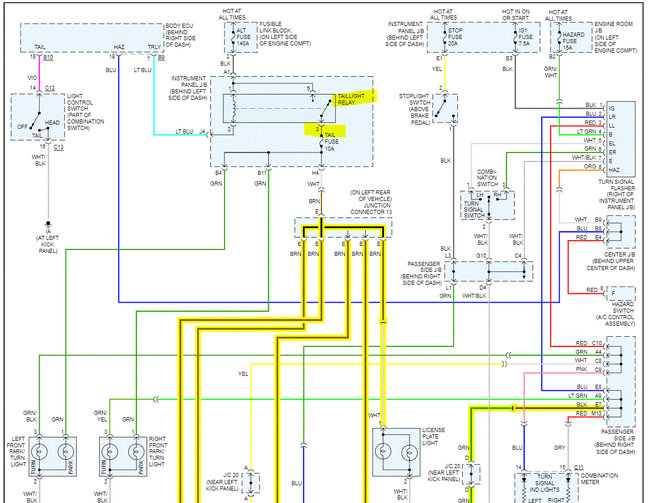
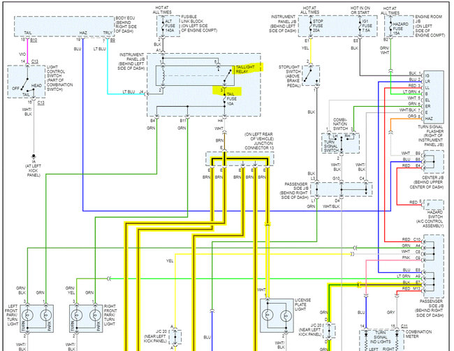
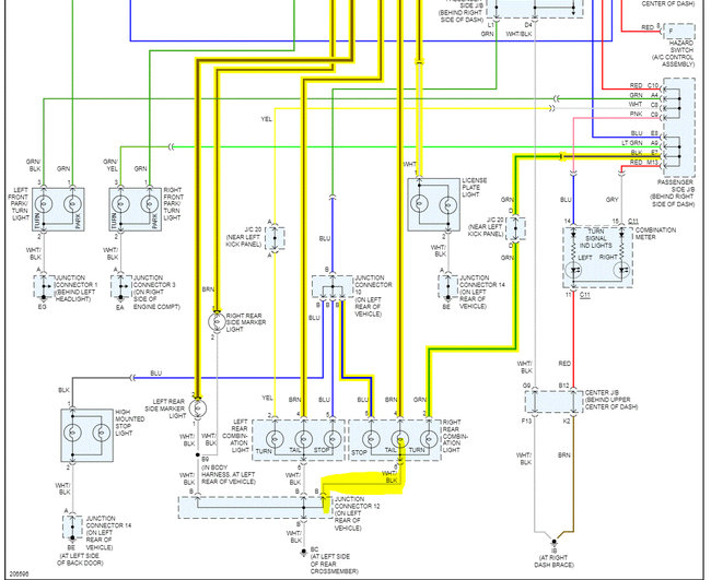
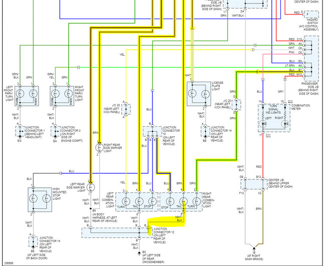
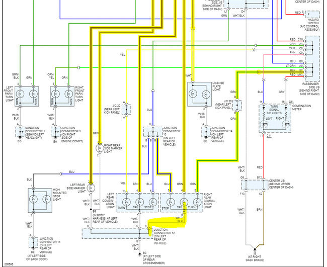
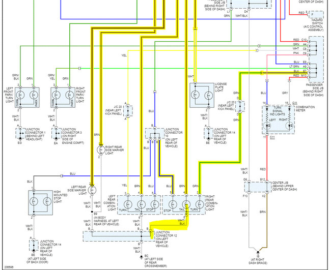
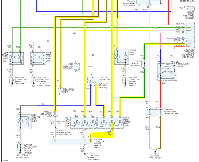
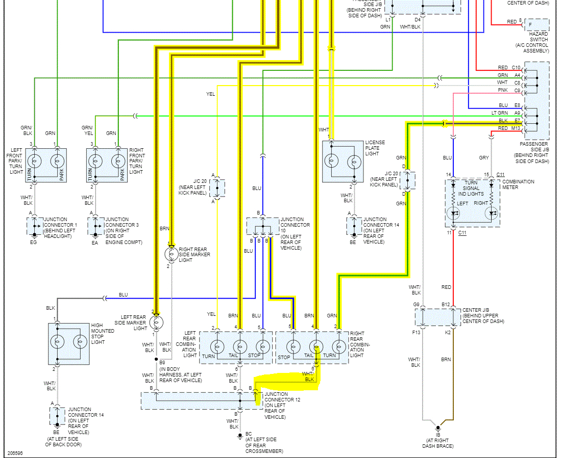
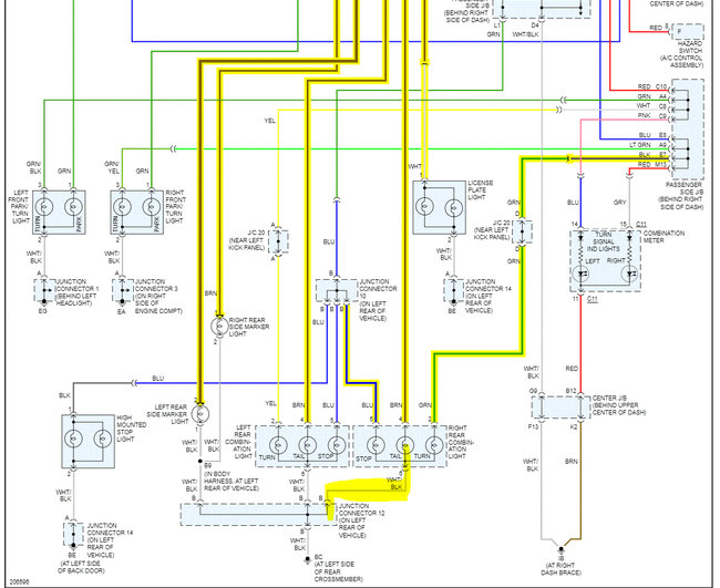
I backed into a tree a few years back and broke the passenger taillight. All lights still worked fine so I taped it up good with all the red and clear tape necessary to avoid a ticket. Finally, a few years of driving tapped up my brother bought a new taillight for my car so he could use it to take his driving test. It was super easy to install but now only the reverse light comes on.

