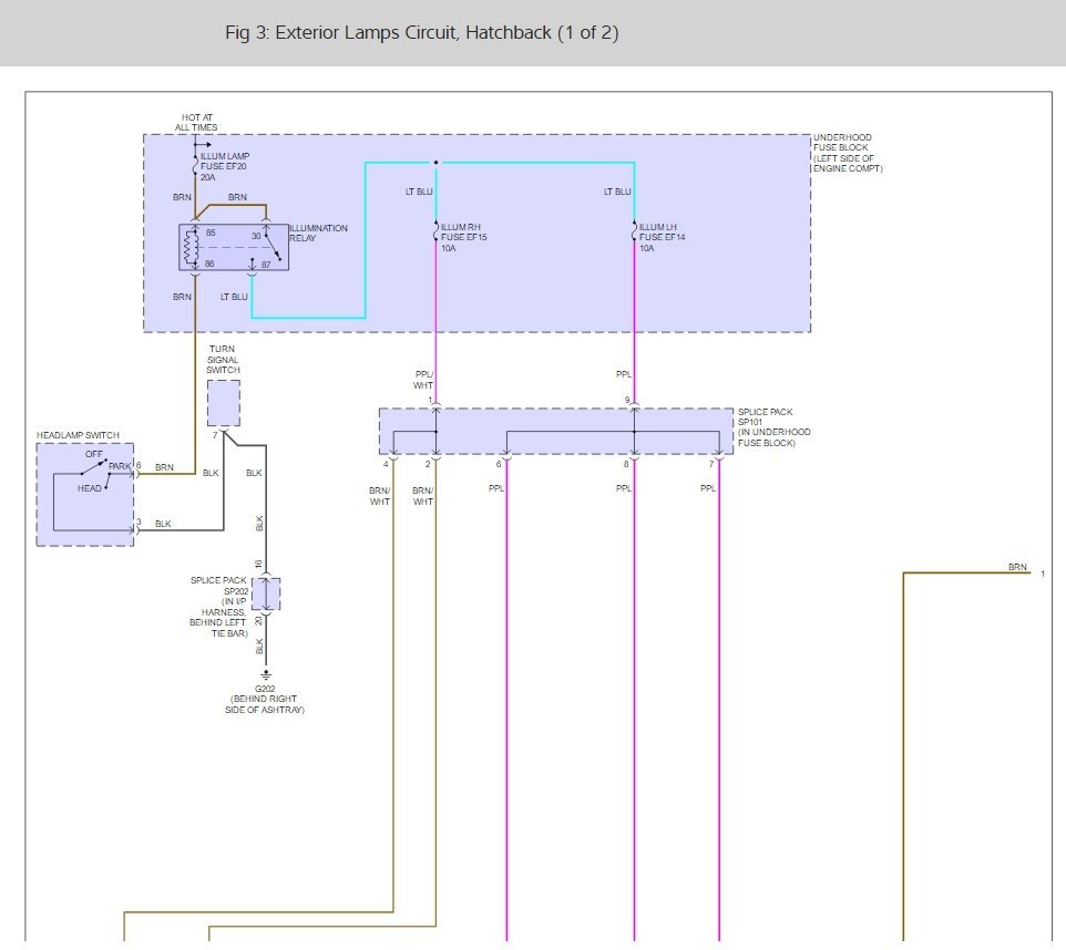
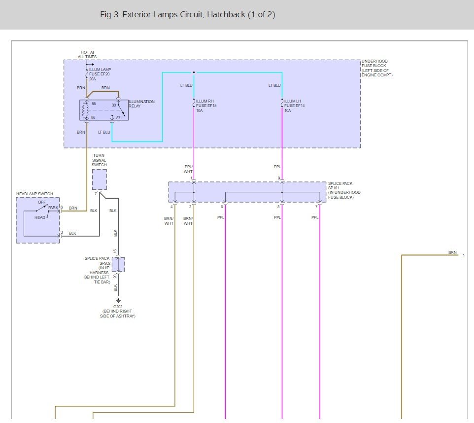
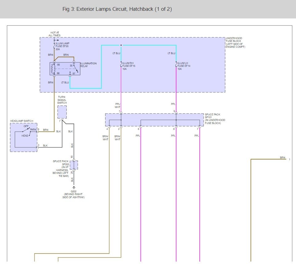
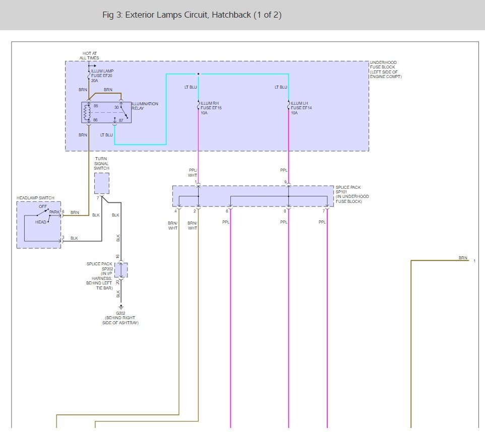
Thursday, May 18th, 2017 AT 6:56 PM
My driver side tail light the running lights are off. I changed socket bulbs fuses nothing works. It works while driving but not on stand still. Please advice.



