Left taillight does not work

Tiny
CORA MOORE
  • MEMBER
  • 2002 CHEVROLET TAHOE
  • 6 CYL
  • 4WD
  • AUTOMATIC
  • 187,544 MILES
Just the top part blinker works reverse light works, but not the two. I've swapped out the housing for a new one still the same problem.
Monday, January 10th, 2022 AT 1:08 PM

1 Reply

Tiny
JACOBANDNICKOLAS
  • MECHANIC
  • 110,194 POSTS
Hi,

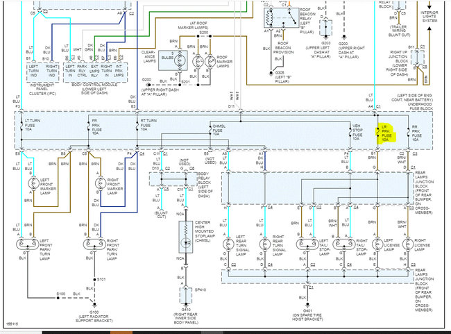
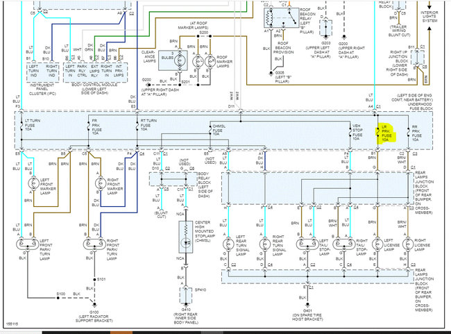
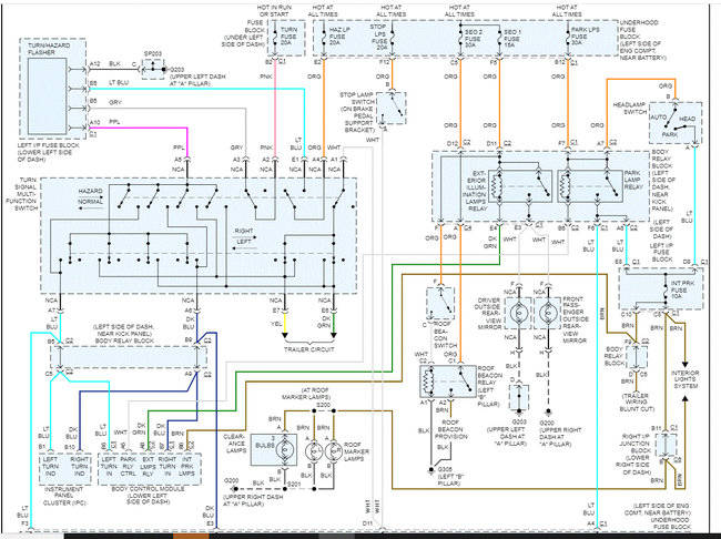
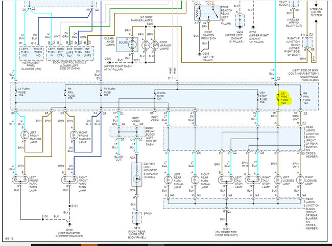
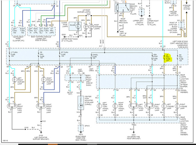
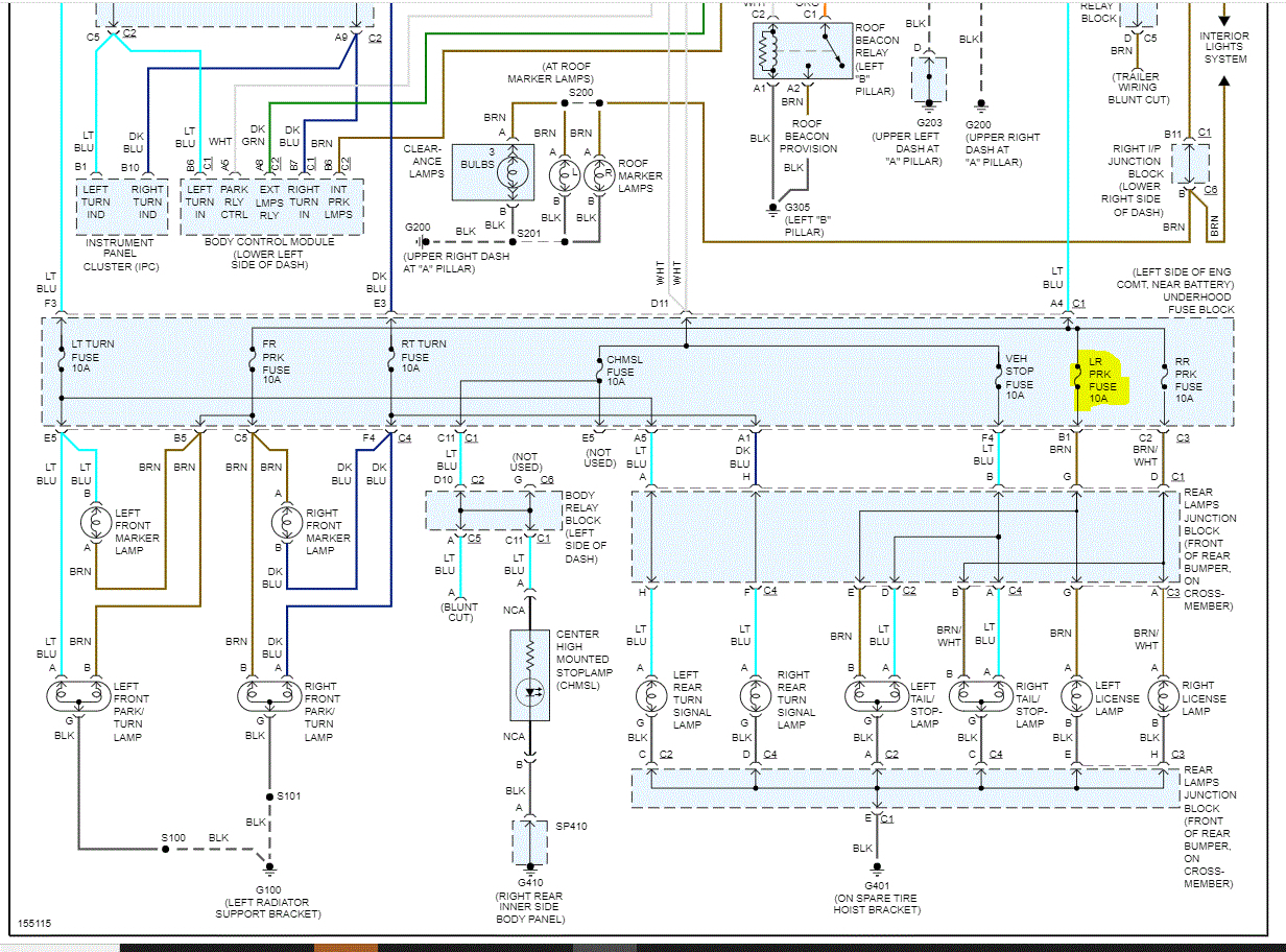
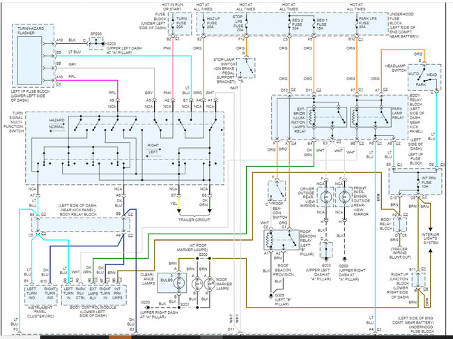
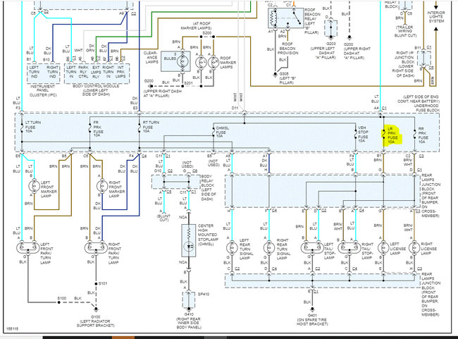
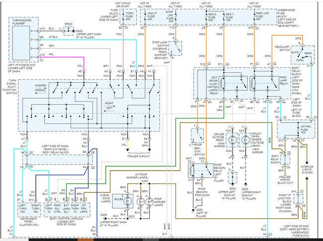
I looked through the wiring schematic for the exterior lights, which I attached below. There is a specific fuse for the left rear taillights.

The first thing we need to check is that. It is located in the under-hood fuse box. If you look at pics 3 and 4, it shows what fuse 33 is responsible for and the location of the fuse in the box.

When you check this fuse, it is important to make sure it is good. Additionally, if the fuse is good, it's really important to check for power to and from it. There is another fuse further up that powers it, but I don't think that is the issue.

Here is a link you may find helpful:

https://www.2carpros.com/articles/how-to-check-a-car-fuse

Let me know if this helps or if you have other questions.

Take care,

Joe

See pics below.
Was this
answer
helpful?
Yes
No
Monday, January 10th, 2022 AT 8:11 PM

Please login or register to post a reply.