Tail/brake lights not working?

Tiny
NOELLE88
  • MEMBER
  • 2005 SUBARU LEGACY
  • 2.5L
  • 4 CYL
  • 4WD
  • MANUAL
  • 169,000 MILES
All of my lights work besides my brake and running lights on the top of my taillights on the left and right sides. My back up lights work, the bottom works but I can't figure out why the top doesn't work. I replaced the bulbs, I've checked and replaced fuses and relays, and I've tested the sockets the bulbs go into. The only time the top works is when I turn on the hazards. I can't figure this out!
Sunday, March 19th, 2023 AT 10:30 AM

4 Replies

Tiny
AL514
  • MECHANIC
  • 5,580 POSTS
Hello, does the 3rd Brake light work? The one centered at the top, high mounted Brake lamp? And the Turn signals, do they work? Just looking through the wiring diagrams to determine the setup your vehicle has.
And when you say you tested the sockets, did they have power during testing? Or light a test light? If you used a meter or test light and had voltage at the sockets, and you used the body or frame as a ground for the test light with positive results then it sounds like there is a bad ground for the brake/tail light assembly. But more info is needed on your testing procedure.

https://www.2carpros.com/articles/how-to-use-a-voltmeter

https://www.2carpros.com/articles/how-to-use-a-test-light-circuit-tester
Was this
answer
helpful?
Yes
No
Sunday, March 19th, 2023 AT 12:37 PM
Tiny
AL514
  • MECHANIC
  • 5,580 POSTS
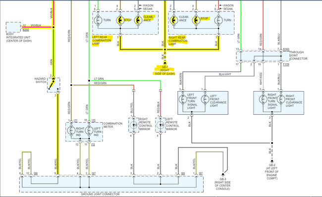
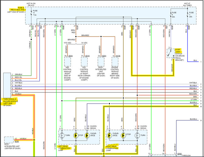
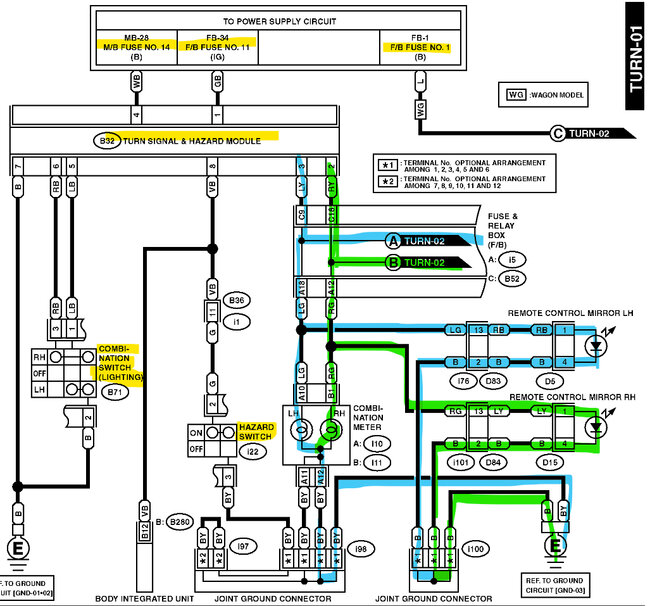
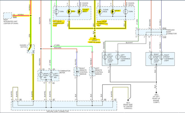
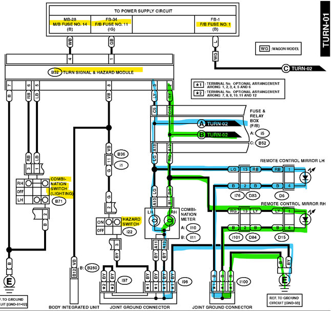
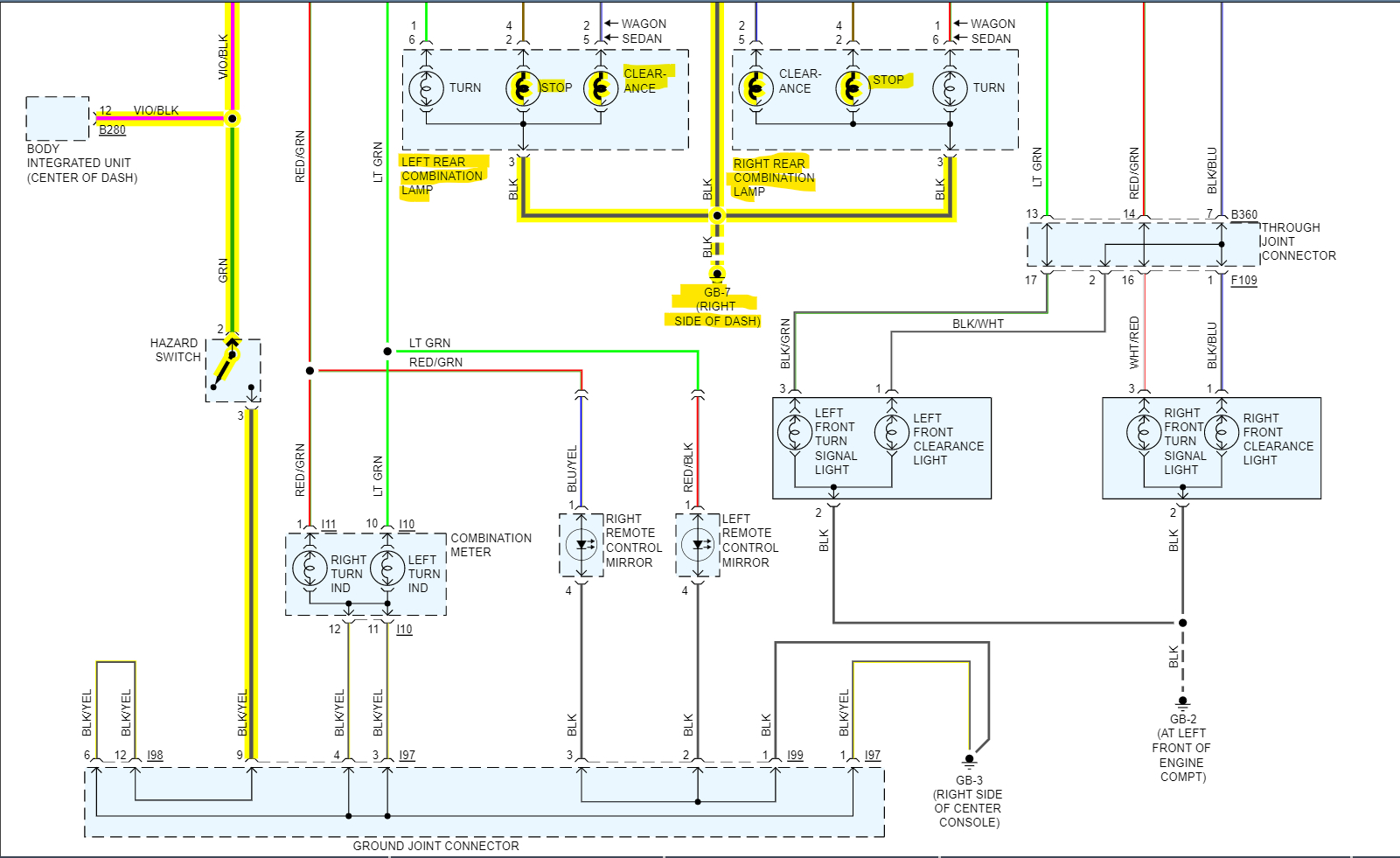
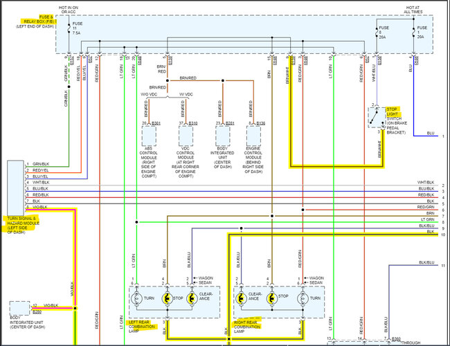
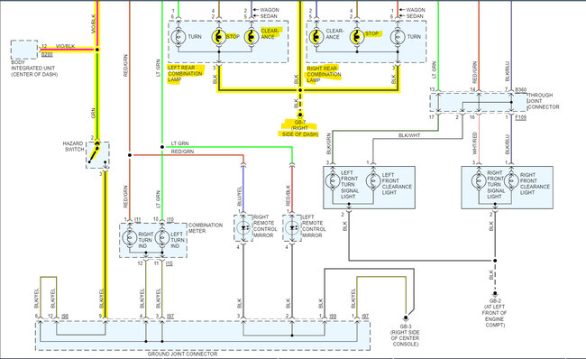
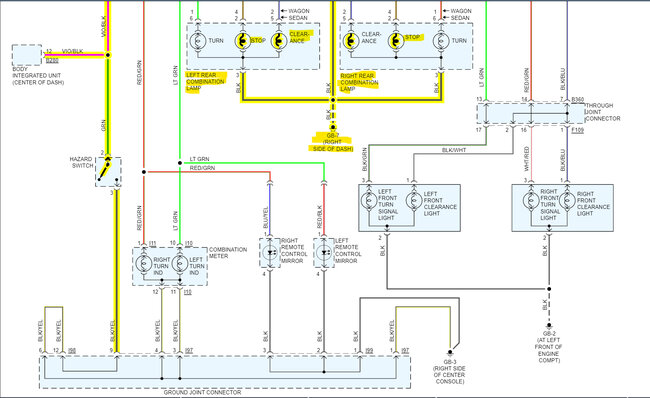
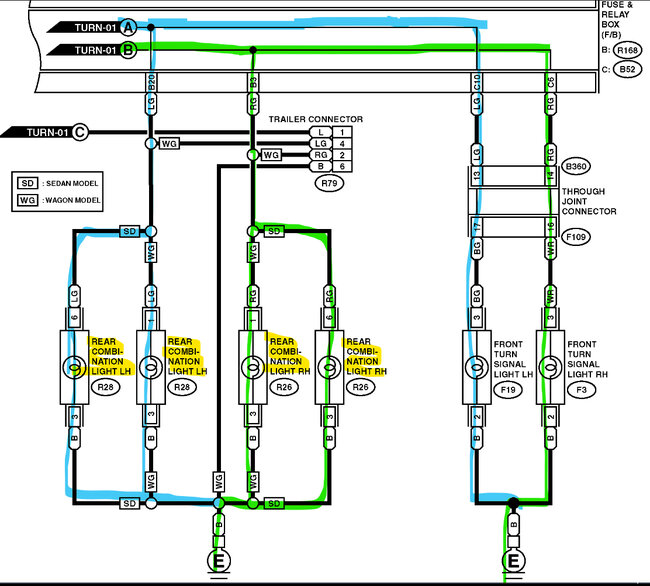
Here is the wiring diagram for the Lamp assemblies in the rear. If there isn't a bad ground issue, there might be a problem with the fuse panel that feeds the rear lamps, but without knowing how and what you tested it's difficult to say what exactly the issue is. The Brake lamps are on a completely different circuit than the turn signals except for the fuse panel, ground connection, or any bulk connector in series with the rear lamp assemblies.
Was this
answer
helpful?
Yes
No
Sunday, March 19th, 2023 AT 3:25 PM
Tiny
NOELLE88
  • MEMBER
  • 2 POSTS
The third brake light has been unplugged by the previous owner due to tinting the windows. Turn signals work. The only time the top works is when I have the hazards on. I used a fluke to test the sockets. I've been told by the previous owner that car toys screwed up the wiring when they installed the touch screen double din stereo that came with a backup camera. I had to fix the wiring for the backup camera to work when I got the car. They had grounded the camera to the license plate light. I fixed this 2 years ago when I got the car and it's been about 6 months with this current issue with the brake/taillights.
Was this
answer
helpful?
Yes
No
Monday, March 20th, 2023 AT 8:55 AM
Tiny
AL514
  • MECHANIC
  • 5,580 POSTS
When you used the Fluke meter to test the sockets did you have 12volts there? Also, 12volts with the Brake pedal depressed? To be honest with you, I'm going through the aftermarket wiring diagrams as well as the OEM Subaru diagrams, and I'm not sure either are correct. I used to actually work for Subaru and owned a 2005 Legacy, it was a great car. But these diagrams are showing the rear lamp assembly with turn, stop, and clearance lamps in each rear lighting assembly. So, 3 bulbs in each side, then there are turn signal LEDs in each side mirror, then the license plate lamps, but then just the Front turn signal lamps, I'm not seeing any upper lamps that you're mentioning. Can you take a picture for me and post it here? I even changed to an 06' and still the same. Does your vehicle have 2 sets of brake lamps on each side, one on top of the other?

Looking at the 2006 OEM Subaru diagrams, I'm seeing a completely different setup.
This diagram below is from a 2006 Legacy, I'm sure it's not much different from the 05'. But the build date of your car might be later in the year. There is a tag on the driver's door opening that will have a month/year that should be the build date. But even with this diagram I can't tell which would be the upper brake lamps and which is the lower, they have all the feed wires to the bulbs labelled as brown. And the Ground for each as black.
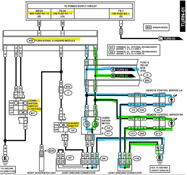
Below are the diagrams I could find that have two sets of bulbs, the 2005 diagrams do not, or they are incorrect.
Was this
answer
helpful?
Yes
No
Monday, March 20th, 2023 AT 12:46 PM

Please login or register to post a reply.