Tuesday, April 18th, 2023 AT 11:27 AM
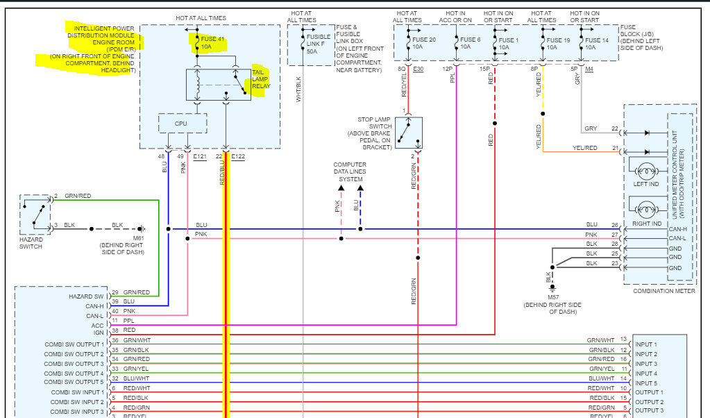
In my car listed above I recently got pulled over at night because none of my lights were on when he was following behind me (my tag lights and running rear lights) he didn’t give me a ticket but made me turn on my flashers so there would be some light when cars were behind me. I changed out the tag lights and they still don't work. My left/right rear blinkers. Flashers and brake lights work. So, my question is, what could be wrong with my tag lights and running taillights? Also, my right rear 6x9 speaker doesn't work at all?





