Where is the tag light fuse located?

Tiny
BRITTANY MCCANN
  • MEMBER
  • 2001 CHEVROLET IMPALA
  • AUTOMATIC
  • 120,000 MILES
Tag light fuse location needed.
Thursday, December 12th, 2024 AT 1:36 PM

1 Reply

Tiny
STEVE W.
  • MECHANIC
  • 15,698 POSTS
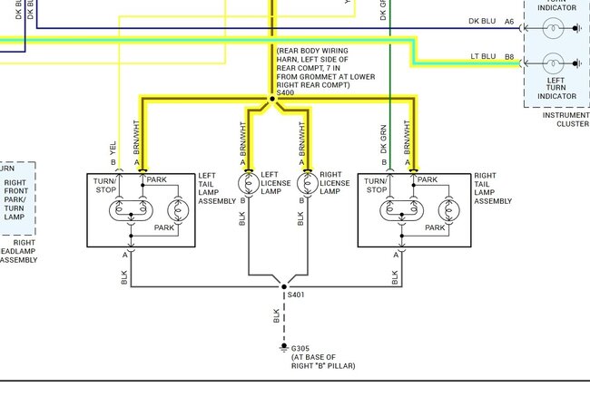
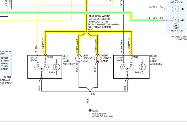
The only fuse powers those as well as the rear marker lights. If the taillights are working but the plate lights are not, then the fuse isn't the issue. If they are all out, then look at the rear park fuse in the right-side fuse box in the dash. If it only the plate lights then I would start with a test light and pull the bulbs and see if you have power in the sockets, if no power on either side, then you will need to check the harness. The brown wire is the voltage feed, the Black wire is the ground. The harness has a splice that might be failing, or the ground splice might be bad.
Was this
answer
helpful?
Yes
No
Thursday, December 12th, 2024 AT 2:49 PM

Please login or register to post a reply.