Sync radio screen will not come on

2011 FORD EXPLORER
105,000 MILES • 3.5L • 6 CYL • 4WD • AUTOMATIC
Avatar
LUMBEEINDIAN17
  • MEMBER
  • 16 POSTS
Temporarily lost communication with touch screen. I removed an aftermarket remote start system.
Jul 23, 2018 at 3:28 PM
Advertisement
Avatar
STRAILER
  • CAR REPAIR CONTRIBUTOR
  • 54,279 POSTS
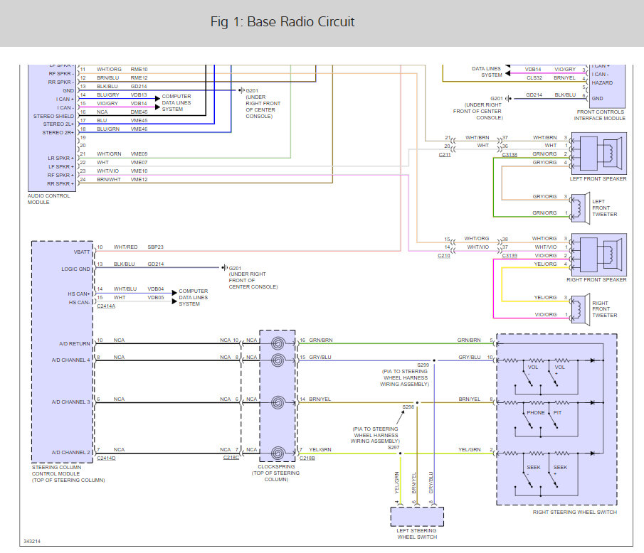
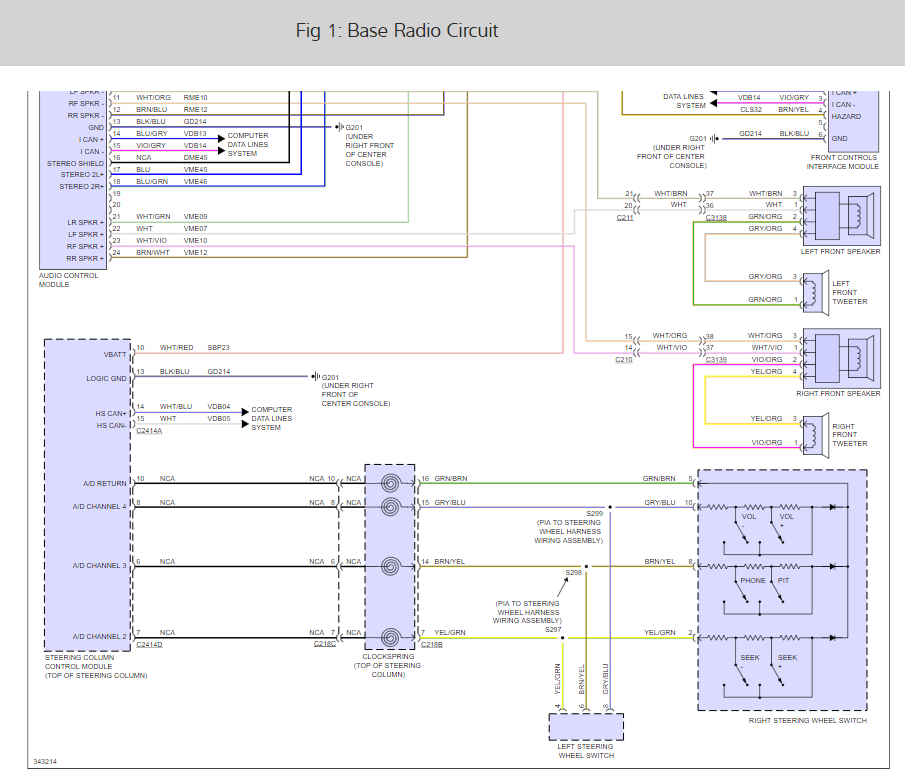
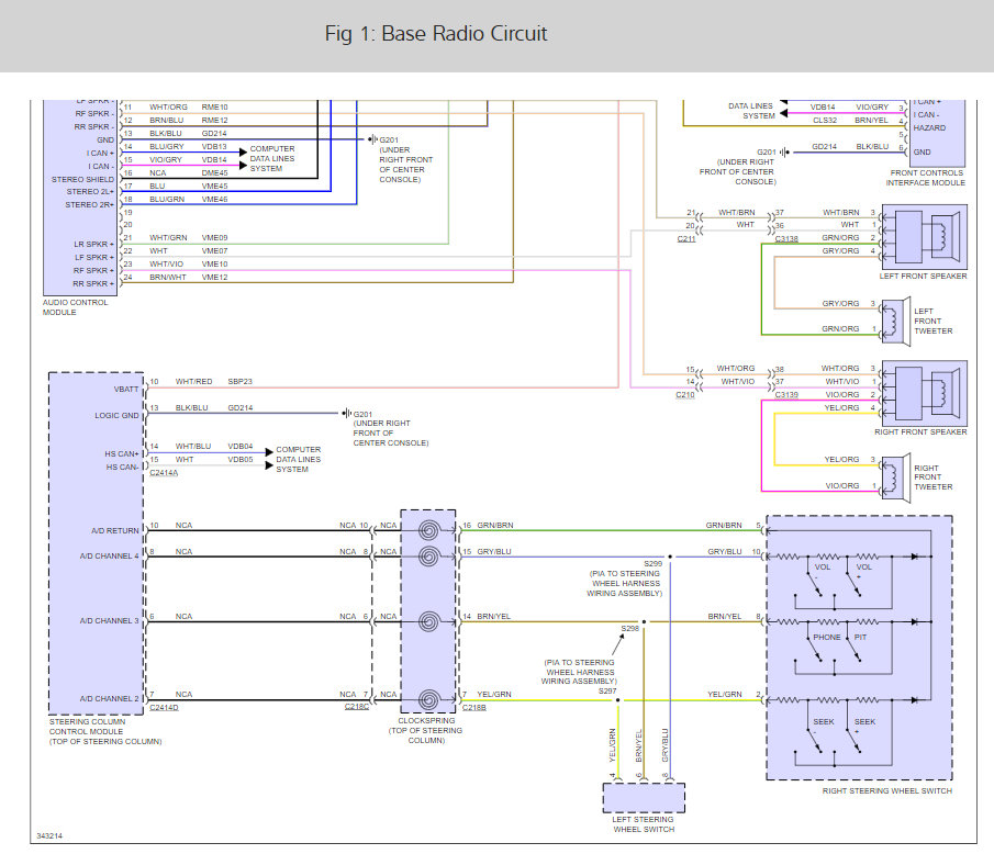
It sounds like you have a connection problem lost the power or ground somewhere. Here is guide to help you test the wiring and the radio wiring diagrams below. I have listed all three radios that come in the car below.

https://www.2carpros.com/articles/how-to-check-wiring

Check out the diagrams (below). Please let us know what you find.

Cheers, Ken
Jul 25, 2018 at 4:16 PM
Advertisement
Repair Safety Notice: This information is for general instructional purposes only. Vehicle repair can be dangerous. Verify all information, follow manufacturer service procedures, use proper tools and safety equipment, and consult a qualified repair shop when needed.