Gear shifter stuck in gear and reverse/drive/neutral and screen on cluster is flashing PRNDS

Tiny
STRONGSIDE760
  • MEMBER
  • 2008 AUDI A3
  • 2.0L
  • 4 CYL
  • TURBO
  • 2WD
  • AUTOMATIC
  • 184,000 MILES
Battery is new, but it seems like it's starts slow sometimes like it's drained.
Friday, November 26th, 2021 AT 11:32 AM

3 Replies

Tiny
JACOBANDNICKOLAS
  • MECHANIC
  • 110,192 POSTS
Hi,

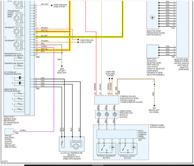
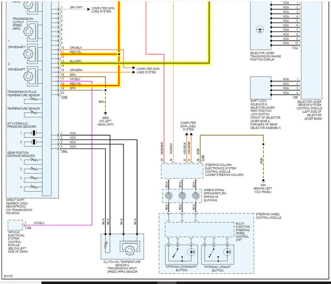
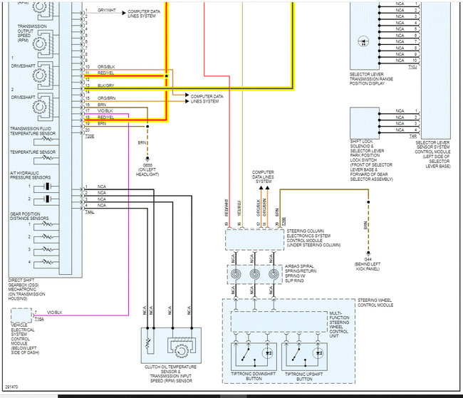
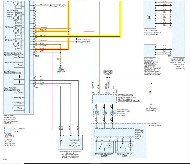
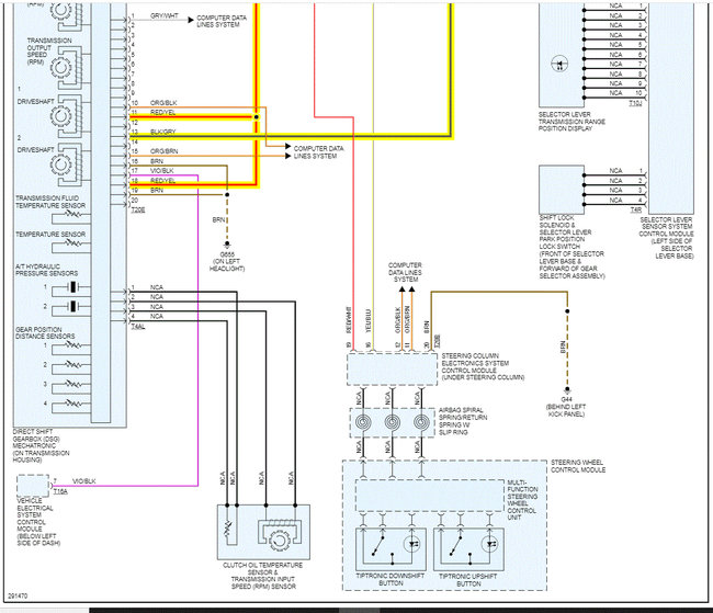
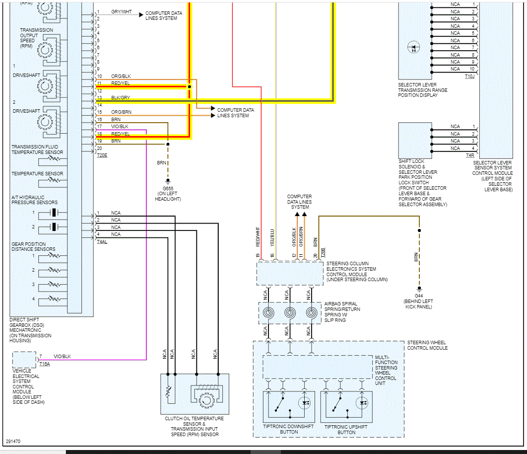
There is a select lever sensor system control module in the center console on the left of the shifter. This module plays a role related to both of the issues.

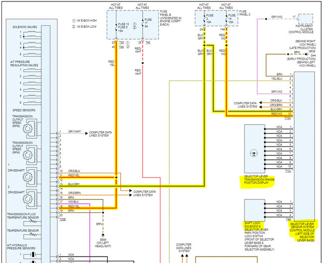
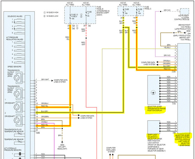
To get started, I need you to check three different fuses. In fuse panel C, check fuses 2 and 14. In fuse box B, it will be either fuse 5 or 13. The fuse number is based on the location of the box. See pics 3-5.

When you check these fuses, not only is it important to check the fuse condition but also, you should confirm there is power to and from it. Here is a link you may find helpful:

https://www.2carpros.com/articles/how-to-check-a-car-fuse

Do this first and let me know the results.

Take care,

Joie
Was this
answer
helpful?
Yes
No
Friday, November 26th, 2021 AT 10:48 PM
Tiny
STRONGSIDE760
  • MEMBER
  • 2 POSTS
Checked the fuses they are all good and power Goin through them sometimes I'm able to drive the car and sometimes it will be running just not going into gear when the cluster PRNDS starts to flash and the ESP fault error comes on.
Was this
answer
helpful?
Yes
No
Saturday, November 27th, 2021 AT 4:17 PM
Tiny
JACOBANDNICKOLAS
  • MECHANIC
  • 110,192 POSTS
Hi,

Next, when it won't shift into gear, see if the brake lights are working. The actuator is triggered by the brake light switch.

If they are working, the next step is to have the can-bus scanned to determine if there is a diagnostic code stored in the control module.

CAN stands for controller area network. Basically, all the computers/modules are tied together via a few wires. This type of scan will identify diagnostic trouble codes regardless of the module it's stored in.

Here is a quick video showing how it's done:

https://youtu.be/InIlnsjOVFA

Let me know about the brake lights. Also, let me know if you are able to have the scan done.

Take care,

Joe
Was this
answer
helpful?
Yes
No
Saturday, November 27th, 2021 AT 10:13 PM

Please login or register to post a reply.