Sunday, December 31st, 2017 AT 1:56 PM
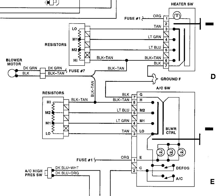
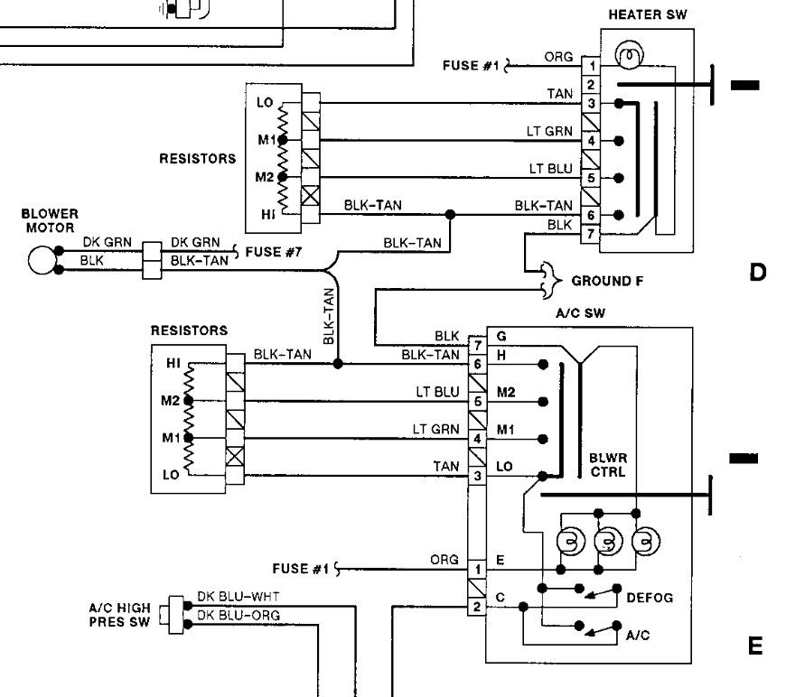
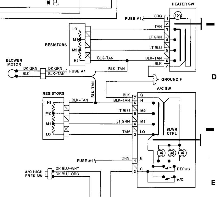
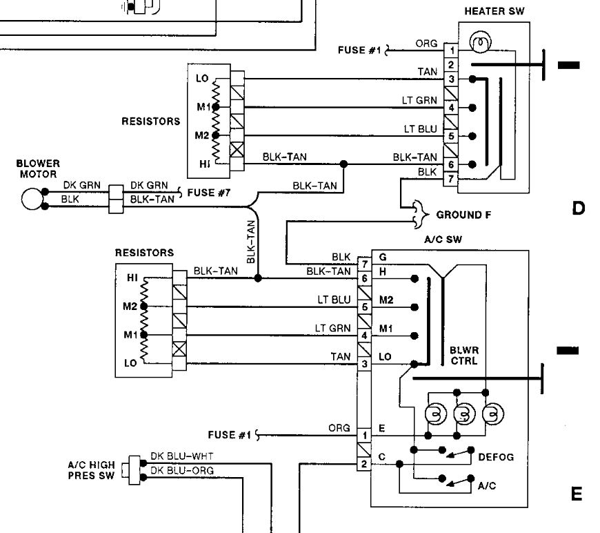
When I bought car It had toggle switch to work heater. The switch burnt up and I have to replace. Now I do not know where to hook wire on back of heater or how to get to the back of heater to see wires.


