Wednesday, March 10th, 2021 AT 7:13 PM
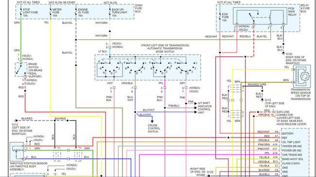
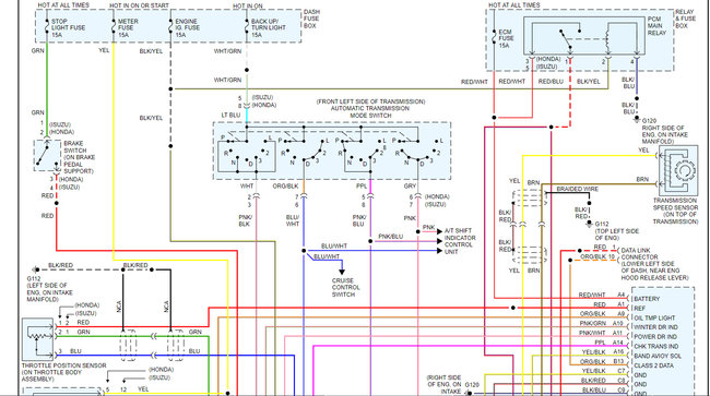
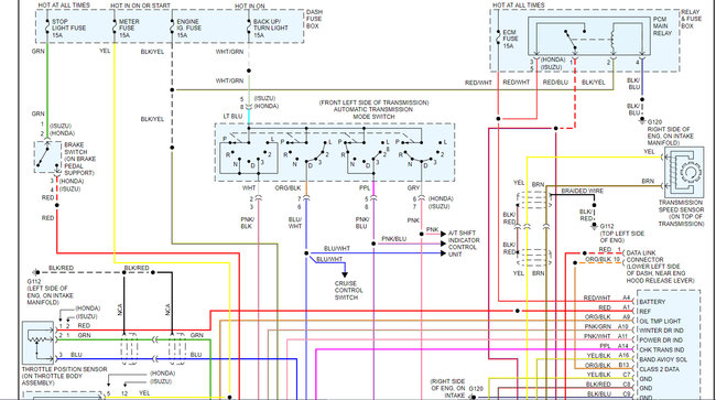
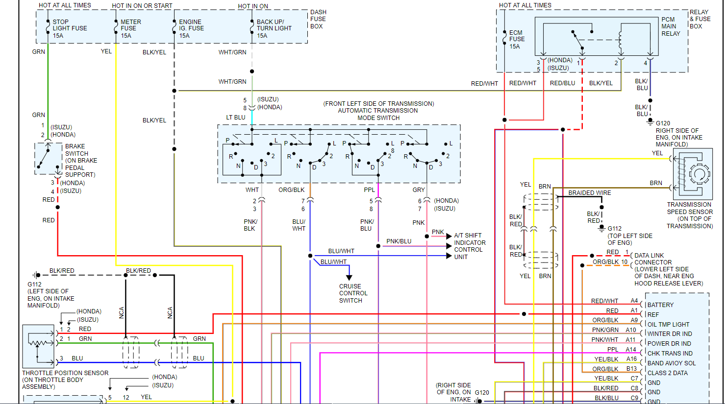
My vehicle listed above transmission was swapped with a 2001 Isuzu Rodeo, but there's one connection that one more wire then my passport. Is there a way through that wiring.






