Power windows

Tiny
SOPHIE1460
  • MEMBER
  • 1997 SUZUKI SIDEKICK
  • 4 CYL
  • 4WD
  • MANUAL
  • 98,000 MILES
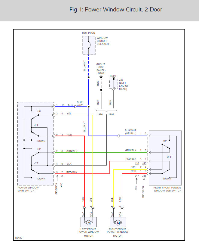
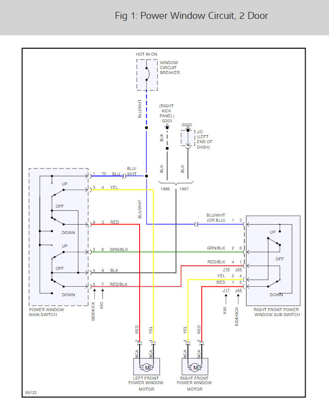
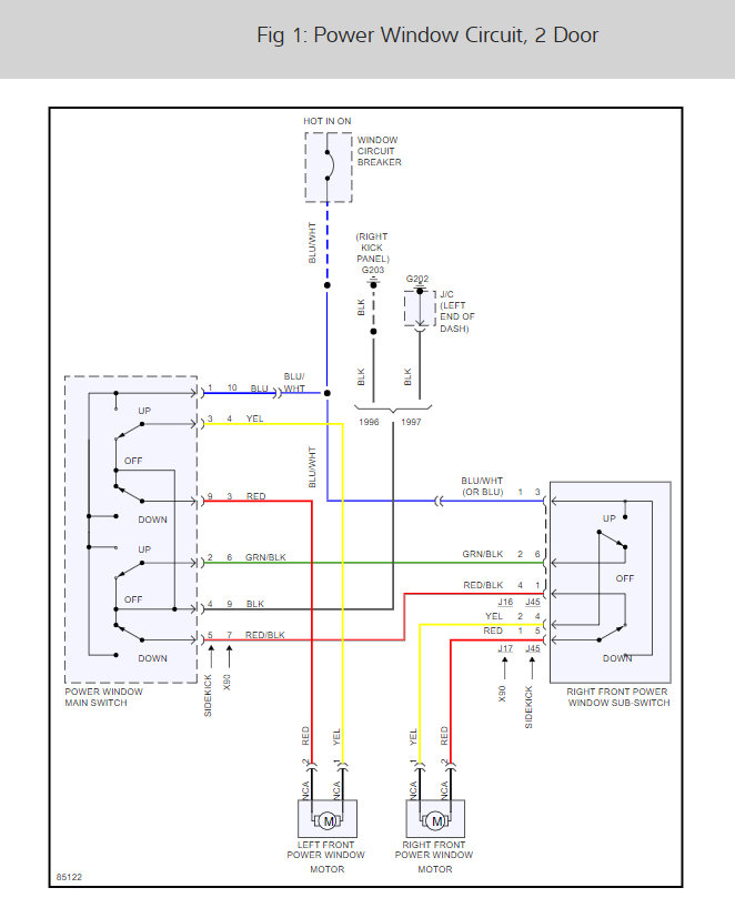
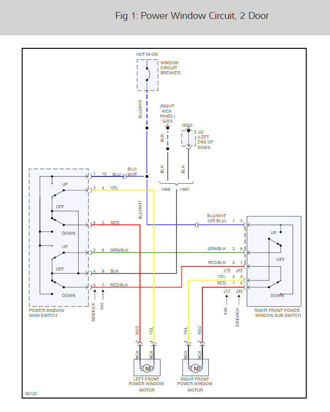
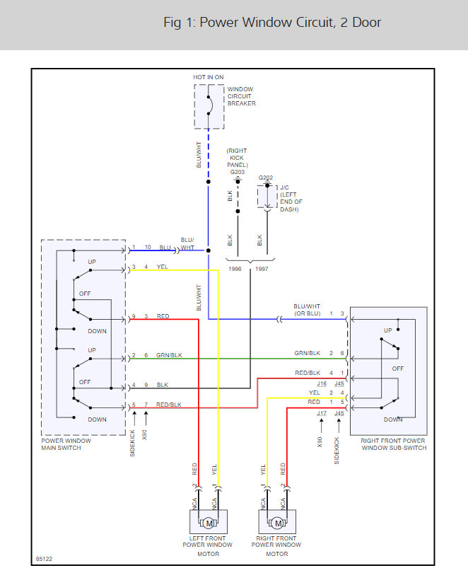
I have wiring diagram for the window circuit it shows a circuit breaker but doesn't show where it is, neither does the owners manual, none of the windows work I would like to find out where the breaker is.
Thanks,
George
Sunday, August 29th, 2010 AT 10:11 PM

1 Reply

Tiny
BLUELIGHTNIN6
  • MECHANIC
  • 16,542 POSTS
Hello

I have posted a diagram of where the circuit breaker is for the power windows and a guide to help test the connections.

https://www.2carpros.com/articles/how-to-check-wiring

Check out the diagrams (Below). Please let us know if you need anything else to get the problem fixed.
Was this
answer
helpful?
Yes
No
+11
Sunday, August 29th, 2010 AT 10:19 PM

Please login or register to post a reply.